电脑桌面
添加小米粒文库到电脑桌面
安装后可以在桌面快捷访问

单轴搅拌桩技术交底

单轴搅拌桩技术交底_第1页
1/6
单轴搅拌桩技术交底_第2页
2/6
单轴搅拌桩技术交底_第3页
3/6
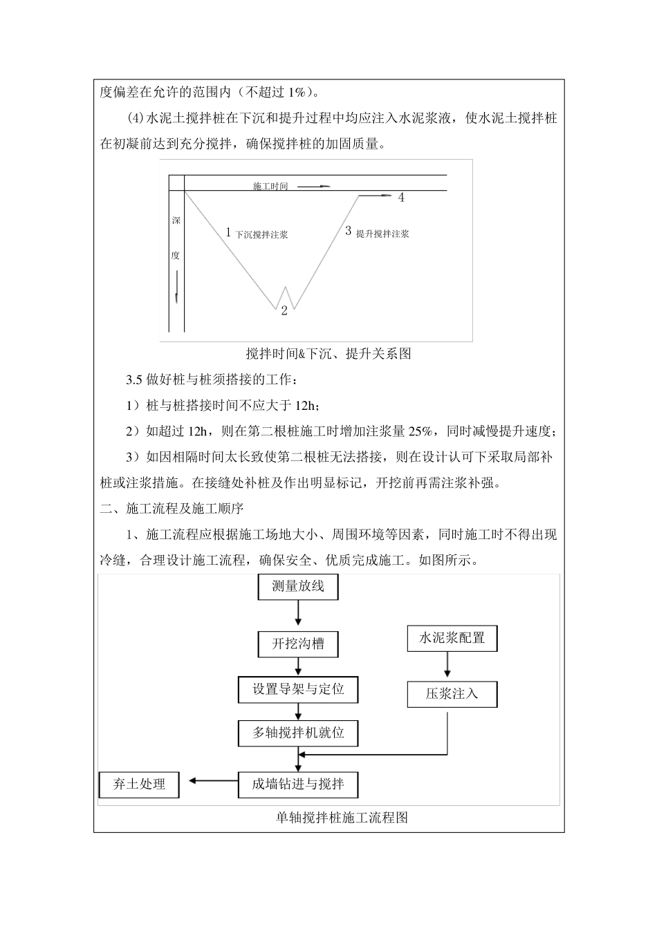
施 工 方 案 交 底 记 录 工 程 名 称 荆 州 万 达 广 场 施 工 单 位 中 国 建 筑 第 二 工 程 局 有 限 公 司 ( 沪 ) 交 底 部 位 单 轴 搅 拌 桩 工 序 名 称 单 轴 搅 拌 桩 工 程 交 底 提 要 交 底 内 容 本 交 底 针 对 单 轴 搅 拌 桩 施 工 进 行 相 应 交 底 : 一 、 施 工 准 备 1、 现 场 准 备 (1)场 地 必 须 达 到 “ 三 通 一 平 ”, 对 施 工 现 场 进 行 平 整 , 清 除 地 下 和 地 上 的障 碍 物 ,保 证 施 工 机 械 有 适 当 的 工 作 面 ,桩 机 行 走 路 线 软 弱 地 面 必 须 加 垫 料 夯 实 、夯 平 。 (2)由 总 包 方 提 供 施 工 电 源 接 入 点 及 水 源 接 入 点 , 并 保 证 施 工 期 间 供 电 、 供水 的 正 常 。 我 司 根 据 施 工 总 体 安 排 , 铺 设 水 管 、 电 缆 。 (3) 由 建 设 方 确 定 控 制 点 后 , 应 进 行 场 地 控 制 网 测 设 , 自然地 面 标高测 量,并 做好初测 记 录 及 监理验收记 录 。 (4)采购水 泥等材料 , 选用定 点 优质材料 , 并 做好各类材料 质量复验工 作 ,杜绝不合格材料 进 入 工 地 。 (5) 止水 帷幕( 粉桩 ): Φ500mm ,, 间 距 350mm, 施 工 中 保 证 按 50Kg/m 水 泥用量施 工 , 保 证 供 浆的 连续性和 桩 的 完整 性、 均匀性。 (6)在施 工 区域四周搭设 现 场 固定 照明灯架。 (7) 主要 施 工 机 械 设 备 一 览表 序 号 名 称 型 号 数量 备 注 1 搅 拌 桩 机 PH—5A 4 台套 2 电 焊机 BX1-500 2 台 3 全站仪 1 台 4 挖掘机 1 台 2、定位线 挖沟槽前划定Ф500 单轴搅拌桩中心线到机前定位型钢的距离,并在定位型钢上做好每一幅单轴搅拌机施工加固的定位标记。 3、质量控制标准 3.1 测量放线 施工前,先根据设计图纸和业主提供的坐标基准点,精确计算出围护中心线角点坐标(或桩体转角点坐标),利用测量仪器精确放样出搅拌桩中心线,并提请监理进行坐标数据复核,同时做好护桩。 3.2 开沟槽 根据放样出的搅拌桩中心线,用挖掘机开挖工作沟槽,槽宽约 1.2m,深度约 0.6m...

1、当您付费下载文档后,您只拥有了使用权限,并不意味着购买了版权,文档只能用于自身使用,不得用于其他商业用途(如 [转卖]进行直接盈利或[编辑后售卖]进行间接盈利)。
2、本站所有内容均由合作方或网友上传,本站不对文档的完整性、权威性及其观点立场正确性做任何保证或承诺!文档内容仅供研究参考,付费前请自行鉴别。
3、如文档内容存在违规,或者侵犯商业秘密、侵犯著作权等,请点击“违规举报”。

碎片内容

单轴搅拌桩技术交底

小辰2+ 关注
实名认证
内容提供者

出售各种资料和文档

确认删除?
VIP
微信客服
  • 扫码咨询
会员Q群
  • 会员专属群点击这里加入QQ群
客服邮箱
回到顶部