电脑桌面
添加小米粒文库到电脑桌面
安装后可以在桌面快捷访问

危化品装卸作业风险辨识活动控制清单

危化品装卸作业风险辨识活动控制清单_第1页
1/8
危化品装卸作业风险辨识活动控制清单_第2页
2/8
危化品装卸作业风险辨识活动控制清单_第3页
3/8
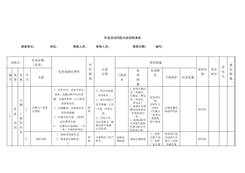
作业活动风险分级控制清单 填表单位: 岗位: 填表人员: 审核人员: 填表日期: 编号: 风险点 作业步骤 (危害) 危害或潜在事件 评价 级别 主要 后果 管控措施 管控层级 责任单位 责任人 建议措施 编号 类型 名称 序号 名称 工程技术 管 理 措 施 培训教育 个体防护 应急处置 1 作业 活动 己烯-1卸车作业 1. 车辆入厂前登记查验 1、证件不全,资质不符合要求,运输过程中发生泄漏、交通等事故,公司受连带管理责任。 2、车辆罐体、其他附件有变形或泄漏。 3、车辆无阻火器、司机押运员携带火种。 a. 车辆无应急器材、一书一签、个体防护用品。 四级 1、给公司造成经济损失。 2、卸车过程中发生泄漏、人员中毒、环境污染。 3、引发火灾。 无应急能力,施救过程中造成人员伤害。 1、检查车辆五证(驾驶证、行驶证、押运证、危运证、营运证) 3、索要在有效期内的各类证件资料复印件。 4、装卸站卸车人员填 写 装卸车辆司机安 全检查登记表 。 按 培训计划 对 卸车人员进 行《 车辆入厂前登记查验规程》 教育 正 确 穿 戴 劳保 防护用品 岗 位级 2. 原 料过磅 1、地 磅 未 校 验失灵 。 2、称重 前未 做 检查。 3、 四级 计 量 错 误 ,财 产损失。 地 磅 定期校 验 地 磅 定 期校 验 1、选 择合格 产 品 2、对 照厂家 计 量按 培训计 划对 过磅 人员进 行《 司磅员操 作规 岗 位级 单和公司计量单 程》、《司磅员岗位职责》教育 3. 通知化验室取样 1、 取样口有毒液体挥发。 2、 取样器有毒液体飞溅。 四级 1、吸入、皮肤接触挥发气体或有毒液体对人体造成腐蚀、中毒,污染环境。 1、精操细作,严格按照操作规程取样 2、选择合适的容器 按培训计划对取样人员进行《取样员操作规程》、《取样员岗位职责》教育 防护服 防护手套 防毒口罩 1、现场配备急救用品、洗眼器 2、立即用大量清水冲洗,送医 岗位级 4. 卸车 1、车辆就位、熄火、断电。 1、车辆未熄火或未关闭总电源。 四级 引发火灾或爆炸。 车辆停稳后垫好车轮防滑块 液体装卸站安检员检查确认是否熄火、断电 按培训计划对卸车人员进行《液体装卸站(168单元)操作规程》、《卸车员岗位职责》教育 防护服 防护手套 防毒面罩 1.初期小面积火灾,现场操作人员使用手提灭火器灭火,同时告知部门主管、公司领导;若火灾蔓延,拨 打 11...

1、当您付费下载文档后,您只拥有了使用权限,并不意味着购买了版权,文档只能用于自身使用,不得用于其他商业用途(如 [转卖]进行直接盈利或[编辑后售卖]进行间接盈利)。
2、本站所有内容均由合作方或网友上传,本站不对文档的完整性、权威性及其观点立场正确性做任何保证或承诺!文档内容仅供研究参考,付费前请自行鉴别。
3、如文档内容存在违规,或者侵犯商业秘密、侵犯著作权等,请点击“违规举报”。

碎片内容

危化品装卸作业风险辨识活动控制清单

您可能关注的文档

确认删除?
VIP
微信客服
  • 扫码咨询
会员Q群
  • 会员专属群点击这里加入QQ群
客服邮箱
回到顶部