电脑桌面
添加小米粒文库到电脑桌面
安装后可以在桌面快捷访问

厂内机动车辆自检报告

厂内机动车辆自检报告_第1页
1/7
厂内机动车辆自检报告_第2页
2/7
厂内机动车辆自检报告_第3页
3/7
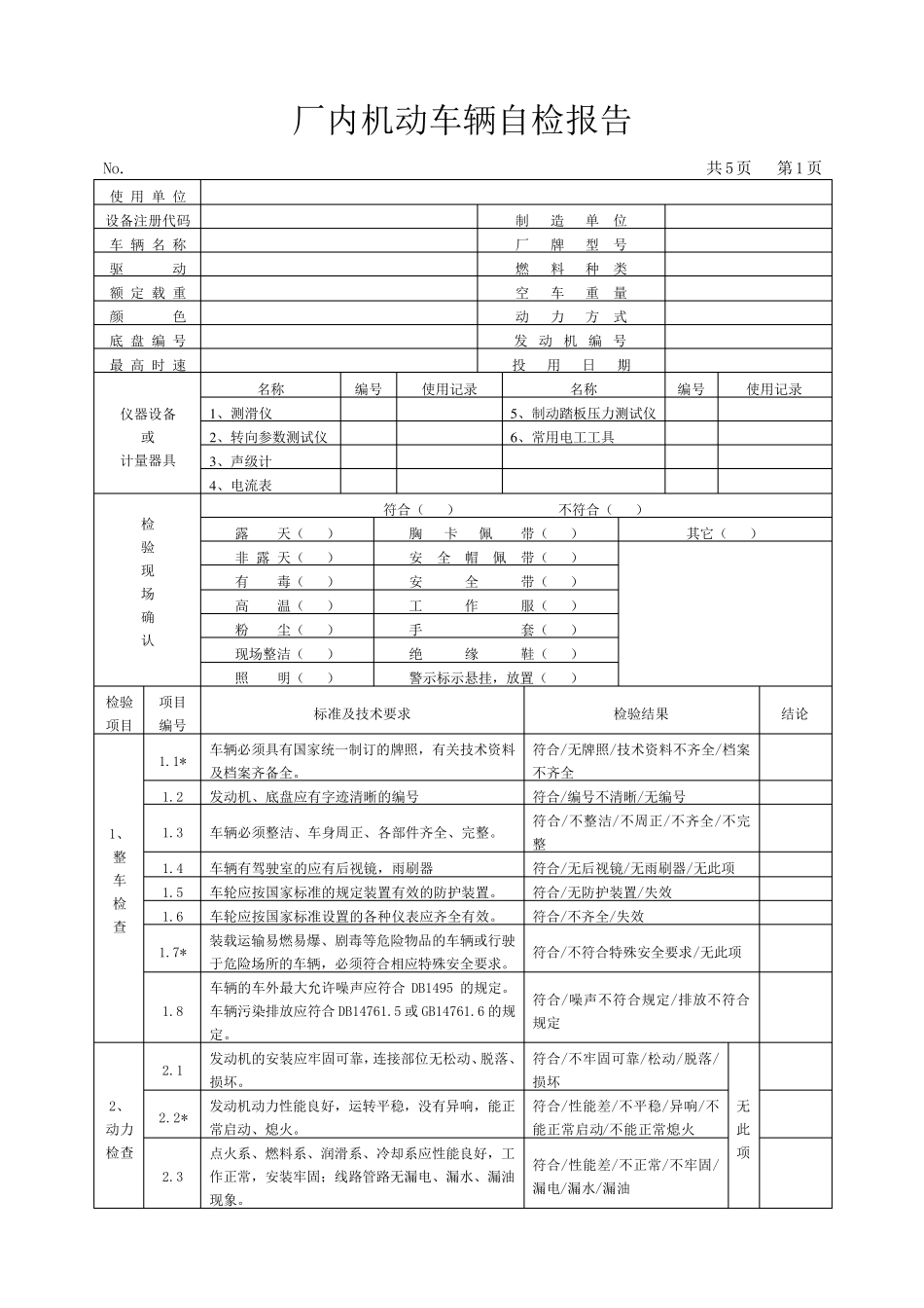
No. 厂内机动车辆 自 检 报 告 注册代码 使用单位 检验日期 车辆牌号 自 检 人 说 明 1、本记录适用于厂内机动车监督检验。 2、本检验报告依据:厂内机动车辆监督检验规程,GN10827—1999《机动工业车辆安全规范》GB/T16178—1996《厂内机动车辆安全检验技术要求》。 3、检验人员应具有检验资格并持证上岗。检验时应佩带好必要的劳动防护用品。 4、检验用仪器设备应完好并在计量检定期内。 5、现场检验过程中,检验人员应详细记录检测情况及检测结果。 6、凡“合格”内容均划“√”;“不合格”内容均划“0”,“无此项”及“检定无此项”内容均划“/”。 7、原始记录应用钢笔填写,字迹端正清楚。原始数据更改时应在数据上划横杠,并加盖检验员章,更改后的数据写在原数据的上方。文字表述更改时应在错误文字上划一横杠并随后书写正确文字,并在横杠处加盖检验员章,不得随意涂改。 8、检验结束后,检验人员应对检验结果进行核对,核对无误后签字生效。若核对有误,应根据具体情况更正或重新检验。检验人员应对检验结果负责。 9、检验结束后,检验人员应及时清点保养检验仪器设备,以备下次使用。 10、凡带“*”项为重要项。 11、本报告书所测数据和结论均在检验状态下得出的。 厂内机动车辆自检报告 No. 共5页 第1 页 使 用 单 位 设备注册代码 制 造 单 位 车 辆 名 称 厂 牌 型 号 驱 动 燃 料 种 类 额 定 载 重 空 车 重 量 颜 色 动 力 方 式 底 盘 编 号 发 动 机 编 号 最 高 时 速 投 用 日 期 仪器设备 或 计量器具 名称 编号 使用记录 名称 编号 使用记录 1 、测滑仪 5 、制动踏板压力测试仪 2 、转向参数测试仪 6 、常用电工工具 3 、声级计 4 、电流表 检 验 现 场 确 认 符合( ) 不符合( ) 露 天( ) 胸 卡 佩 带( ) 其它( ) 非 露 天( ) 安 全 帽 佩 带( ) 有 毒( ) 安 全 带( ) 高 温( ) 工 作 服( ) 粉 尘( ) 手 套( ) 现场整洁( ) 绝 缘 鞋( ) 照 明( ) 警示标示悬挂,放置( ) 检验 项目 项目 编号 标准及技术要求 检验结果 结论 1、 整 车 检 查 1.1* 车辆必须具有国家统一制订的牌照,有关技术资料及档案齐备全。 符合/无牌照/技术资料不齐全/档案不齐全 1.2 发动机、底盘应有字迹清晰的编号 ...

1、当您付费下载文档后,您只拥有了使用权限,并不意味着购买了版权,文档只能用于自身使用,不得用于其他商业用途(如 [转卖]进行直接盈利或[编辑后售卖]进行间接盈利)。
2、本站所有内容均由合作方或网友上传,本站不对文档的完整性、权威性及其观点立场正确性做任何保证或承诺!文档内容仅供研究参考,付费前请自行鉴别。
3、如文档内容存在违规,或者侵犯商业秘密、侵犯著作权等,请点击“违规举报”。

碎片内容

厂内机动车辆自检报告

确认删除?
VIP
微信客服
  • 扫码咨询
会员Q群
  • 会员专属群点击这里加入QQ群
客服邮箱
回到顶部