电脑桌面
添加小米粒文库到电脑桌面
安装后可以在桌面快捷访问

厂房压缩空气管道安装工程施工方案

厂房压缩空气管道安装工程施工方案_第1页
1/15
厂房压缩空气管道安装工程施工方案_第2页
2/15
厂房压缩空气管道安装工程施工方案_第3页
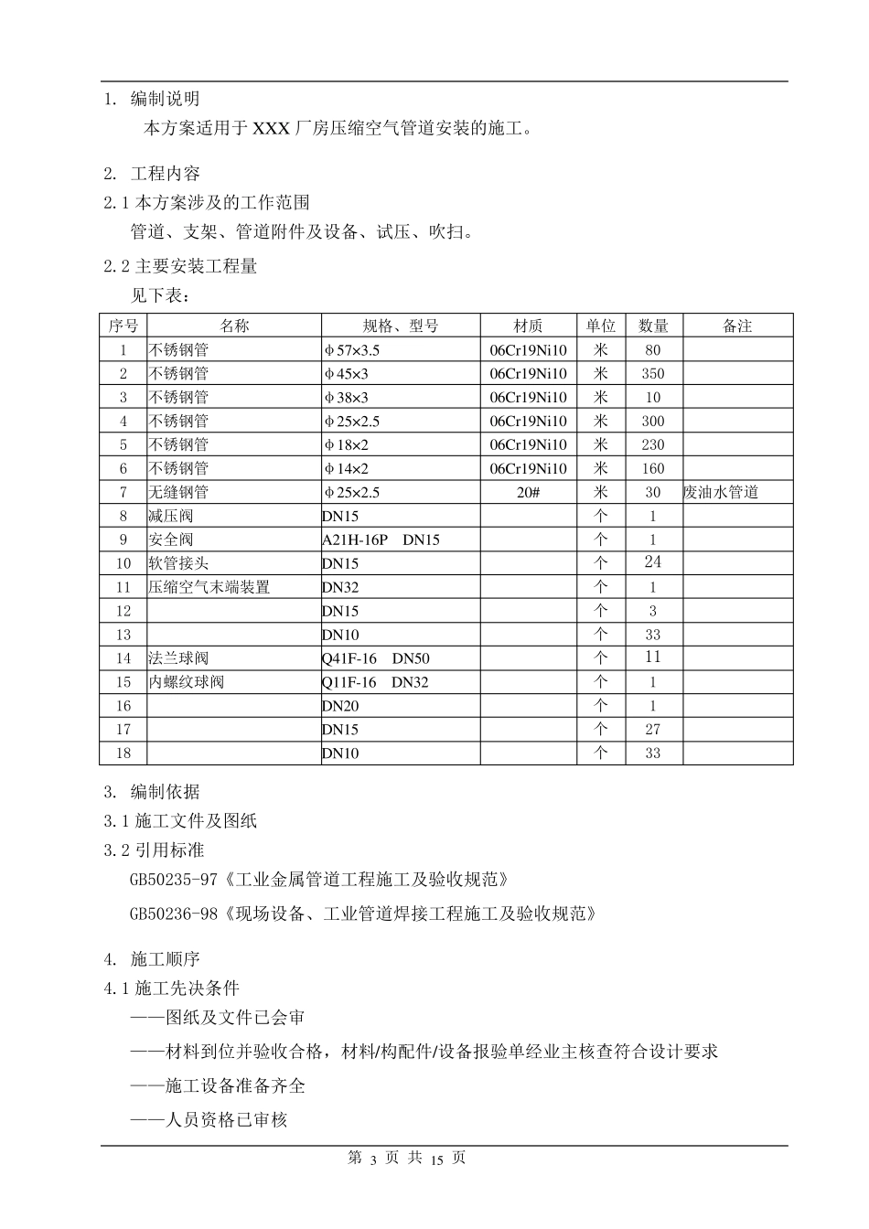
3/15
第 1 页 共 1 5 页 XXX 厂房压缩空气管道安装工程施工方案 目 录 第 2 页 共 1 5 页 1 . 编制说明 ......................................................................................................................................................... 3 2 . 工程内容 ......................................................................................................................................................... 3 2 .1 本方案涉及的工作范围 ........................................................................................................................ 3 2 .2 主要安装工程量 .................................................................................................................................... 3 3 . 编制依据 ......................................................................................................................................................... 3 3 .1 施工文件及图纸 .................................................................................................................................... 3 3 .2 引用标准 ................................................................................................................................................ 3 4 . 施工顺序 ......................................................................................................................................................... 3 4 .1 施工先决条件 ........................................................................................................................................ 3 4 .2 施工程序 ................................................................................................................................................ 4 4 .3 详细描述 ................................................................................................................................................ 4 4 .3 .6 .6 焊缝返修 ................................................

1、当您付费下载文档后,您只拥有了使用权限,并不意味着购买了版权,文档只能用于自身使用,不得用于其他商业用途(如 [转卖]进行直接盈利或[编辑后售卖]进行间接盈利)。
2、本站所有内容均由合作方或网友上传,本站不对文档的完整性、权威性及其观点立场正确性做任何保证或承诺!文档内容仅供研究参考,付费前请自行鉴别。
3、如文档内容存在违规,或者侵犯商业秘密、侵犯著作权等,请点击“违规举报”。

碎片内容

厂房压缩空气管道安装工程施工方案

您可能关注的文档

确认删除?
VIP
微信客服
  • 扫码咨询
会员Q群
  • 会员专属群点击这里加入QQ群
客服邮箱
回到顶部