电脑桌面
添加小米粒文库到电脑桌面
安装后可以在桌面快捷访问

压力机计算设计

压力机计算设计_第1页
1/45
压力机计算设计_第2页
2/45
压力机计算设计_第3页
3/45
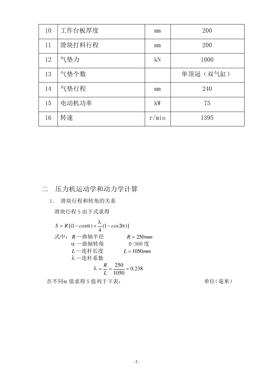
- 1 - 一 压力机主要技术参数 二 压力机运动学和动力学计算 三 电动机功率和飞轮的转动惯量的计算 四、飞轮部分实际转动惯量 五、 齿轮啮合及齿轮强度的验算 六、 皮带轮传动的计算 七 离合器和制动器部分的计算 八 滑块部分计算 九 机身强度计算 一 压力机主要技术参数 序号 名称 单位 技术参数 1 公称力 kN 6300 2 公称力行程 mm 13 3 滑块行程 mm 500 4 滑块行程次数 min-1 10 5 最大装模高度 mm 1000 6 装模高度调节量 mm 340 7 接油盒之间的距离 mm 3320 8 滑块底面尺寸(左右×前后) mm 3300×1600 9 工作台面尺寸(左右×前后) mm 3450×1600 - 2 - 10 工作台板厚度 mm 200 11 滑块打料行程 mm 200 12 气垫力 kN 1000 13 气垫个数 单顶冠(双气缸) 14 气垫行程 mm 240 15 电动机功率 kW 75 16 转速 r/min 1395 二 压力机运动学和动力学计算 1﹑ 滑块行程和转角的关系 滑块行程S 由下式求得 )]21(4)1[( coscosRS 式中:R —曲轴半径 mmR250  —曲轴转角 0-360 度 L —连杆长度 mmL1050  —连杆系数 238.01050250  LR 在不同 值求得S 值列于下表: 单位(毫米) - 3 - 0.001.000.001.000.000.00000.000010.000.980.020.940.060.00364.695120.000.940.060.770.230.013918.556930.000.870.130.500.500.029740.931140.000.770.230.170.830.049270.780950.000.640.36-0.171.170.0698106.761160.000.500.50-0.501.500.0892147.312570.000.340.66-0.771.770.1051190.764980.000.170.83-0.941.940.1154235.440990.000.001.00-1.002.000.1190279.7500S-α曲线0204060801001201401601802002202402602803000.0010.0020.0030.0040.0050.0060.0070.0080.0090.00度毫米 当发生公称力时,曲轴转角由下式求得: )(2)(222pppSLRRLSLRRcos 式中:pS —发生公称力时,滑块离下死点距离 mmSp13 代入得 - 4 - 70.169565.0 9565.0)131050250(25021050)131050250(2501222coscospp 2、滑块速度与转角的关系 )2sin2(sinRV 式中 V —滑块的速度  —曲柄等速旋转时的角速度, nn105.030   n —滑块每分钟行程次数 当滑块每分钟行程次数为 10 次/分 秒弧度/05.110105.0105.0n 秒毫...

1、当您付费下载文档后,您只拥有了使用权限,并不意味着购买了版权,文档只能用于自身使用,不得用于其他商业用途(如 [转卖]进行直接盈利或[编辑后售卖]进行间接盈利)。
2、本站所有内容均由合作方或网友上传,本站不对文档的完整性、权威性及其观点立场正确性做任何保证或承诺!文档内容仅供研究参考,付费前请自行鉴别。
3、如文档内容存在违规,或者侵犯商业秘密、侵犯著作权等,请点击“违规举报”。

碎片内容

压力机计算设计

您可能关注的文档

确认删除?
VIP
微信客服
  • 扫码咨询
会员Q群
  • 会员专属群点击这里加入QQ群
客服邮箱
回到顶部