电脑桌面
添加小米粒文库到电脑桌面
安装后可以在桌面快捷访问

原材料进货检验指导书(钢板、型材)

原材料进货检验指导书(钢板、型材)_第1页
1/17
原材料进货检验指导书(钢板、型材)_第2页
2/17
原材料进货检验指导书(钢板、型材)_第3页
3/17
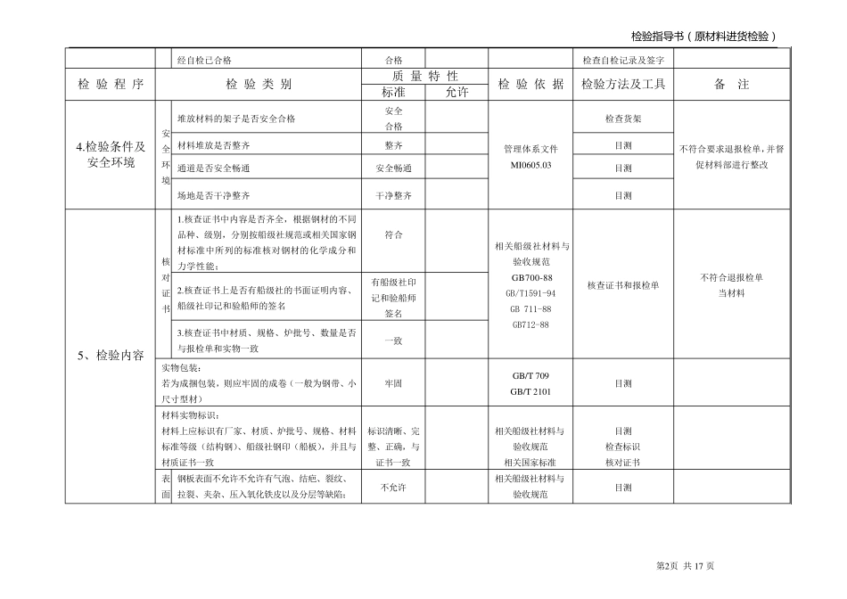
检 验 指 导 书(原材料进货检 验 ) 第1页 共17 页 进货检验指导书(钢板和型材) 检 验 程 序 检 验 类 别 质 量 特 性 检 验 依 据 检验方法及工具 备 注 标准 允许 1、技术准备 全船材料订货清单/明细 质量计划 船级社材料与验收规范 相关国家标准 熟悉、理解 熟悉 设计部门正式签署的图样、技术规格书或指定的标准、规范和技术协议 检验员收集相关标准和规范进行学习,逐步理解和熟悉 2、状态监控 材料应分项目、分类、分牌号、分批分别存放; 分开存放 标识正确 分开存放 标识正确 船级社材料与验收规范 相关国家标准 目测 不具备报验条件的退报验单 已报验材料与未报验材料应分开存放 目测 现场材料应做好标识,内容包括:项目名称、材料名称及牌号、数量或重量、规格、检验状态 标识清晰 内容正确 标识清晰 内容正确 目测 材料应堆放整齐 整齐 整齐 目测 材料存放环境应符合相关标准要求 符合 符合 目测 长时间露天堆放的材料是否有保护措施 安全、合理 有、安全 目测 3、接报验单 报检单表格格式 表 RMP0602. 12-01 管理体系文件MI0501.13 检查格式和内容是否与表 RMP0602.12-01相符合 格式不符合退报检单 报验单编号、报验产品编号、合同号(订单号)、名称、规格、数量、材质、产地、炉批号、证书号 完整、正确 完整、正确 订货清单和证书 检查是否与订货清单、材质证书符合 不完整或不符合退报检单 报检人员签字和盖章 盖受控章、编号和签字 盖受控章、编号和签字 管理体系文件MP1202 检查报检单 无签字和盖章拒收报检单 4.检验条件及安全环境 检验条件 设计部门正式下达的采购产品订货明细表中属《采购检验项目分类》中的专检项目 符合 符合管理体系文件中例外转序条件时允许执行例外转序 管理体系文件MI0501.13 核对 不符合条件时退报检单 合格供方厂家及甲方(需方或业主)指定的供方 合格 核对 设计部门正式签署的图样、技术规格书或指定的标准、规范、技术协议 齐全 检查文件 供方出厂的质量证书齐全;所入级船级社有关项目需要的船检证书。 齐全 正确 检查证书 检 验 指 导 书(原材料进货检 验 ) 第2页 共17 页 经自检已合格 合格 检查自检记录及签字 检 验 程 序 检 验 类 别 质 量 特 性 检 验 依 据 检验方法及工具 备 注 标准 允许 4.检验条件及安全环境 安全环境 堆...

1、当您付费下载文档后,您只拥有了使用权限,并不意味着购买了版权,文档只能用于自身使用,不得用于其他商业用途(如 [转卖]进行直接盈利或[编辑后售卖]进行间接盈利)。
2、本站所有内容均由合作方或网友上传,本站不对文档的完整性、权威性及其观点立场正确性做任何保证或承诺!文档内容仅供研究参考,付费前请自行鉴别。
3、如文档内容存在违规,或者侵犯商业秘密、侵犯著作权等,请点击“违规举报”。

碎片内容

原材料进货检验指导书(钢板、型材)

确认删除?
VIP
微信客服
  • 扫码咨询
会员Q群
  • 会员专属群点击这里加入QQ群
客服邮箱
回到顶部