电脑桌面
添加小米粒文库到电脑桌面
安装后可以在桌面快捷访问

L消防设备检修规程

L消防设备检修规程_第1页
1/11
L消防设备检修规程_第2页
2/11
L消防设备检修规程_第3页
3/11
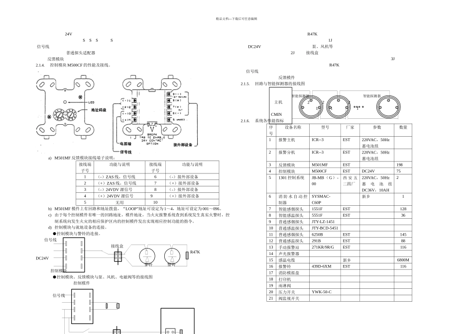
精品文档---下载后可任意编辑1.概述鸭河口电厂的消防系统主要有以下四部分组成:1.火灾报警系统;2. 消防水灭火系统3. 卤代烷 1301 气体灭火系统;4. 泡沫灭火系统;1.1.火灾报警系统火灾报警系统是整个消防系统的中心控制单元,有位于集控楼 14 米的报警主机 CM1N,输煤综合楼的报警分机 CM2N,消防队的火灾区域报警模拟盘,主机箱里的联动控制盘及分布于全厂的各种探测元件和模块组成。示意图如下:主、分机采纳美国爱德华公司 IRC-3 产品,通过智能卡与就地相连。每个设备都有其唯一的地址,主分机对每个回路进行巡测,假如外部有报警出现,在液晶显示屏上显示,并送往模拟盘显示。同时,连动装置将报警区的消防设备驱动,完成灭火工作。如下图所示:1.2.消防水系统该系统为一独立水系统由新乡消防机械厂生产的 BZZ-120-120 型自动控制消防泵组,从生水池中抽水,引向各处。消防泵组包括一台电动泵作为主消防泵,一台柴油机泵作为备用泵,两台稳压泵作为正常情况下维持压力用泵。消防泵组自动控制系统核心为 SYSMAC-C60P 可编程序控制器,通过编程,实现一定功能。可就地手动启动,远方手动启动。它由安装在管网上的压力开关来启动各泵。正常情况下,消防管网处于冲压状态,压力在 7-9bar 之间。管网压力 P<7bar 时,启动稳压泵;管网压力 P>9bar 时,停稳压泵;管网压力 P<6bar 时,启动电泵;管网压力 P<5bar 时,启动柴油机泵。电泵和柴油机泵须手动停止。1.3.卤代烷 1301 气体灭火系统卤代烷 1301 气体灭火系统负责全厂核心部位的消防,采纳西安 524 厂的产品,主要有卤代烷1301 钢瓶组和 JB-MB-00 型自动报警灭火控制器组成。能及时探测火情,自动发出声光报警。在确认火灾的情况下,自动驱动灭火系统。卤代烷 1301 气体灭火系统的报警控制部分有美国 EST 公司生产的普通感烟探测器(6250B 型)和普通感温探测器(291B 型),在每个保护区安装多个探测回路,烟感为一个回路,温感为一个回路。在每个保护区的出、入口安装声光报警和警铃,在入口外安装放气指示灯,紧急启动按钮和紧急停止按钮。报警控制器有手动和自动两种工作方式。在自动方式:保护区的感烟或感温回路中任一回路探测器测到异常,则该区的声光报警铃会响。当有两路探测器测到异常,则控制器延时 30 秒后,启动该区1301 气体喷发启动氮气瓶,由高压氮气冲开储气刚瓶瓶头阀,向该区域喷放 1301 气体。手动方式下,报警发生...

1、当您付费下载文档后,您只拥有了使用权限,并不意味着购买了版权,文档只能用于自身使用,不得用于其他商业用途(如 [转卖]进行直接盈利或[编辑后售卖]进行间接盈利)。
2、本站所有内容均由合作方或网友上传,本站不对文档的完整性、权威性及其观点立场正确性做任何保证或承诺!文档内容仅供研究参考,付费前请自行鉴别。
3、如文档内容存在违规,或者侵犯商业秘密、侵犯著作权等,请点击“违规举报”。

碎片内容

L消防设备检修规程

确认删除?
VIP
微信客服
  • 扫码咨询
会员Q群
  • 会员专属群点击这里加入QQ群
客服邮箱
回到顶部