电脑桌面
添加小米粒文库到电脑桌面
安装后可以在桌面快捷访问

发电车间危险源辨识、风险评价清单

发电车间危险源辨识、风险评价清单_第1页
1/10
发电车间危险源辨识、风险评价清单_第2页
2/10
发电车间危险源辨识、风险评价清单_第3页
3/10
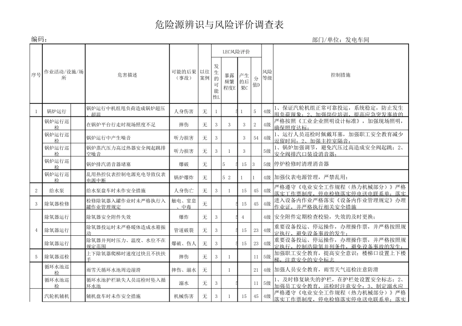
部门/单位:发电车间发生的可能性L暴露频繁程度E产生的后果C分值D1锅炉运行锅炉运行中机组甩负荷造成锅炉超压、超温人身伤害无10.5 100 50 4级 1、保证汽轮机组正常可靠投运,系统稳定,防止发生甩负荷现象;2、加强岗位培训,提高应急突发事故的锅炉运行巡检在锅炉平台行走时现场照度不足摔伤无33327 4级 严格按照《工业企业照明设计标准》,加强现场照明,确保照度达标;锅炉运行巡检锅炉运行中产生噪音听力损害无363544级 1、运行人员巡检时佩戴耳塞,加强职工安全教育减少逗留时间;2、加强主控室隔音;锅炉运行巡检锅炉蒸汽压力高过热器安全阀起跳排空噪音听力损害无3139 5级 1、锅炉加强调节,避免汽压过高造成安全阀起跳;2、安全阀排汽口装设消音器;锅炉运行巡检锅炉排汽消音器堵塞爆破无0.50.5 153.85级 停炉检修时清理消音器锅炉运行巡检乱用热控仪表控制电源充电导致仪表电源中断锅炉爆炸无0.5 21001004级 加强仪表电源管理,严禁乱用;2给水泵给水泵盘车时未作安全措施人身伤亡无3115454级 严格遵守《电业安全工作规程(热力机械部分)》严格落实工作票制度,停电检修落实停电送电联系单;落实3除氧器检修检修除氧器入罐作业时未严格执行入罐作业管理规定触电、窒息、中毒无60.5 15454级 进入设备内作业严格落实《设备内作业管理规定》办理作业证,并严格执行相关安全措施除氧器运行 除氧器安全附件失效爆炸无30.5 40604级 安全附件定期检查校验,失效的及时更换;除氧器运行 除氧器投运时未严格暖体造成水箱振动管道破裂无30.5 15234级 重要设备投运、停运操作,办理操作票,并严格按照规定执行,避免设备事故的发生;除氧器运行 除氧器并列时压力、温度、水位不在规定范围爆破、伤人无30.5 15234级 重要设备投运、停运操作,办理操作票,并严格按照规定执行,控制浩除氧并列条件,避免设备事故的发生;5除氧器巡检上下除氧器爬梯时速度过快且不扶扶手摔伤无317115级 加强职工安全教育,提高安全意识;楼梯口设置上下楼梯,注意安全的安全标志循环水池巡检雨雪天循环水池周边湿滑摔伤、溺水无617214级 加强人员安全教育,雨雪天气巡检注意防滑循环水池巡检循环水池护栏缺失人员巡检时坠入循环水池溺水无30.57115级 1、及时修复缺失的护栏,在护栏处设置安全标志;2、加强员工安全教育,巡检时注意安全;3、制定溺水应7汽轮机辅机 辅机盘车时未作安全措施机械伤害无3115454级 严格遵守《电业安全工作规...

1、当您付费下载文档后,您只拥有了使用权限,并不意味着购买了版权,文档只能用于自身使用,不得用于其他商业用途(如 [转卖]进行直接盈利或[编辑后售卖]进行间接盈利)。
2、本站所有内容均由合作方或网友上传,本站不对文档的完整性、权威性及其观点立场正确性做任何保证或承诺!文档内容仅供研究参考,付费前请自行鉴别。
3、如文档内容存在违规,或者侵犯商业秘密、侵犯著作权等,请点击“违规举报”。

碎片内容

发电车间危险源辨识、风险评价清单

您可能关注的文档

小辰6+ 关注
实名认证
内容提供者

出售各种资料和文档

确认删除?
VIP
微信客服
  • 扫码咨询
会员Q群
  • 会员专属群点击这里加入QQ群
客服邮箱
回到顶部