电脑桌面
添加小米粒文库到电脑桌面
安装后可以在桌面快捷访问

变压器设备高层吊装方案

变压器设备高层吊装方案_第1页
1/11
变压器设备高层吊装方案_第2页
2/11
变压器设备高层吊装方案_第3页
3/11
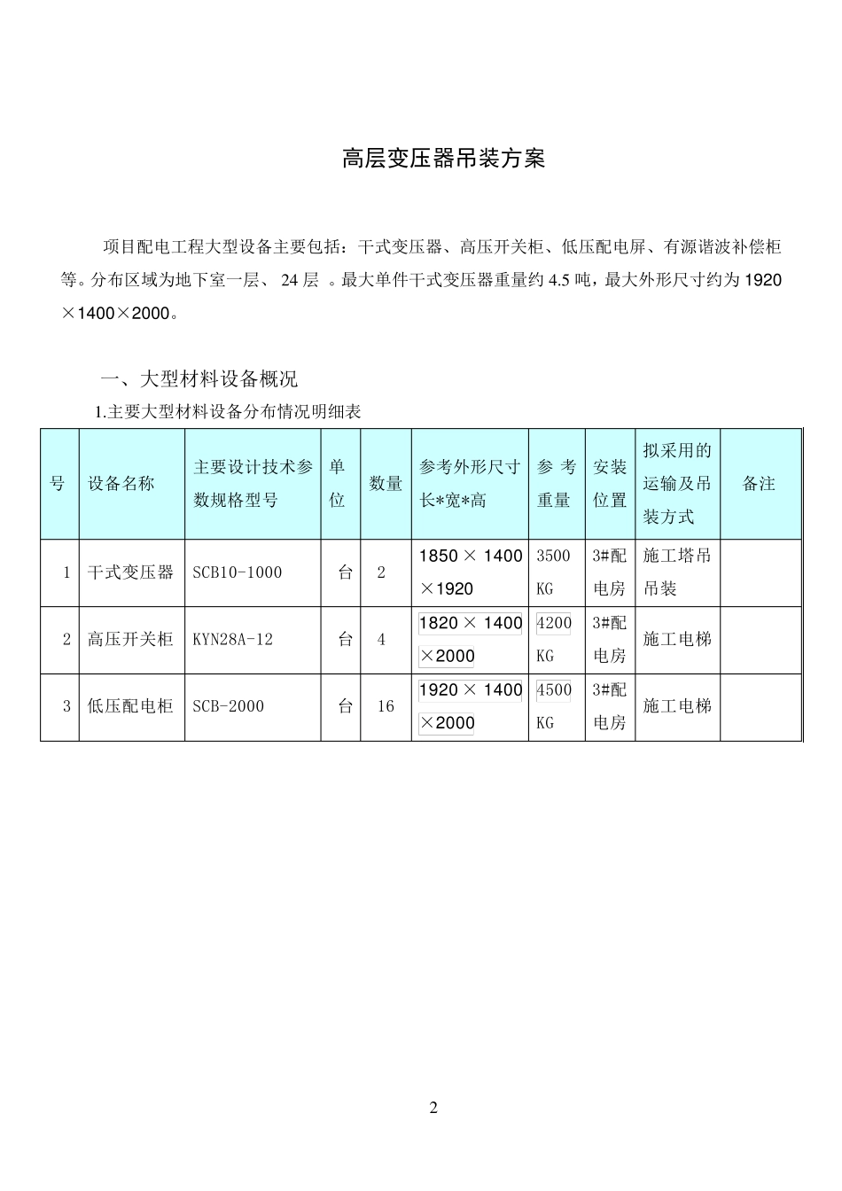
中 航 还 建 楼 高 层 变 压 器 设 备吊 装 方 案 项 目 名 称 : 轨 道 交 通 2 号 线 街 道 口 站 配 套 中 航 还 建 楼 项 目 编 制 单 位 : 武 汉 世纪华翔电力工程有限公司 编 制 日期: 2017 年 8 月 23 日 1 目 录 一、大型材料设备概况 .............................................................................2 二、主要设备竖向分布情况: ..................................................................4 三、施工现场大型设备及材料吊装及垂直运输条件分析 .......................6 四、主要设备的水平运输工艺及措施 ......................................................7 五、施工难点、重点分析 .........................................................................8 六、操作注意事项及安全技术措施 ..........................................................9 七、设备吊装、安装成品保护措施 ..........................................................9 八、节能、环保施工措施 .......................................................................10 2 高层变压器吊装方案 项目配电工程大型设备主要包括:干式变压器、高压开关柜、低压配电屏、有源谐波补偿柜等。分布区域为地下室一层、 2 4 层 。最大单件干式变压器重量约4 .5 吨,最大外形尺寸约为1 9 2 0×1 4 0 0 ×2 0 0 0 。 一、大型材料设备概况 1 .主要大型材料设备分布情况明细表 号 设备名称 主要设计技术参数规格型号 单位 数量 参考外形尺寸 长*宽*高 参 考 重量 安装位置 拟采用的运输及吊装方式 备注 1 干式变压器 SCB10-1000 台 2 1 8 5 0 × 1 4 0 0×1 9 2 0 3500KG 3#配电房 施工塔吊吊装 2 高压开关柜 KYN28A-12 台 4 1 8 2 0 × 1 4 0 0×2 0 0 0 4200KG 3#配电房 施工电梯 3 低压配电柜 SCB-2000 台 16 1 9 2 0 × 1 4 0 0×2 0 0 0 4500KG 3#配电房 施工电梯 3 二、主要设备竖向分布情况: 干式变 压器SCB10-1000 2 台;低压配电屏 16 台;高压开关柜 4 台; 2 6 层 图1 主要设备竖向分布情况表 4 2 .1 主要设备楼层大型设备分布情况: 如图: 2.1 24 层设备平面分布情况图 变压器 低压配电屏 高压...

1、当您付费下载文档后,您只拥有了使用权限,并不意味着购买了版权,文档只能用于自身使用,不得用于其他商业用途(如 [转卖]进行直接盈利或[编辑后售卖]进行间接盈利)。
2、本站所有内容均由合作方或网友上传,本站不对文档的完整性、权威性及其观点立场正确性做任何保证或承诺!文档内容仅供研究参考,付费前请自行鉴别。
3、如文档内容存在违规,或者侵犯商业秘密、侵犯著作权等,请点击“违规举报”。

碎片内容

变压器设备高层吊装方案

您可能关注的文档

确认删除?
VIP
微信客服
  • 扫码咨询
会员Q群
  • 会员专属群点击这里加入QQ群
客服邮箱
回到顶部