电脑桌面
添加小米粒文库到电脑桌面
安装后可以在桌面快捷访问

变压器试验项目和标准VIP专享

变压器试验项目和标准_第1页
1/9
变压器试验项目和标准_第2页
2/9
变压器试验项目和标准_第3页
3/9
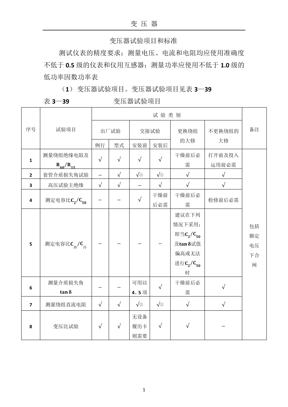
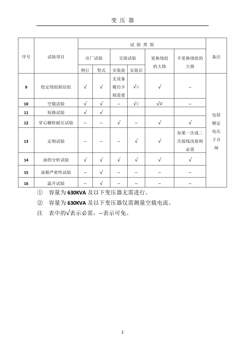
变 压 器 1 变压器试验项目和标准 测试仪表的精度要求;测量电压、电流和电阻均应使用准确度不低于0 .5 级的仪表和仪用互感器;测量功率应使用不低于1 .0 级的低功率因数功率表 (1 ) 变压器试验项目。变压器试验项目见表3 —3 9 表3 —3 9 变压器试验项目 序号 试验项目 试 验 类 别 备注 出厂试验 交接试验 更换绕组 的大修 不更换绕组的大修 例行 型式 安装前 安装后 1 测量绕组绝缘电阻及ᵁᵽ ᵼ ᵁᵼ ᵽ⁄ √ √ √ √ 干燥前后必需 打开前及投入运用前必需 包括 额定 电压 下合 闸 2 套管介质损失角试验 − √ √① √① √ √ 3 高压试验主绝缘 √ √ − √ √ √ 4 测定电容比ᵀᵽᵀᵽ ᵼ⁄ − − √ 干燥前后必需 干燥前后必需 检修前后必需 5 测定电容比ᵀ热 ᵀ冷⁄ − − − − 建议在下列情况下采用;即当ᵀᵽᵀᵽ ᵼ⁄及ᵂᵁᵂ ᵬ试值偏高或无法进行ᵀᵽᵀᵽ ᵼ⁄时 6 测量介质损失角ᵂᵁᵂ ᵬ − − 可用以4 。5 项 √ 干燥前后必需 √ 7 测量绕组直流电阻 √ √ √① √① √ √ 8 变压比试验 √ √ 无设备履历卡则需要 √ √ − 变 压 器 2 序号 试验项目 试 验 类 别 备注 出厂试验 交接试验 更换绕组 的大修 不更换绕组的大修 例行 型式 安装前 安装后 9 校定绕组联结组 √ √ 无设备履历卡则需要 √① √ − 包括 额定 电压 下合 闸 10 空载试验 √ √ − √① √② − 11 短路试验 √ √ 12 穿心螺栓耐压试验 − − √ − √ √ 13 定相试验 − − − √ √ 如果一次或二次接线改接则必需 14 油的分析试验 √ √ √ √ √ √ 15 油箱严密性试验 − √ − − − − 16 温升试验 − √ − − − − ① 容量为 630KVA 及以下变压器无需进行。 ② 容量为 630KVA 及以下变压器仅需测量空载电流。 注 表中的√表示必需,−表示可免。 变 压 器 3 (2) 变压器试验项目、周期和标准。变压器在供电部门及用户的试验项目、周期和标准,见表3—40 表3—40 变压器在供电部门、用户的试 验项目、周期和标准 序 号 项 目 周 期 标 准 说 明 1 测 量 绕 组 的绝缘电阻和吸收比 (1) 交接时 (2) 大修时 (3) 1~3年一次 (1) 交接标准绝缘电阻 见标准; 吸 收 比 在10~30℃...

1、当您付费下载文档后,您只拥有了使用权限,并不意味着购买了版权,文档只能用于自身使用,不得用于其他商业用途(如 [转卖]进行直接盈利或[编辑后售卖]进行间接盈利)。
2、本站所有内容均由合作方或网友上传,本站不对文档的完整性、权威性及其观点立场正确性做任何保证或承诺!文档内容仅供研究参考,付费前请自行鉴别。
3、如文档内容存在违规,或者侵犯商业秘密、侵犯著作权等,请点击“违规举报”。

碎片内容

变压器试验项目和标准

确认删除?
VIP
微信客服
  • 扫码咨询
会员Q群
  • 会员专属群点击这里加入QQ群
客服邮箱
回到顶部