电脑桌面
添加小米粒文库到电脑桌面
安装后可以在桌面快捷访问

变电站设备危险源辨识清单及预控措施

变电站设备危险源辨识清单及预控措施_第1页
1/7
变电站设备危险源辨识清单及预控措施_第2页
2/7
变电站设备危险源辨识清单及预控措施_第3页
3/7
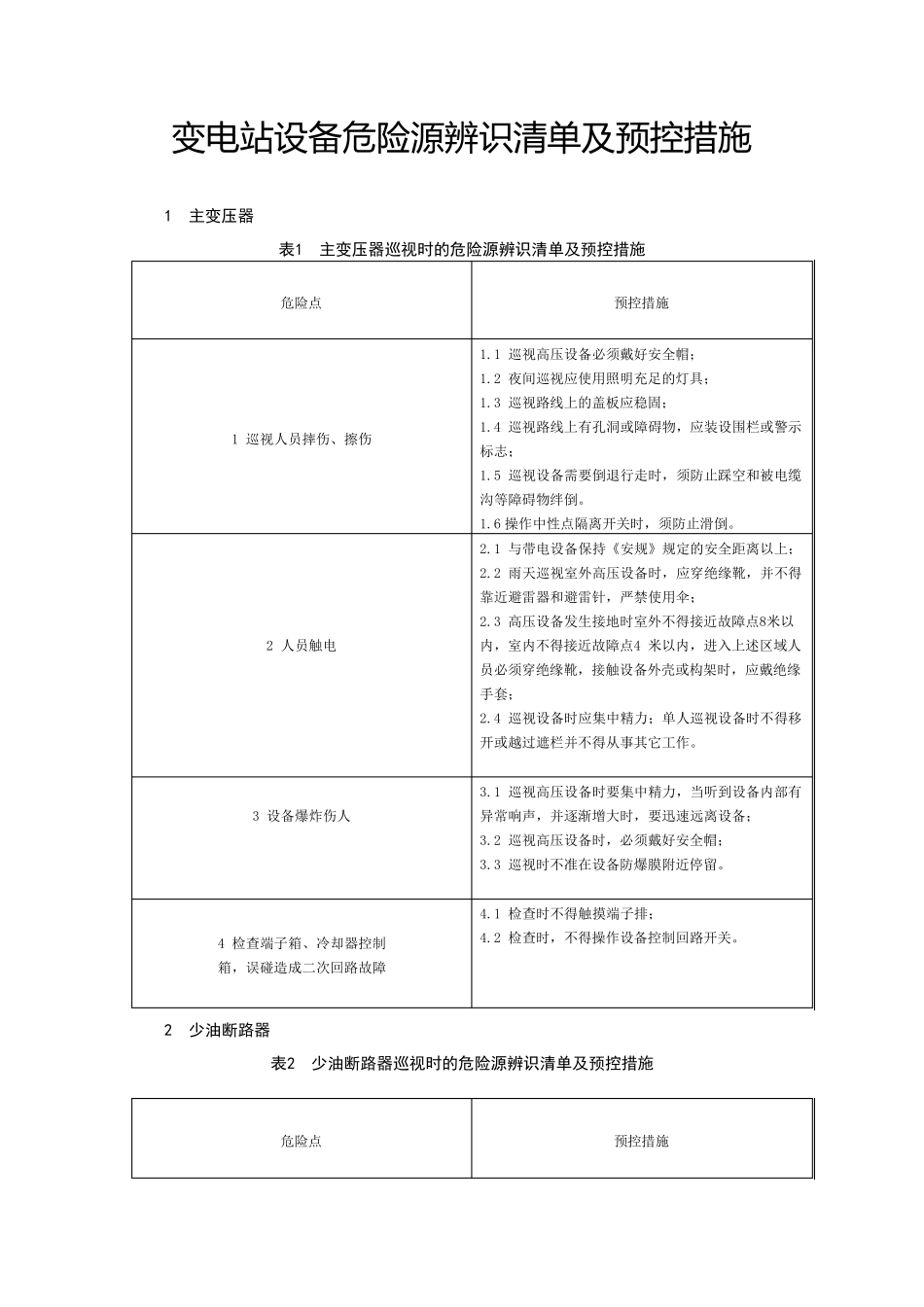
变 电 站 设 备 危 险 源 辨 识 清 单及预控措施 1 主变压器 表1 主变压器巡视时的危险源辨识清单及预控措施 危险点 预控措施 1 巡视人员摔伤、擦伤 1.1 巡视高压设备必须戴好安全帽; 1.2 夜间巡视应使用照明充足的灯具; 1.3 巡视路线上的盖板应稳固; 1.4 巡视路线上有孔洞或障碍物,应装设围栏或警示标志; 1.5 巡视设备需要倒退行走时,须防止踩空和被电缆沟等障碍物绊倒。 1.6 操作中性点隔离开关时,须防止滑倒。 2 人员触电 2.1 与带电设备保持《安规》规定的安全距离以上;2.2 雨天巡视室外高压设备时,应穿绝缘靴,并不得靠近避雷器和避雷针,严禁使用伞; 2.3 高压设备发生接地时室外不得接近故障点8米以内,室内不得接近故障点4 米以内,进入上述区域人员必须穿绝缘靴,接触设备外壳或构架时,应戴绝缘手套; 2.4 巡视设备时应集中精力;单人巡视设备时不得移开或越过遮栏并不得从事其它工作。 3 设备爆炸伤人 3.1 巡视高压设备时要集中精力,当听到设备内部有异常响声,并逐 渐 增 大 时,要迅 速 远 离设备; 3.2 巡视高压设备时,必须戴好安全帽; 3.3 巡视时不准 在 设备防爆膜 附 近停 留 。 4 检 查 端 子 箱 、冷 却 器控制 箱 ,误 碰 造 成 二 次 回 路故障 4.1 检 查 时不得触摸 端 子 排 ; 4.2 检 查 时,不得操作设备控制 回 路开关。 2 少油断路器 表2 少油断路器巡视时的危险源辨识清单及预控措施 危险点 预控措施 1 巡视人员摔伤、擦伤 1.1 巡视高压设备必须戴好安全帽; 1.2 夜间巡视应使用照明充足的灯具; 1.3 巡视路线上的盖板应稳固; 1.4 巡视路线上有孔洞或障碍物,应装设围栏或警示标志; 1.5 巡视设备需要倒退行走时,须防止踩空和被电缆沟等障碍物绊倒。 2 高压油伤人 巡视设备时,当发现操动机构液压系统有喷油现象时,应避开油的喷射方向将电机电源断开,迅速远离设备。 3 人员触电 3 .1 与带电设备保持《安规》规定的安全距离以上; 3 .2 雨天巡视室外高压设备时,应穿绝缘靴,并不得靠近避雷器和避雷针,严禁使用伞; 3 .3 巡视设备时应集中精力;单人巡视设备时不得移开或越过遮栏并不得从事其它工作。 4 设备爆炸伤人 4 .1 巡视高压设备要集中精力,当听到设备内部有异常响声,并逐渐增大时,要迅速远离设备; 4 .2 巡视高压设备,必须戴好安全帽。 5 检...

1、当您付费下载文档后,您只拥有了使用权限,并不意味着购买了版权,文档只能用于自身使用,不得用于其他商业用途(如 [转卖]进行直接盈利或[编辑后售卖]进行间接盈利)。
2、本站所有内容均由合作方或网友上传,本站不对文档的完整性、权威性及其观点立场正确性做任何保证或承诺!文档内容仅供研究参考,付费前请自行鉴别。
3、如文档内容存在违规,或者侵犯商业秘密、侵犯著作权等,请点击“违规举报”。

碎片内容

变电站设备危险源辨识清单及预控措施

您可能关注的文档

小辰8+ 关注
实名认证
内容提供者

出售各种资料和文档

确认删除?
VIP
微信客服
  • 扫码咨询
会员Q群
  • 会员专属群点击这里加入QQ群
客服邮箱
回到顶部