电脑桌面
添加小米粒文库到电脑桌面
安装后可以在桌面快捷访问

可靠性增长试验及其评价方法

可靠性增长试验及其评价方法_第1页
1/10
可靠性增长试验及其评价方法_第2页
2/10
可靠性增长试验及其评价方法_第3页
3/10
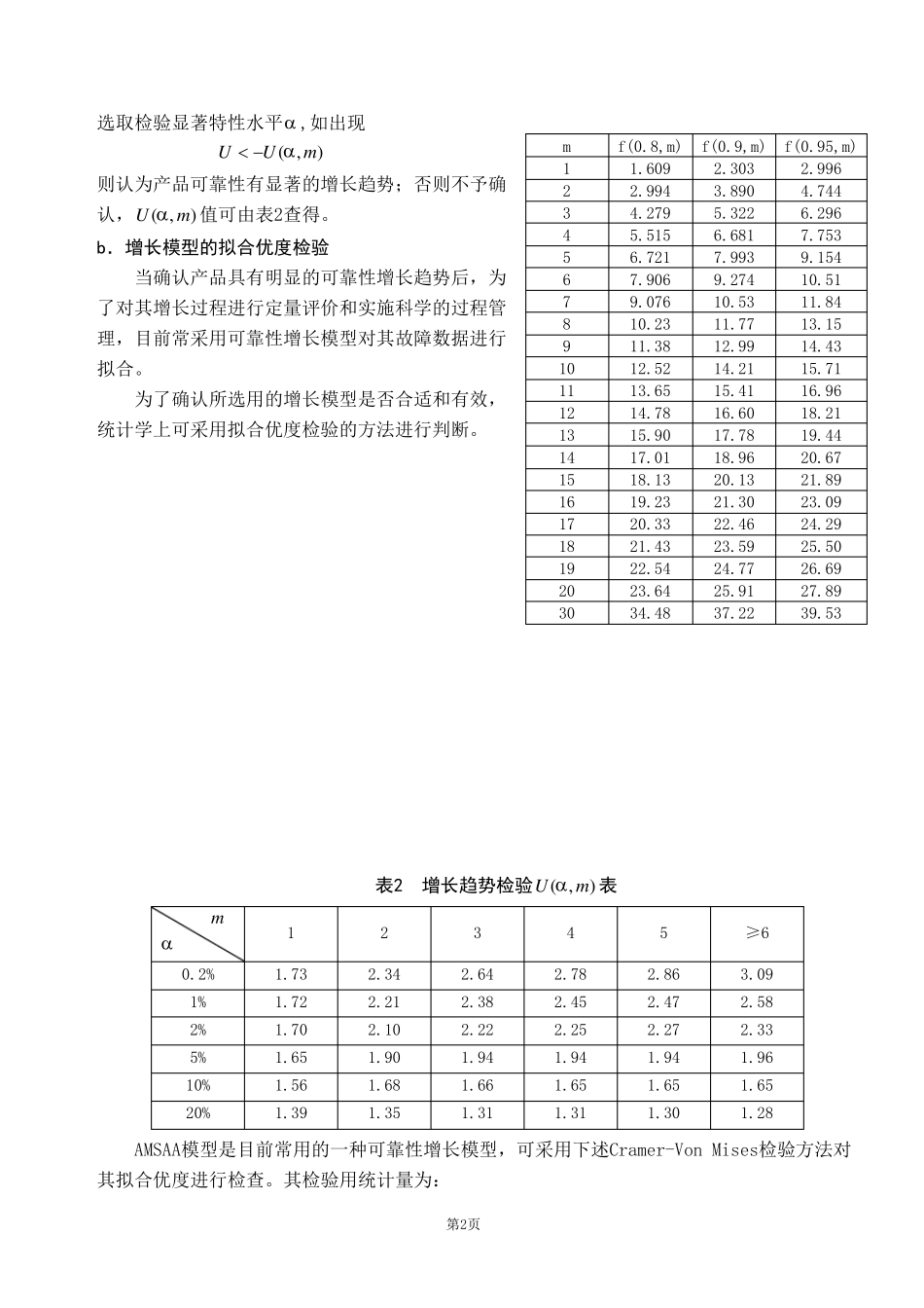
第1页 可靠性增长试验及其评价方法 3.可靠性增长试验试验数据的处理 由于产品在可靠性增长试验过程中,受试产品的技术状态处于不断地变化之中,其故障率也在不断地变动,因此可靠性增长过程中的产品,不能采用指数分布的假设对其故障数据进行处理。除非在产品每次状态发生变化后,单独进行一次该状态下的可靠性试验,来评价变化后的可靠性水平,但这样做,费时费钱,工程上很难支持这种做法。 a.增长趋势有效性检验 为了对产品可靠性增长试验中发生的故障数据进行有效地处理与分析,以便对可靠性增长过程实施科学地监控。根据统计数据处理的一般要求,必须首先对所获得的故障数据,进行增长趋势的有效性检验。其目的是确认产品经过不断地设计和制造工艺等方面的改进后,其可靠性是否已有明显提高(统计意义上)。 增长趋势有效性检验的方法,可借用国际标准IEC 60605-6或国标GB 5080.6推荐的关于恒定失效率假设的有效性检验方法,其具体方法如下: 设受试产品总数为n 个,Ti为发生第i 次故障时所有参试产品的总累积有效试验时间(ri,,2,1),T 为试验中止 时所有受试产品的总累积有效试验时间 。当 第r 个故障发生时试验立 即 中止 ,有TrT ; 否则 在其它 时间 中止 ,有TrT 。按 下式 求出 检验用统计量 值 : miTiT1ln (1) 其中 当TrT 时 当TrT 时 选 取 检验显著 性水平C1,这里 C 为置 信 度 ,常 取 90%和95%,如出 现 ),(mcf 则 可认为该产品具有显著 的可靠性增长趋势,否则 不能确认其可靠性有明显的增长趋势。),(mcf值 可由表 1查 得。 在MIL-HDBK-781 和GJB 1407 中,还 推荐了另 一种用于确认产品可靠性增长趋势的U检验法。即 先求出 检验用统计量 U的值 1221mTmTtUmii (2) 式 中mTti,,意义同 (1)式 规 定。 表1 增长趋势检验),(mcf表   rrm1第2页 选取检验显著特性水平 ,如出现 ),(mUU 则认为产品可靠性有显著的增长趋势;否则不予确认,),(mU 值可由表2查得。 b.增长模型的拟合优度检验 当确认产品具有明显的可靠性增长趋势后,为了对其增长过程进行定量评价和实施科学的过程管理,目前常采用可靠性增长模型对其故障数据进行拟合。 为了确认所选用的增长模型是否合适和有效,统计学上可采用拟合优度检验的方法进行判断。 表2 增长趋势检验),(mU 表 m  1 2 3 4...

1、当您付费下载文档后,您只拥有了使用权限,并不意味着购买了版权,文档只能用于自身使用,不得用于其他商业用途(如 [转卖]进行直接盈利或[编辑后售卖]进行间接盈利)。
2、本站所有内容均由合作方或网友上传,本站不对文档的完整性、权威性及其观点立场正确性做任何保证或承诺!文档内容仅供研究参考,付费前请自行鉴别。
3、如文档内容存在违规,或者侵犯商业秘密、侵犯著作权等,请点击“违规举报”。

碎片内容

可靠性增长试验及其评价方法

小辰6+ 关注
实名认证
内容提供者

出售各种资料和文档

相关文档

确认删除?
VIP
微信客服
  • 扫码咨询
会员Q群
  • 会员专属群点击这里加入QQ群
客服邮箱
回到顶部