电脑桌面
添加小米粒文库到电脑桌面
安装后可以在桌面快捷访问

台账设备基本资料卡

台账设备基本资料卡_第1页
1/11
台账设备基本资料卡_第2页
2/11
台账设备基本资料卡_第3页
3/11
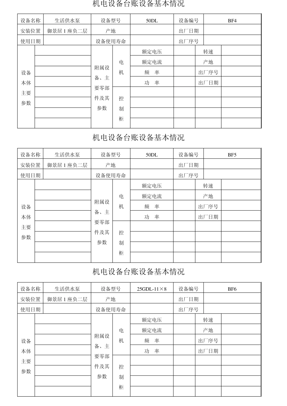
机电设备台账设备基本情况 设备名称 生活供水泵 设备型号 Y 132S2-2 设备编号 BF1 安装位置 愉安路25 号旁 产地 出厂日期 使用日期 设备使用寿命 出厂序号 设备本体主要参数 附属设备、主要零部件及其参数 电 机 额定电压 转速 额定电流 产地 频 率 出厂序号 功 率 出厂日期 控 制 柜 机电设备台账设备基本情况 设备名称 生活供水泵 设备型号 Y 132S2-2 设备编号 BF2 安装位置 愉安路25 号旁 产地 出厂日期 使用日期 设备使用寿命 出厂序号 设备本体主要参数 附属设备、主要零部件及其参数 电 机 额定电压 转速 额定电流 产地 频 率 出厂序号 功 率 出厂日期 控 制 柜 机电设备台账设备基本情况 设备名称 生活水泵 设备型号 50DL 设备编号 BF3 安装位置 御景居 1 座负二层 产地 出厂日期 使用日期 设备使用寿命 出厂序号 设备本体主要参数 附属设备、主要零部件及其参数 电 机 额定电压 转速 额定电流 产地 频 率 出厂序号 功 率 出厂日期 控 制 柜 机电设备台账设备基本情况 设备名称 生活供水泵 设备型号 50DL 设备编号 BF4 安装位置 御景居1 座负二层 产地 出厂日期 使用日期 设备使用寿命 出厂序号 设备本体主要参数 附属设备、主要零部件及其参数 电 机 额定电压 转速 额定电流 产地 频 率 出厂序号 功 率 出厂日期 控 制 柜 机电设备台账设备基本情况 设备名称 生活供水泵 设备型号 50DL 设备编号 BF5 安装位置 御景居1 座负二层 产地 出厂日期 使用日期 设备使用寿命 出厂序号 设备本体主要参数 附属设备、主要零部件及其参数 电 机 额定电压 转速 额定电流 产地 频 率 出厂序号 功 率 出厂日期 控 制 柜 机电设备台账设备基本情况 设备名称 生活供水泵 设备型号 25GDL-11×8 设备编号 BF6 安装位置 御景居1 座负二层 产地 出厂日期 使用日期 设备使用寿命 出厂序号 设备本体主要参数 附属设备、主要零部件及其参数 电 机 额定电压 转速 额定电流 产地 频 率 出厂序号 功 率 出厂日期 控 制 柜 机电设备台账设备基本情况 设备名称 生活供水泵 设备型号 50DL 设备编号 BF7 安装位置 御峰居2 座负二层 产地 出厂日期 使用日期 设备使用寿命 出厂序号 设备本体主要参数 附属设备、主要零部件及其参数 电 机 额定电...

1、当您付费下载文档后,您只拥有了使用权限,并不意味着购买了版权,文档只能用于自身使用,不得用于其他商业用途(如 [转卖]进行直接盈利或[编辑后售卖]进行间接盈利)。
2、本站所有内容均由合作方或网友上传,本站不对文档的完整性、权威性及其观点立场正确性做任何保证或承诺!文档内容仅供研究参考,付费前请自行鉴别。
3、如文档内容存在违规,或者侵犯商业秘密、侵犯著作权等,请点击“违规举报”。

碎片内容

台账设备基本资料卡

确认删除?
VIP
微信客服
  • 扫码咨询
会员Q群
  • 会员专属群点击这里加入QQ群
客服邮箱
回到顶部