电脑桌面
添加小米粒文库到电脑桌面
安装后可以在桌面快捷访问

台车式电阻炉测试报告(热处理炉检测报告)

台车式电阻炉测试报告(热处理炉检测报告)_第1页
1/6
台车式电阻炉测试报告(热处理炉检测报告)_第2页
2/6
台车式电阻炉测试报告(热处理炉检测报告)_第3页
3/6
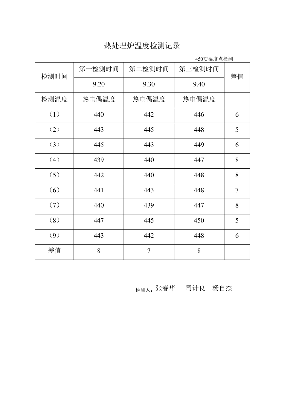
箱式电阻炉测试报告 (热处理炉检测报告) 编号:RCL/LJ2013--01 1. 测试人员:张春华 司计良 杨自杰 2. 测试时间:2013 年6 月14 日 3. 测试设备:直流电位差计UJ33a 转换开关,NiCrNiSi 热电偶 4. 实施条件:空载 5. 结论:经对450℃,650℃,850℃,950℃温度点 9 个测试位置的测试,结果证明该炉符合 GB/T9452-2003《热处理炉有效加热区测定方法》的Ⅲ类热处理炉标准(保温精度 8℃)能满足我公司热处理工艺要求。 报告人: 张志理 报告日期:2013 年6 月15 日 热处理炉名称 箱式电阻炉 型号 RT2-75-9 使用温度 0---1000℃ 精度 8 保温精度类别 Ⅲ 有效加热区图示 125678493 说明: 1,2,3,4 为顶部; 5,6,7,8,为底部; 9 为炉的中心; 检测日期 2013 年 6 月 14 日 下次检测日期 2014 年 6 月 13 日 责任者 张志理 日期 2013 年 6 月 15 日 批准者 高亚辉 日期 2013 年 6 月 15 日 热处理炉温度检测记录 4 5 0 ℃温度点检测 检测时间 第一检测时间 第二检测时间 第三检测时间 差值 9 .2 0 9 .3 0 9 .4 0 检测温度 热电偶温度 热电偶温度 热电偶温度 (1 ) 4 4 0 4 4 2 4 4 6 6 (2 ) 4 4 3 4 4 5 4 4 8 5 (3 ) 4 4 5 4 4 3 4 4 9 6 (4 ) 4 3 9 4 4 0 4 4 7 8 (5 ) 4 4 2 4 4 0 4 4 8 8 (6 ) 4 4 1 4 4 3 4 4 8 7 (7 ) 4 4 0 4 3 9 4 4 7 8 (8 ) 4 4 7 4 4 5 4 5 0 5 (9 ) 4 4 3 4 4 2 4 4 8 6 差值 8 7 8 检测人:张春华 司计良 杨自杰 热处理炉温度检测记录 6 5 0 ℃温度点检测 检测时间 第一检测时间 第二检测时间 第三检测时间 差值 1 0 .2 0 1 0 .3 0 1 0 .4 0 检测温度 热电偶温度 热电偶温度 热电偶温度 (1 ) 6 4 6 6 4 7 6 4 9 3 (2 ) 6 4 1 6 4 5 6 4 9 8 (3 ) 6 4 5 6 4 3 6 4 9 6 (4 ) 6 3 8 6 4 1 6 4 6 8 (5 ) 6 4 2 6 4 1 6 4 8 7 (6 ) 6 4 1 6 4 7 6 4 4 6 (7 ) 6 4 0 6 4 1 6 4 4 4 (8 ) 6 4 5 6 4 4 6 5 0 6 (9 ) 6 4 4 6 4 7 6 4 8 6 差值 8 6 7 检测人:张春华 司计良 杨自杰 热处理炉温度检测记录 8...

1、当您付费下载文档后,您只拥有了使用权限,并不意味着购买了版权,文档只能用于自身使用,不得用于其他商业用途(如 [转卖]进行直接盈利或[编辑后售卖]进行间接盈利)。
2、本站所有内容均由合作方或网友上传,本站不对文档的完整性、权威性及其观点立场正确性做任何保证或承诺!文档内容仅供研究参考,付费前请自行鉴别。
3、如文档内容存在违规,或者侵犯商业秘密、侵犯著作权等,请点击“违规举报”。

碎片内容

台车式电阻炉测试报告(热处理炉检测报告)

小辰5+ 关注
实名认证
内容提供者

出售各种资料和文档

确认删除?
VIP
微信客服
  • 扫码咨询
会员Q群
  • 会员专属群点击这里加入QQ群
客服邮箱
回到顶部