电脑桌面
添加小米粒文库到电脑桌面
安装后可以在桌面快捷访问

QTZ塔吊安拆方案

QTZ塔吊安拆方案_第1页
1/16
QTZ塔吊安拆方案_第2页
2/16
QTZ塔吊安拆方案_第3页
3/16
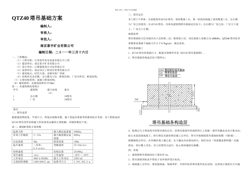
精品文档---下载后可任意编辑QTZ40 塔吊基础方案编制人:审核人:审批人:南京泰宇矿业有限公司编制日期:二 0 一一年三月十六日一、工程概况:(1)工程名称:江苏波华发电设备有限公司工程(2)建设单位:南京泰宇矿业有限公司(3)设计单位:江都建筑设计讨论有限公司 (4)监理单位:南京同正工程项目管理有限公司(5)建设地点:时代大道,金陵双客厂西面(6)结构形式及层数:办公楼为 3 层,框架结构;厂房为单层,框架结构。(7)主要结构类型:混凝土框架结构; (8)建筑面积:总建筑面积约 5718m2表一:各建筑物高度统计序号建筑物最大高度(m)备注1办公楼1#塔吊2厂房1#塔吊备注二、塔吊选型根据建筑物高度、平面尺寸、料场及道路布置、施工需起吊重量等因素的综合考虑,本工程拟选用QTZ40 塔吊用作结构施工阶段垂直运输的主要机械,详细参数如下表:表二:QTZ40 塔机主要参数起重力矩最大额定起重量4000kg有效工作幅度3~47m最大幅度额定起重量800kg自由高度30m附着高度100m起升速度二倍率:6.9 m/min变幅速度35/24m/min回转速度结构自重24100kg顶升速度/min工作温度-20℃~+40℃工作电压380V±5%50Hz最大工作风压250N/m2主肢材料规格140*140*12 mm标准节尺寸1.5*1.5*2.2 m三、塔吊定位本工程 2 个单体,全部拟使用 QTZ40 塔吊,使用数量 1 台,第一阶段结构施工使用数量 1 台,办公楼与厂房之间使用一台 QTZ40 塔吊,具体各建筑物塔吊基础定位如下:办公楼与厂房之间,厂区主干道上,厂房大门左侧。地基处理塔吊基础持力层为场区内土层的第二层:粉质粘土层,该层地基土承载力为 180KPa,QTZ40 塔吊技术参数要求基础下地耐力不小于 0.7kg/cm2,满足需求。塔吊基础施工 1、QTZ40 塔吊的基础尺寸、配筋及预埋件详见《QTZ40 塔吊基础图》。2、塔吊基础各构造层如下图所示:3、按图示尺寸和深度开挖塔吊基坑以后,沿塔吊基础开挖面四周人工挖掘一条环形截水沟及小集水坑,防止水流浸泡地基土。碎石垫层及素砼垫层施工完毕后,即可开始砌筑塔吊基础砖胎膜(120 墙)。胎膜砌筑完毕后,在外侧回填土壤之前,先于截水沟内填充碎石,制作盲沟(顶部覆盖塑料膜)实施排水,再行覆土夯实。夯土时要用力适中,防止将砖墙挤压倾覆。四、其他 1、建筑物塔吊基础均位于基坑外 4m。2、塔吊基础顶标高不得高于室外场坪设计标高。3、基础施工完毕后,要加强保温、保湿养护,并制作标养和同条件抗压试块,达到设计强度...

1、当您付费下载文档后,您只拥有了使用权限,并不意味着购买了版权,文档只能用于自身使用,不得用于其他商业用途(如 [转卖]进行直接盈利或[编辑后售卖]进行间接盈利)。
2、本站所有内容均由合作方或网友上传,本站不对文档的完整性、权威性及其观点立场正确性做任何保证或承诺!文档内容仅供研究参考,付费前请自行鉴别。
3、如文档内容存在违规,或者侵犯商业秘密、侵犯著作权等,请点击“违规举报”。

碎片内容

QTZ塔吊安拆方案

确认删除?
VIP
微信客服
  • 扫码咨询
会员Q群
  • 会员专属群点击这里加入QQ群
客服邮箱
回到顶部