电脑桌面
添加小米粒文库到电脑桌面
安装后可以在桌面快捷访问

吊车吊装方案计算

吊车吊装方案计算_第1页
1/11
吊车吊装方案计算_第2页
2/11
吊车吊装方案计算_第3页
3/11
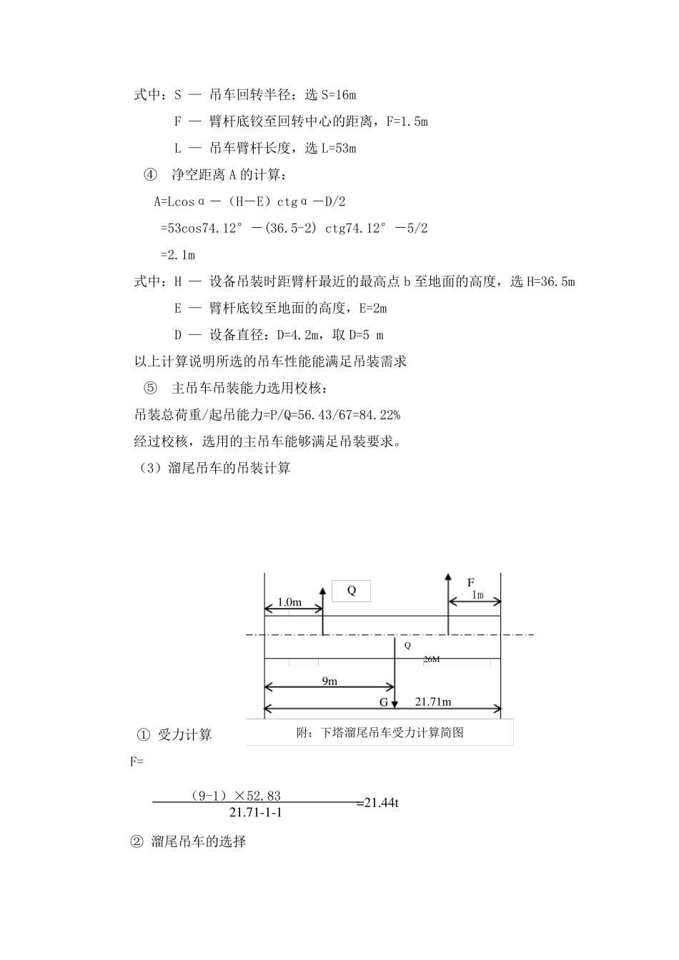
8.1、主冷箱内大件设备的吊装计算 (一)下塔的吊装计算 (1)下塔的吊装参数 设备直径:φ4.2m 设备高度:21.71m 设备总重量:52.83T (2)主吊车吊装计算 ① 设备吊装总荷重: P=PQ +PF =52.83+3.6 =56.43t 式中:PQ — 设备吊装自重 PQ =52.83t PF — 设备吊装吊索及平衡梁的附加重量,取PF =3.6t ② 主吊车性能预选用为:选用260T 履带吊(型号中联重科QUY260) 回转半径:16m 臂杆长度:53m 起吊能力:67t 履带跨距:7.6 m 臂杆形式:主臂形式 吊装采用特制平衡梁 钩头选用160t/100t 吊钩,钩头重量为2.8 吨 吊车站位:冷箱的西面 ③ 臂杆倾角计算: α=arc cos(S-F)/L = arc cos(16-1.5)/53 =74.12° H A D1 h b c F O E α 回 转 中 心 臂杆中心L d S 附:上塔(上段)吊车臂杆长度和倾角计算简图 H1 下塔 式中:S — 吊车回转半径:选S=16m F — 臂杆底铰至回转中心的距离,F=1.5m L — 吊车臂杆长度,选L=53m ④ 净空距离A 的计算: A=Lcosα-(H-E)ctgα-D/2 =53cos74.12°-(36.5-2) ctg74.12°-5/2 =2.1m 式中:H — 设备吊装时距臂杆最近的最高点 b 至地面的高度,选H=36.5m E — 臂杆底铰至地面的高度,E=2m D — 设备直径:D=4.2m,取 D=5 m 以上计算说明所选的吊车性能能满足吊装需求 ⑤ 主吊车吊装能力选用校核: 吊装总荷重/起吊能力=P/Q=56.43/67=84.22% 经过校核,选用的主吊车能够满足吊装要求。 (3)溜尾吊车的吊装计算 ① 受力计算 F= ② 溜尾吊车的选择 (9-1)×52.83 21.71-1-1 =21.44t Q 26M 1.0m 1m 9m Q G 21.71m F 附:下塔溜尾吊车受力计算简图 辅助吊车选用为:75T 汽车吊 臂杆长度:12m; 回转半径:7m; 起吊能力:36t; 吊装安全校核:因为21.44t〈36t,所以75T 汽车吊能够满足吊装要求。 (二)、上塔(上段)的吊装计算 (1)上塔上段的吊装参数 设备直径:φ3.6m 设备高度:11.02m 设备重:17.35T 安装高度:45米 附:吊装臂杆长度和倾角计算简图 (2)主吊车吊装计算 ① 设备吊装总荷重: P=PQ +PF=17.35+3.6=20.95t 式中:PQ — 设备吊装自重 PQ =17.35t PF — 设备吊装吊索及平衡梁的附加重量,取 PF =3.6t ② 主吊车性能预选用为:选用260T 履带吊(型号中联重科 QUY260) 回转半径:16m 主臂杆长度:59m 副臂杆长度:27m 起吊...

1、当您付费下载文档后,您只拥有了使用权限,并不意味着购买了版权,文档只能用于自身使用,不得用于其他商业用途(如 [转卖]进行直接盈利或[编辑后售卖]进行间接盈利)。
2、本站所有内容均由合作方或网友上传,本站不对文档的完整性、权威性及其观点立场正确性做任何保证或承诺!文档内容仅供研究参考,付费前请自行鉴别。
3、如文档内容存在违规,或者侵犯商业秘密、侵犯著作权等,请点击“违规举报”。

碎片内容

吊车吊装方案计算

确认删除?
VIP
微信客服
  • 扫码咨询
会员Q群
  • 会员专属群点击这里加入QQ群
客服邮箱
回到顶部