电脑桌面
添加小米粒文库到电脑桌面
安装后可以在桌面快捷访问

含氟废气的净化技术

含氟废气的净化技术_第1页
1/7
含氟废气的净化技术_第2页
2/7
含氟废气的净化技术_第3页
3/7
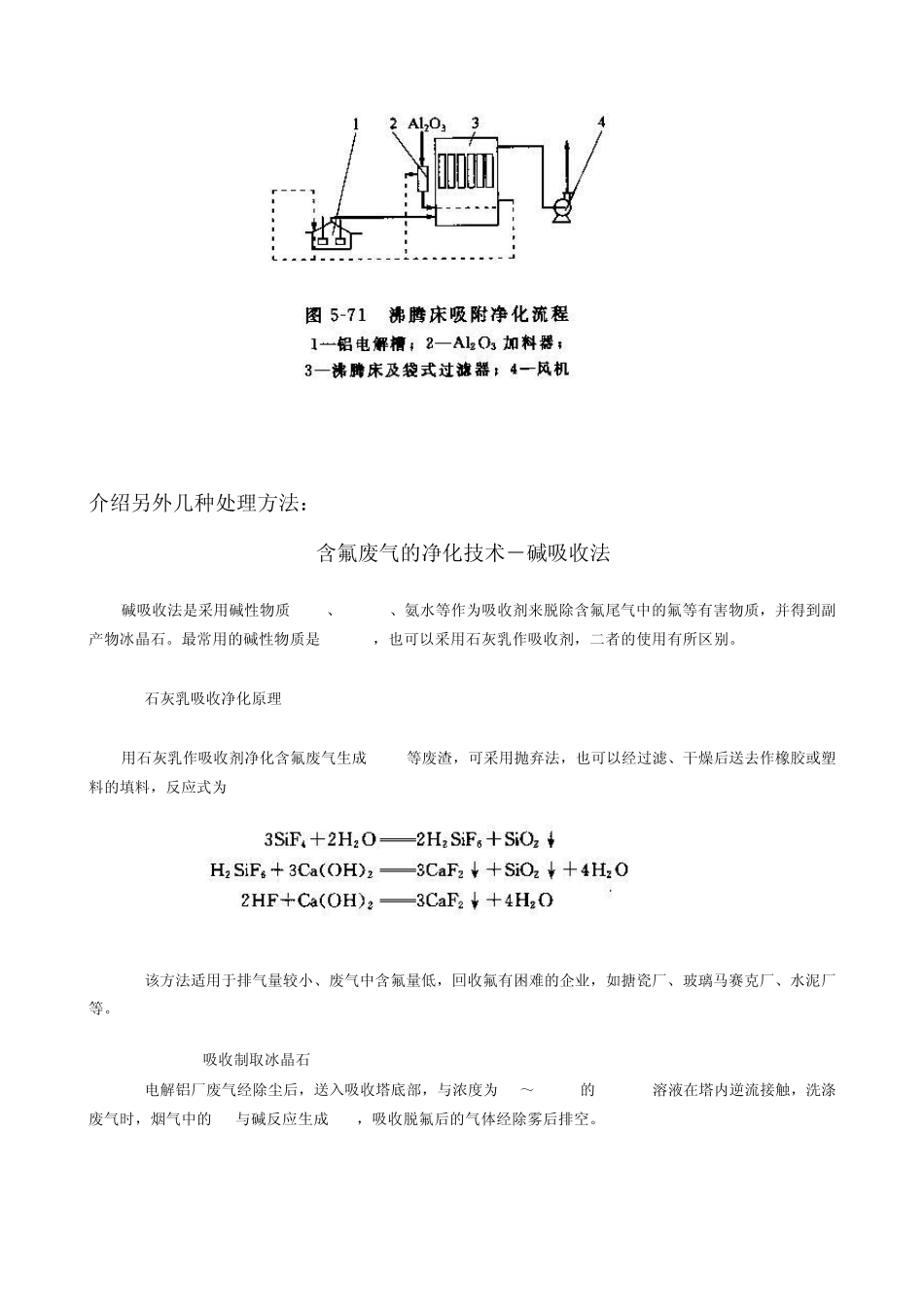
含氟废气的净化技术-吸附净化法 含氟废气的净化技术 氟化物主要指氟化氯(HF)和四氟化硅(SiF4),是大气中的主要污染物之一。主要来源于化工行业的磷肥、冶金行业的铝厂、建材行业的陶瓷、玻璃、水 泥、砖瓦等生产过程。大量的研究证明,微量氟及其化合物也会对人类和动物的机体造成极严重的后果。净化含氟废气的主要方法有湿法吸收和干法吸附。目前,工 业含氟废气多采用湿法吸收工艺,根据吸收剂不同又将吸收净化法分为水吸收法和碱吸收法。 吸附净化法是将含氟废气通过装填有固体吸附剂的吸附装置,使氟化氢与吸附剂发生反应,达到除氟的目的。可采用工业氧化铝、氧化钙、氢氧化钙等作吸附剂。在 净化铝电解厂烟气常采用的吸附剂是工业氧化铝。铝厂含氟烟气吸附法净化具有如下特点;吸附剂是铝电解的原料氧化铝,吸附氟化氢的氧化铝可直接进人电解铝生 产中,不存在吸附剂再生间题;净化效率高,一般在 98%以上;干法净化不存在含氟废水,避免了二次污染;和其他方法相比,干法净化基建费用和运行费用都比 较低,可适用于各种气候条件,特别是北方冬季,不存在保温防冻问题。 (1)净化原理 氟化铝对 HF的吸附主要是化学吸附,同时伴有物理吸附,吸附的结果是在氧化铝表面上生成表面化合物—氟化铝,其具体过程包括如下几个步骤。 ①HF在气相中的扩散; ②扩散的 HF通过氧化铝表面的气膜到达其表面; ③HF被吸附在氧化铝的表面上; ④被吸附的HF与氧化铝发生化学反应,生成表面化合物(AlF3)。 在较低的温度下有利于上述反应向右进行。由于这种化学吸附反应速率快,所以用氧化铝吸附 HF属于气膜控制,HF浓度越高,气相传质推动力越大,越有利于吸 附过程的进行。因此加强铝电解槽的密闭性,防止泄漏,尽量提高烟气中 HF浓度,既有利于吸附,又改善了车间内的操作环境。 (2)氧化铝的性质对吸附的影响 ①氧化铝晶型对吸附容量有很大影响,γ 型氧化铝的吸附容量大; ②氧化铝的比表面积越大,吸附容量也越大; ③氧化铝湿度大小直接影响吸附净化能力。 另外,分子中的结晶水也影响吸附能力,一般在一定温度时焙烧,脱去部分结晶水,增强活性,但当分于中的洁净水全部失掉后,γ -Al2O3,将转变成α -A12O3,吸附能力大大降低。 (3)净化流程 氧化铝与烟气中的氟化氢接触后,吸附反应速度很快,反应几乎在 0.1S内即可完成。干法吸附净化流程有输送床吸附工艺和沸腾床吸附工艺等。 ①输送床吸附净化流程输送床吸附流程...

1、当您付费下载文档后,您只拥有了使用权限,并不意味着购买了版权,文档只能用于自身使用,不得用于其他商业用途(如 [转卖]进行直接盈利或[编辑后售卖]进行间接盈利)。
2、本站所有内容均由合作方或网友上传,本站不对文档的完整性、权威性及其观点立场正确性做任何保证或承诺!文档内容仅供研究参考,付费前请自行鉴别。
3、如文档内容存在违规,或者侵犯商业秘密、侵犯著作权等,请点击“违规举报”。

碎片内容

含氟废气的净化技术

小辰7+ 关注
实名认证
内容提供者

出售各种资料和文档

确认删除?
VIP
微信客服
  • 扫码咨询
会员Q群
  • 会员专属群点击这里加入QQ群
客服邮箱
回到顶部