电脑桌面
添加小米粒文库到电脑桌面
安装后可以在桌面快捷访问

哈工大20052006互换性与测量技术基础试卷及答案

哈工大20052006互换性与测量技术基础试卷及答案_第1页
1/17
哈工大20052006互换性与测量技术基础试卷及答案_第2页
2/17
哈工大20052006互换性与测量技术基础试卷及答案_第3页
3/17
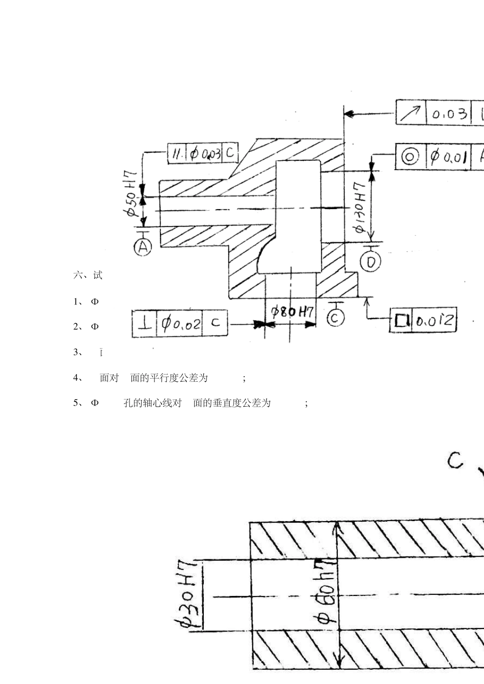
哈工大2005~2006 学年期末《互换性与测量技术》试题 一、填空(20分) 1、国标规定矩形花键配合的定心方式为——————,配合尺寸有————、————、————。 2、现代工业对齿轮传动的使用要求归纳起来有四项,分别为 ——————、——————、——————、——————。 3、基准制分为 ——————和——————。 4、一零件表面切削加工要求轮廓的算术平均偏差 Ra为 6.3μm,在 零件图 上 标注为——————。 5、滚 动轴 承 内 圈 与 轴 颈 的配合采 用基————制,外 圈 与 外 壳 孔 的配合采 用基————制。 6、孔 在 图 样 上 的标注 为φ80Js8, 已 知IT8=45μm, 其 基 本 偏 差 为————, 该孔 的 最 大 实 体 尺 寸 为 ————mm,最 小 实 体 尺寸为————mm。 7、在 选 择 孔 、轴 配合的基准制时 ,一般 情 况 下 ,应 优 先 选 用————。 8、齿轮传动准确 性 的评 定指 标规有——————、——————、—————。 二 、已 知 下 列 配合,画 出 其 公 差带 图 ,指 出 其 基准制,配合种 类 ,并 求出 其 配合的极 限 盈 、隙 。(20分) 1、φ20H8(0 3 3.00)/f7(0 2 0.00 4 1.0) 2、φ40H6(0 1 6.00)/m5(0 2 0.00 0 9.0) 三 、判 断 题 (对打 “ ∨ ” 错 打 “ ╳ ” 填入 括号内 )(10分) ( )1、最大极限尺寸一定大于基本尺寸,最小极限尺寸一定小于基本尺寸。 ( )2、公差是指允许尺寸的变动量。 ( )3、一般以靠近零线的那个偏差作为基本偏差。 ( ) 4、在间隙配合中,孔的公差带都处于轴的公差带的下方。 ( )5、位置公差就是位置度公差的简称,故位置度公差可以控制所有的位置误差。 ( )6、表面粗糙度符号的尖端可以从材料的外面或里面指向被注表面。 ( )7、测表面粗糙度时,取样长度过短不能反映表面粗糙度的真实情况,因此越长越好。 ( )8、螺纹的精度分为精密、中等、粗糙三个级别。 ( )9、螺纹的公称直径是指螺纹的大径。 ( )10、切向综合误差ΔFi′ 是评 定齿 轮 传 动平 稳 性 的误差指标 。 四 、下列 各 组 配合,已 知表中的数值,解算空格中的数值,并填入表中。(10分) 基本尺寸 孔 轴 Xmax或Ymin Xmin或Ymax Tf ES EI TD Es ei Td Φ50 0 ...

1、当您付费下载文档后,您只拥有了使用权限,并不意味着购买了版权,文档只能用于自身使用,不得用于其他商业用途(如 [转卖]进行直接盈利或[编辑后售卖]进行间接盈利)。
2、本站所有内容均由合作方或网友上传,本站不对文档的完整性、权威性及其观点立场正确性做任何保证或承诺!文档内容仅供研究参考,付费前请自行鉴别。
3、如文档内容存在违规,或者侵犯商业秘密、侵犯著作权等,请点击“违规举报”。

碎片内容

哈工大20052006互换性与测量技术基础试卷及答案

小辰5+ 关注
实名认证
内容提供者

出售各种资料和文档

确认删除?
VIP
微信客服
  • 扫码咨询
会员Q群
  • 会员专属群点击这里加入QQ群
客服邮箱
回到顶部