电脑桌面
添加小米粒文库到电脑桌面
安装后可以在桌面快捷访问

商业企业评审标准

商业企业评审标准_第1页
1/34
商业企业评审标准_第2页
2/34
商业企业评审标准_第3页
3/34
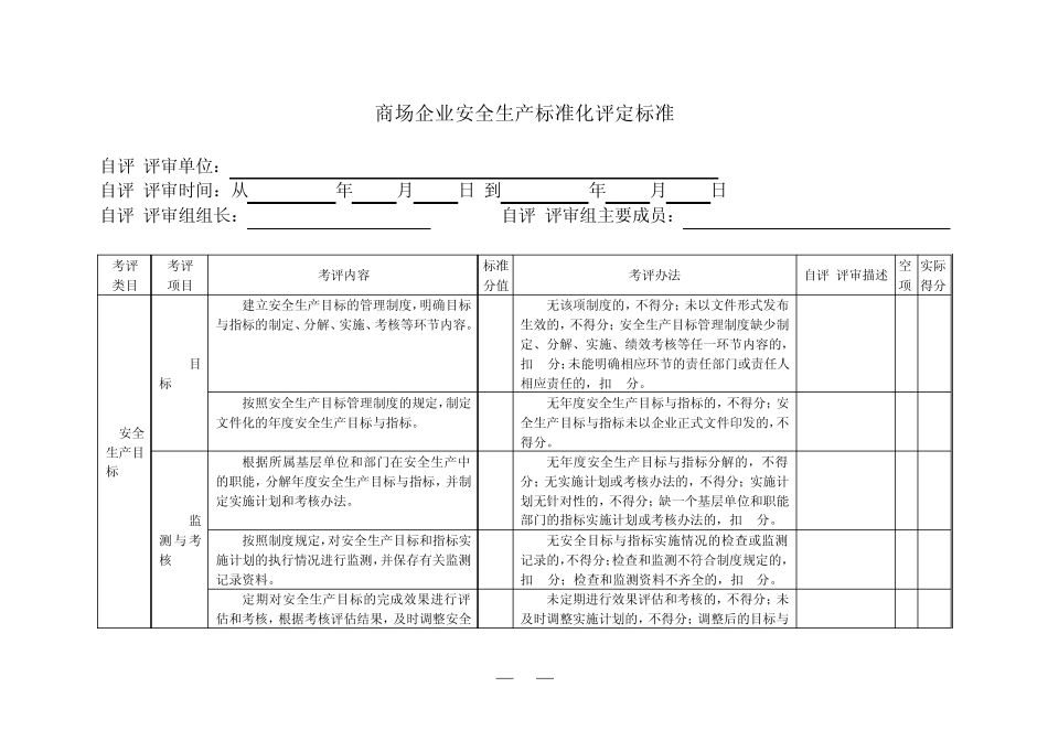
— 1 — 商场企业安全生产标准化评定标准 考 评 说 明 1.本评定标准适用于商场企业(包括百货商场、超级市场等相关企业) ,其他商业企业可参照执行。 2.本评定标准共13 项考评类目、47 项考评项目和132 条考评内容。 3.在本评定标准的“自评/评审描述”列中,企业及评审单位应根据“考评内容”和“考评办法”的有关要求,针对企业实际情况,如实进行扣分点说明、描述,并在《自评扣分点及原因说明汇总表》(见附表)中逐条列出。 4.本评定标准中累计扣分的,直到该考评内容分数扣完为止,不得出现负分。有需要追加扣分的,在该考评类目内进行扣分,也不得出现负分。 5.本评定标准共计1000 分。最终评审评分换算成百分制,换算公式如下: 最后得分采用四舍五入,取小数点后一位数。 6.标准化等级分为一级、二级和三级,一级为最高。评定所对应的等级须同时满足评审评分和安全绩效等要求,取最低的等级来确定标准化等级(见下表)。 评定等级 评审评分 安全绩效 一级 ≥ 90 考核年度内未发生轻伤两人以上的生产安全事故。 二级 ≥ 75 考核年度内未发生重伤以上的生产安全事故。 三级 ≥ 60 考核年度内未发生人员死亡的生产安全事故。 — 2 — 商场企业安全生产标准化评定标准 自评/评审单位: 自评/评审时间:从 年 月 日 到 年 月 日 自评/评审组组长: 自评/评审组主要成员: 考评 类目 考评 项目 考评内容 标准 分值 考评办法 自评/评审描述 空项 实际 得分 1.安全生产目标 1.1目标 建立安全生产目标的管理制度,明确目标与指标的制定、分解、实施、考核等环节内容。 2 无该项制度的,不得分;未以文件形式发布生效的,不得分;安全生产目标管理制度缺少制定、分解、实施、绩效考核等任一环节内容的,扣 1分;未能明确相应环节的责任部门或责任人相应责任的,扣 1分。 按照安全生产目标管理制度的规定,制定文件化的年度安全生产目标与指标。 2 无年度安全生产目标与指标的,不得分;安全生产目标与指标未以企业正式文件印发的,不得分。 1.2监测与考核 根据所属基层单位和部门在安全生产中的职能,分解年度安全生产目标与指标,并制定实施计划和考核办法。 2 无年度安全生产目标与指标分解的,不得分;无实施计划或考核办法的,不得分;实施计划无针对性的,不得分;缺一个基层单位和职能部门的指标实施计划或考核办法的,扣 1分。 按照制度规定,对安全生产目标...

1、当您付费下载文档后,您只拥有了使用权限,并不意味着购买了版权,文档只能用于自身使用,不得用于其他商业用途(如 [转卖]进行直接盈利或[编辑后售卖]进行间接盈利)。
2、本站所有内容均由合作方或网友上传,本站不对文档的完整性、权威性及其观点立场正确性做任何保证或承诺!文档内容仅供研究参考,付费前请自行鉴别。
3、如文档内容存在违规,或者侵犯商业秘密、侵犯著作权等,请点击“违规举报”。

碎片内容

商业企业评审标准

您可能关注的文档

确认删除?
VIP
微信客服
  • 扫码咨询
会员Q群
  • 会员专属群点击这里加入QQ群
客服邮箱
回到顶部