电脑桌面
添加小米粒文库到电脑桌面
安装后可以在桌面快捷访问

噪音控制方案

噪音控制方案_第1页
1/13
噪音控制方案_第2页
2/13
噪音控制方案_第3页
3/13
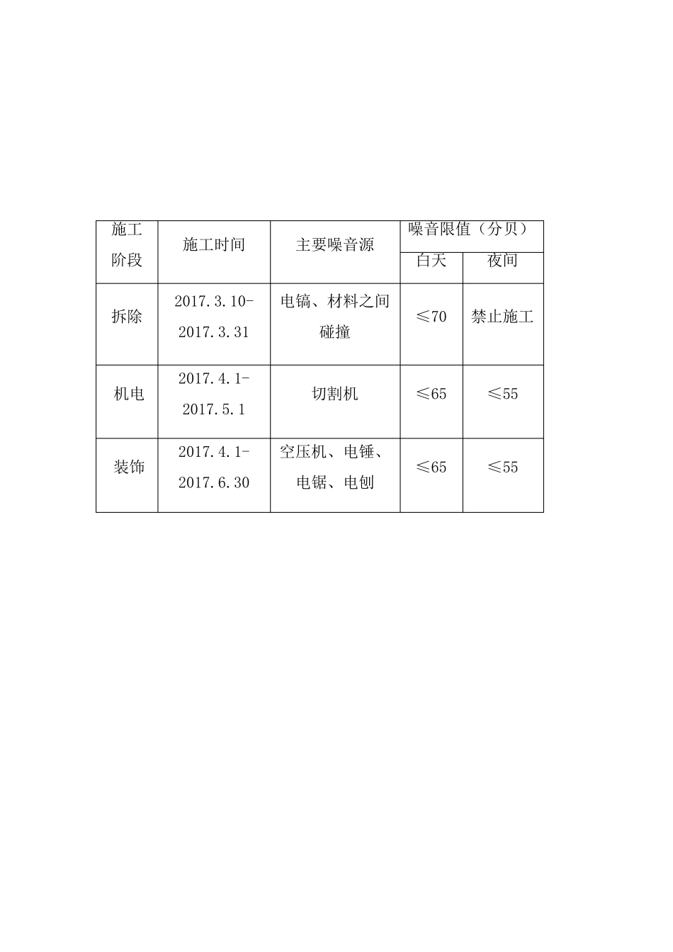
火车东站站前管理用房装修项目 噪 音 控 制 专 项 方 案 二〇一七年三月 一、工程概况 火车东站站前管理用房装修项目面积为 11832 平米。主要装修内容包括:办公区拆除工程,办公区装修及配套机电安装工程,办公区空调、厨房及会议系统等设备采购安装工程,应联中心装修及配套机电安装工程。 二、方案指导思想 为认真贯彻落实有关部门控制施工区域噪音污染的有关要求,以及尽量避免影响临近区域的正常办公、生活。 根据本工程施工特点,为保证施工期间的噪音控制,依据建筑工地文明施工相关规定、文件编制本工程施工噪音控制方案。 三、噪音控制目标 1、施工噪音控制达标; 2、市民无较大投诉; 3、不同阶段施工场内的噪音限值如下: 施工 阶段 施工时间 主要噪音源 噪音限值(分贝) 白天 夜间 拆除 2017.3.10-2017.3.31 电镐、材料之间碰撞 ≤70 禁止施工 机电 2017.4.1-2017.5.1 切割机 ≤65 ≤55 装饰 2017.4.1-2017.6.30 空压机、电锤、电锯、电刨 ≤65 ≤55 四、噪音控制组织保障措施 1、项目经理负责噪音控制管理工作的领导,全面管理项目的噪音预防和控制。 2、技术负责人根据相关文件落实具体噪音控制方案、措施,以及资源配置。 3、施工员、安全员、技术员、质量员、机械员负责实施施工过程中的噪音控制。 A、全面执行环境噪音控制措施,预防噪音污染。 B、检查分包队伍的资质证明、证书,与分包队伍签定噪音管理协议。 C、组织对职工的噪音管理教育培训工作。 D、定期检查各项噪音管理记录。 4、责任工长负责噪音控制情况的检查和噪音的监督管理工作。 5、各作业班组负责具体实施过程。 五、噪音控制实施措施 施工现场周围使用符合规定的材质制作封闭围墙,高度符合相关要求,且外立面整洁。选用降噪或备有消音降噪设备的施工机械,禁止使用国家明令禁止的环境噪音污染严重的设备。 施工现场提倡文明施工,建立健全控制人为噪音的管理制度。加强工人遵纪守法教育,尽量减少人为的大音喧哗,增强全体施工人员防噪音扰民的自觉意识。 项目部购买噪音计、测尘仪等检测仪器,安排专人检测,专人管理的原则,根据测量结果填写装修施工现场噪音测量记录,及时对施工现场噪音超 标 的有关因 素 进 行 调整,达 到 施工噪音不 扰民的目的。 (一)拆除 1、施工日期: 2017 年 3 月 10 日 - 2017 年 3 月 31日 2、施工时间:上午 8:30-11:30 下午 13:00-...

1、当您付费下载文档后,您只拥有了使用权限,并不意味着购买了版权,文档只能用于自身使用,不得用于其他商业用途(如 [转卖]进行直接盈利或[编辑后售卖]进行间接盈利)。
2、本站所有内容均由合作方或网友上传,本站不对文档的完整性、权威性及其观点立场正确性做任何保证或承诺!文档内容仅供研究参考,付费前请自行鉴别。
3、如文档内容存在违规,或者侵犯商业秘密、侵犯著作权等,请点击“违规举报”。

碎片内容

噪音控制方案

您可能关注的文档

小辰3+ 关注
实名认证
内容提供者

出售各种资料和文档

确认删除?
VIP
微信客服
  • 扫码咨询
会员Q群
  • 会员专属群点击这里加入QQ群
客服邮箱
回到顶部