电脑桌面
添加小米粒文库到电脑桌面
安装后可以在桌面快捷访问

XXXX煤矿综采工作面煤层注水设计VIP专享VIP免费

XXXX煤矿综采工作面煤层注水设计_第1页
1/8
XXXX煤矿综采工作面煤层注水设计_第2页
2/8
XXXX煤矿综采工作面煤层注水设计_第3页
3/8
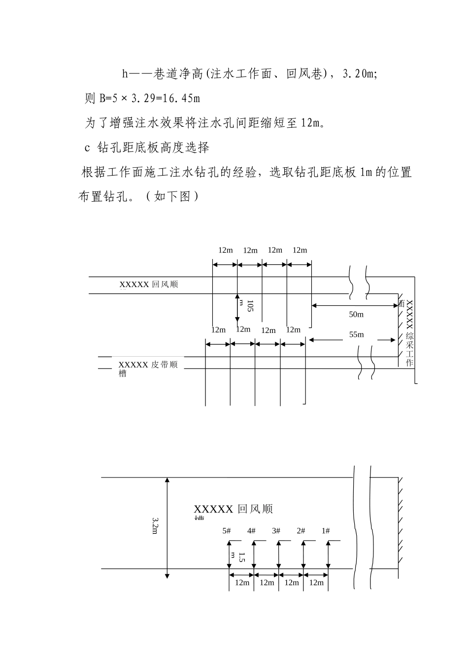
XXXX煤矿综采工作面煤层注水设计XXXXX综采工作面煤层注水设计审批:XXXXX综采工作面煤层注水设计一、工作面位置、长度、面积及四邻关系二、施工注水孔设计根据本工作面煤层赋存情况及煤岩层特性,以及工作面巷道的布置方式、采煤方式,并结合临近工作面的实际经验,决定采用在工作面回风和胶带顺槽中平行于工作面向煤体打长钻孔注水方式。注水孔参数确定:a钻孔孔长计算钻孔长度可根据工作面长度和煤层倾角而确定。双向注水钻孔长度根据公式L=L1/2-(15~20)计算,本设计工作面长度为240m,则L=240/2-15=105mL—钻孔长度,L1—工作面长度b钻孔间距B=2.5R=5h式中:B——钻孔间距,m;R——湿润半径,m;h——巷道净高(注水工作面、回风巷),3.20m;则B=5×3.29=16.45m为了增强注水效果将注水孔间距缩短至12m。c钻孔距底板高度选择根据工作面施工注水钻孔的经验,选取钻孔距底板1m的位置布置钻孔。(如下图)12m12m12m12m1.5m1#2#3#4#5#XXXXX回风顺槽3.2mXXXXX回风顺槽12m105m12m12m12mXXXXX综采工作面50mXXXXX皮带顺槽12m12m12m55m12md钻孔角度选择根据本工作面煤层赋存情况,要求钻孔角度为3度仰角,以便使钻孔始终保持在煤层中。e施工注水孔设备的选择选用ZDY—660煤矿用全液压坑道钻机,该钻机主要是使用硬质合金,金刚石复合片回转钻进,可用于煤矿、有色金属、水电建筑、市政工程、核工业、地质、部队工兵建设等系统的地质勘探、瓦斯探排、探水、排水、注水、锚固等钻孔施工。特别适用近水平钻孔和巷道钻孔。ZDY—660钻机的主要技术参数序号名称单位数值1钻孔深度m150/1002钻杆直径mm42/503开孔直径mm1104终孔直径mm755钻孔倾角度±906主轴通孔直径mm55与其配套选用直径为42mm的钻杆,钻头直径为65mm的钻头打钻孔。三、注水设计a注水方式选择根据工作面巷道布置和采煤方法,结合煤层特征,本工作面煤层注水选用双向长钻孔注水方式,即在综采面顺槽超前工作面推进50——100m垂直煤壁,打长钻孔注水的注水方式。b注水压力的确定煤层注水压力主要取决于煤的透水性。而煤层的埋藏深度、支撑压力状态、煤层裂隙及孔隙发育程度,煤的硬度和炭化程度等,对注水压力的大小也有一定影响,按一般情况分析,取煤层注水压力1.5MPa。c单孔注水量的确定(按水分增加值)Q=BLMγ(W1-W2)K式中:Q——一个钻孔注水量,m3B——孔间距,m;取12mL——工作面长度,m;取240mM——煤层平均厚度,m;取3.29mγ——煤容重,t/m3;取1.35t/m3W1——注水后要求达到的水分,%;一般取4%W2——煤层原有水分,%;取1.5%K——考虑围岩吸收水分、水的漏失和注水不均匀系数;取1.6Q=12×240×3.29×1.35×(4%-1.5%)×1.6=512m3d注水时间注水时间为钻孔开始注水至煤体全面湿润为止,注水煤体全面湿润的标志为湿润范围内煤壁出现均匀的“出汗”渗水。注水时间通常为7~10d。e矿井日需注水量(按水分增加值)QH=K1G(W1-W2)式中:QH——矿井日注水量,m3/d;G——矿井计划注水工作面日产量,t/d;取7000t/dK1——注水系数;取1.6W1——注水后要求达到的水分,%;一般取4%W2——煤层原有水分,%;取1.5%QH=1.6×7000×(4%-1.5%)=280m3/df注水系统的选择注水系统分为静压注水系统和动压注水系统两类,鉴于本矿井煤层注水钻孔较长、注水压力较大,设计选用动压注水系统。g注水设备选择XXXXX皮带顺槽选用7BG—4.5/160煤层注水泵,其技术参数如下:序号项目技术参数1额定排出压力(MP)162流量(m3/h)4.53电机型号YBKZ225M—64电机功率KW305润滑部位传动系统6润滑剂牌号N32机械油7润滑方式侵浴式8冷却方式螺旋管冷却9外形尺寸1700×950×52010整机质量668XXXXX回风顺槽选用利用D(DG)12-25*10加压泵,其技术参数如下:序号项目技术参数1转速(r/min)29502流量(m3/h)123单级扬程(米)254电机功率KW22h封孔方式的选择及封孔长度的确定根据确定的注水方式和煤层特征,设计选用1.2米封孔器进行封孔。i煤层注水泵安装位置及水源煤层注水水源取自井下消防洒水系统。顺槽注水泵安装在顺槽内,从综采面顺槽给水管网中接水管至注水泵站,将水注入储水箱中,注水泵从储水箱中吸水加压向煤层注水。j劳动组织结合我矿XXXXX综采工作面的现状,采用7BG—4.5/160注水泵24小时从顺槽煤壁向工作面煤体注水,同时注水孔数量为4个。h预计效果预计采用设计方法后,XXXXX综采工作面的煤层含水量达4%。

1、当您付费下载文档后,您只拥有了使用权限,并不意味着购买了版权,文档只能用于自身使用,不得用于其他商业用途(如 [转卖]进行直接盈利或[编辑后售卖]进行间接盈利)。
2、本站所有内容均由合作方或网友上传,本站不对文档的完整性、权威性及其观点立场正确性做任何保证或承诺!文档内容仅供研究参考,付费前请自行鉴别。
3、如文档内容存在违规,或者侵犯商业秘密、侵犯著作权等,请点击“违规举报”。

碎片内容

XXXX煤矿综采工作面煤层注水设计

您可能关注的文档

确认删除?
VIP
微信客服
  • 扫码咨询
会员Q群
  • 会员专属群点击这里加入QQ群
客服邮箱
回到顶部