电脑桌面
添加小米粒文库到电脑桌面
安装后可以在桌面快捷访问

三通一平施工方案

三通一平施工方案_第1页
1/21
三通一平施工方案_第2页
2/21
三通一平施工方案_第3页
3/21
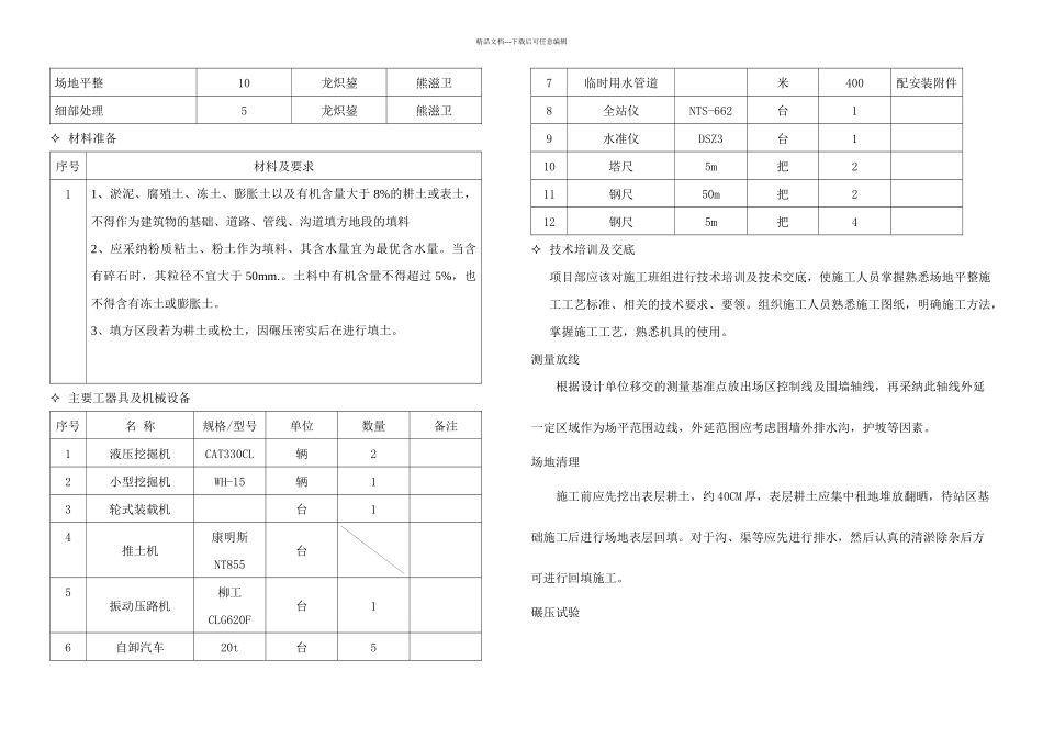
精品文档---下载后可任意编辑一、适用范围 1二、编写依据 三、作业流程 四、工艺流程说明及主要质量控制要点 五、危险点辨识及预控措施 七、质量通病防治措施 八、强制性条文 九、质量验评及质量控制方式 (一)质量验评 (二)质量控制表 一、 适用范围恩施七里坪 220kV 输变电工程三通一平部分属于变电部分的前期准备工程,为确保该工程紧张有序的施工,科学合理的利用人力、物力资源及确保工程安全、质量和工期要求,针对工程施工特点编写施工作业指导书。本施工作业指导书适用于恩施七里坪 220kV 输变电工程三通一平部分挡土墙、场地平整和进站道路施工。二、 编写依据1. 《建筑工程施工质量验收统一标准》 GB50300-20012. 《混凝土结构工程施工质量验收法律规范》 GB50204-20243. 《混凝土强度检验评定标准》 GB50107-20244. 《混凝土用水标准》 JGJ63-2024 5. 《回填区压实度标准》JTG F80/1-20246. 《混凝土外加剂应用技术法律规范》 GB50119-20247. 《普通混凝土用砂、 石质量标准及检验方法标准》 JGJ52-20248. 《普通混凝土配合比设计规程》 JGJ55-20009. 《砌体工程施工质量验收法律规范》GB50203-202410. 《建筑装饰装修工程质量验收法律规范》GB50210-200111. 《混凝土中钢筋检测技术规程》JGJ/T152-202412. 《110kV~1000kV 变电(换流) 站土建工程施工质量验收及评定规程》Q/GDW183-202413. 《输变电工程建设标准强制性条文实施管理规程》 Q/GDW248-202414. 《国家电网公司输变电工程质量通病防治工作要求及技术措施》(基建质量〔2024〕19 号)15. 《国家电网公司输变电工程标准工艺(一):施工工艺示范手册》16. 《国家电网公司输变电工程标准工艺(三):工艺标准库》17. 工程设计图纸、 施工组织设计等技术文件 三、 作业流程精品文档---下载后可任意编辑进站道路变电站围墙施工四、工艺流程说明及主要质量控制要点场地平整.1 施工准备 人员准备工序名称工作人数(人)负责人监护人测量放线3龙炽鋆熊滋卫场地清理8龙炽鋆熊滋卫碾压试验5龙炽鋆熊滋卫分层回填12龙炽鋆熊滋卫密实度试验5龙炽鋆熊滋卫精品文档---下载后可任意编辑场地平整10龙炽鋆熊滋卫细部处理5龙炽鋆熊滋卫 材料准备序号材料及要求11、淤泥、腐殖土、冻土、膨胀土以及有机含量大于 8%的耕土或表土,不得作为建筑物的基础、道路、管线、沟道填方地段的填料2、应采纳粉质粘土、粉土作为填料、其含水...

1、当您付费下载文档后,您只拥有了使用权限,并不意味着购买了版权,文档只能用于自身使用,不得用于其他商业用途(如 [转卖]进行直接盈利或[编辑后售卖]进行间接盈利)。
2、本站所有内容均由合作方或网友上传,本站不对文档的完整性、权威性及其观点立场正确性做任何保证或承诺!文档内容仅供研究参考,付费前请自行鉴别。
3、如文档内容存在违规,或者侵犯商业秘密、侵犯著作权等,请点击“违规举报”。

碎片内容

三通一平施工方案

确认删除?
VIP
微信客服
  • 扫码咨询
会员Q群
  • 会员专属群点击这里加入QQ群
客服邮箱
回到顶部