电脑桌面
添加小米粒文库到电脑桌面
安装后可以在桌面快捷访问

专项吊装安全方案

专项吊装安全方案_第1页
1/4
专项吊装安全方案_第2页
2/4
专项吊装安全方案_第3页
3/4
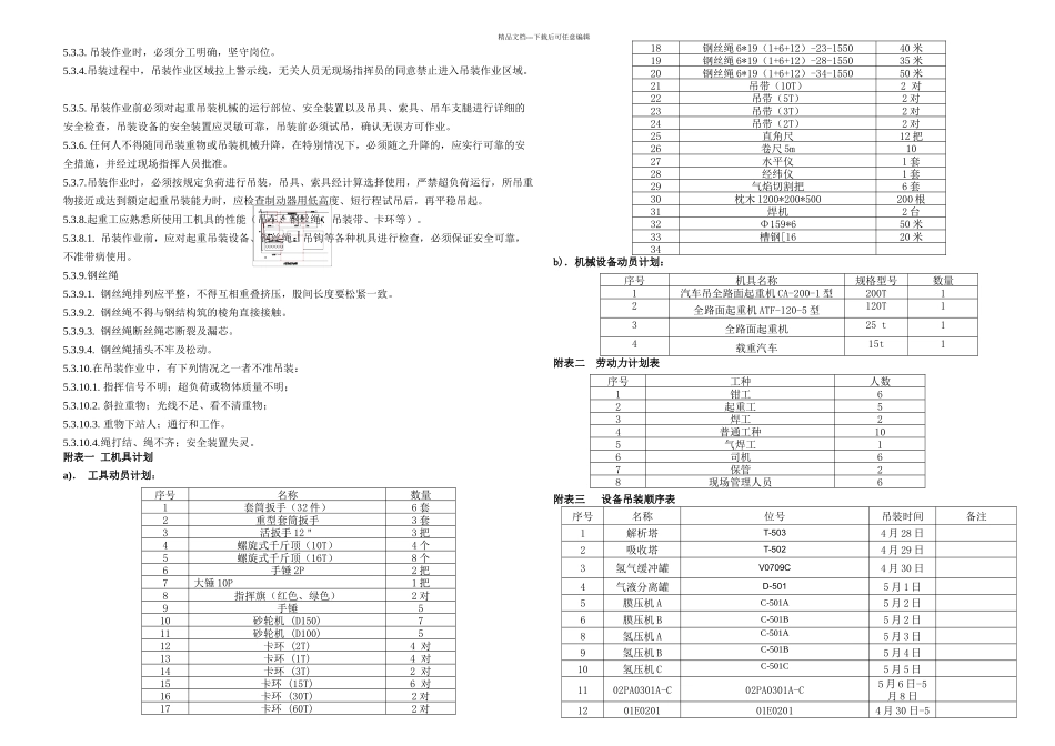
精品文档---下载后可任意编辑氢化尾气回收工序大型设备吊装方案编制:审核:批准:中国化学工程第六建设有限公司新疆特变电工项目部二零一一年四月二十二日目 录1.编制说明-----------------------------------------------------------------------------------------------------12.编制依据-----------------------------------------------------------------------------------------------------13.吊装前应具备的条件----------------------------------------------------------------------------------------14.吊装操作步骤--------------------------------------------------------------------------------------35.安全措施-----------------------------------------------------------------------------------------------4附表:一、机具动员计划二、劳动力计划三、钢丝绳直径及破断拉力查询表四、吊车性能表1.编制说明本方案的编制是针对特变电工多晶硅技改项目氢化尾气回收项目吊装安全施工方案。2.2 编制依据2.1. 《建设工程施工现场供用电安全法律规范》---------------------------------------------GB50194-1993;2.2. 《建设工程安全生产管理条例》;2.3. 《建筑施工安全检查标准》-------------------------------------------------------------JGJ59-1999;2.4.《建筑施工高处作业安全技术法律规范》-------------------------------------------------JGJ80-912.5. 《建设工程安全生产管理条例》。3.吊装前应具备的条件3.1.技术准备3.1.1.吊装方案需经批准。3.1.2.进行力学分析、计算、验算,具体见~。3.1.3.各项安全措施落实到位,符合有关安全文件规定。3.2.人员准备3.2.1.人员配备:施工队长、技术员、安全员、钳工、起重工、力工,详见附表二。3.2.2.作业人员培训:参加吊装的作业人员已接受技术人员对其吊装方法的交底。3.3.吊装器具准备:见附表一3.3.1.工机具的准备:配 200 吨及 120 吨汽车吊各一台,详见附表一3.3.2.检测设备的准备:见附表一3.3.3.安全用品的准备:警戒绳、安全带、安全帽、防滑鞋、指挥哨等。3.3.4.手段用料的准备:见附表一3.3.5.根据确定的吊装方案准备吊装索具:见附表一3.3.6.设备准备:设备到货后,经业主、总包、施工单位、制造厂家四方验收合格,并有完整的产品质量证明书和验收资料报告。3.4. 吊装场地准备3.4.1.临时路铺设:T502 设备吊装现场场地平整及 T503/V0...

1、当您付费下载文档后,您只拥有了使用权限,并不意味着购买了版权,文档只能用于自身使用,不得用于其他商业用途(如 [转卖]进行直接盈利或[编辑后售卖]进行间接盈利)。
2、本站所有内容均由合作方或网友上传,本站不对文档的完整性、权威性及其观点立场正确性做任何保证或承诺!文档内容仅供研究参考,付费前请自行鉴别。
3、如文档内容存在违规,或者侵犯商业秘密、侵犯著作权等,请点击“违规举报”。

碎片内容

专项吊装安全方案

您可能关注的文档

确认删除?
VIP
微信客服
  • 扫码咨询
会员Q群
  • 会员专属群点击这里加入QQ群
客服邮箱
回到顶部