电脑桌面
添加小米粒文库到电脑桌面
安装后可以在桌面快捷访问

专项施工方案模板工程施工方案编制

专项施工方案模板工程施工方案编制_第1页
1/20
专项施工方案模板工程施工方案编制_第2页
2/20
专项施工方案模板工程施工方案编制_第3页
3/20
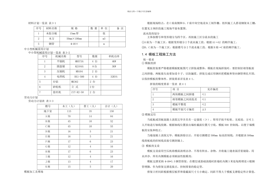
精品文档---下载后可任意编辑1. 模板工程施工方案编制1.1 工程概况……………………………………………………………………31.2 编制依据……………………………………………………………………3 施工合同………………………………………………………………3 《B2-2A 地块项目工程施工组织设计》SZ-000……………………3 施工图纸………………………………………………………………3 相关法律规范………………………………………………………………31.3 施工准备……………………………………………………………………3 技术准备………………………………………………………………3 材料选择和施工方法…………………………………………………3 材料计划………………………………………………………………3 中小型机械需用计划…………………………………………………4 劳动力计划……………………………………………………………4 模板加工及堆场………………………………………………………4 流水段的划分…………………………………………………………41.4 模板工程施工方法……………………………………………………………5 统一要求………………………………………………………………5 模板搭设方法…………………………………………………………6 模板施工方法………………………………………………………101.5 模板拆除……………………………………………………………………131.6 模板制作、安装技术措施……………………………………………………141.7 质量通病及预防措施………………………………………………………15 模板加工……………………………………………………………15 墙模板………………………………………………………………161.8 安全、环保、文明施工………………………………………………………161.9 模板支撑稳定性计算………………………………………………………17 柱模板支撑计算书…………………………………………………17 梁模板支撑计算书…………………………………………………19 楼板模板扣件钢管高支撑架计算书………………………………23 梁模板扣件钢管高支撑架计算书…………………………………27 墙模板计算书………………………………………………………312. 脚手架工程施工方案编制2.1 工程概况……………………………………………………………………352.2 编制依...

1、当您付费下载文档后,您只拥有了使用权限,并不意味着购买了版权,文档只能用于自身使用,不得用于其他商业用途(如 [转卖]进行直接盈利或[编辑后售卖]进行间接盈利)。
2、本站所有内容均由合作方或网友上传,本站不对文档的完整性、权威性及其观点立场正确性做任何保证或承诺!文档内容仅供研究参考,付费前请自行鉴别。
3、如文档内容存在违规,或者侵犯商业秘密、侵犯著作权等,请点击“违规举报”。

碎片内容

专项施工方案模板工程施工方案编制

您可能关注的文档

确认删除?
VIP
微信客服
  • 扫码咨询
会员Q群
  • 会员专属群点击这里加入QQ群
客服邮箱
回到顶部