电脑桌面
添加小米粒文库到电脑桌面
安装后可以在桌面快捷访问

校园生活污水处理中水回用设计方案VIP免费

校园生活污水处理中水回用设计方案_第1页
1/62
校园生活污水处理中水回用设计方案_第2页
2/62
校园生活污水处理中水回用设计方案_第3页
3/62
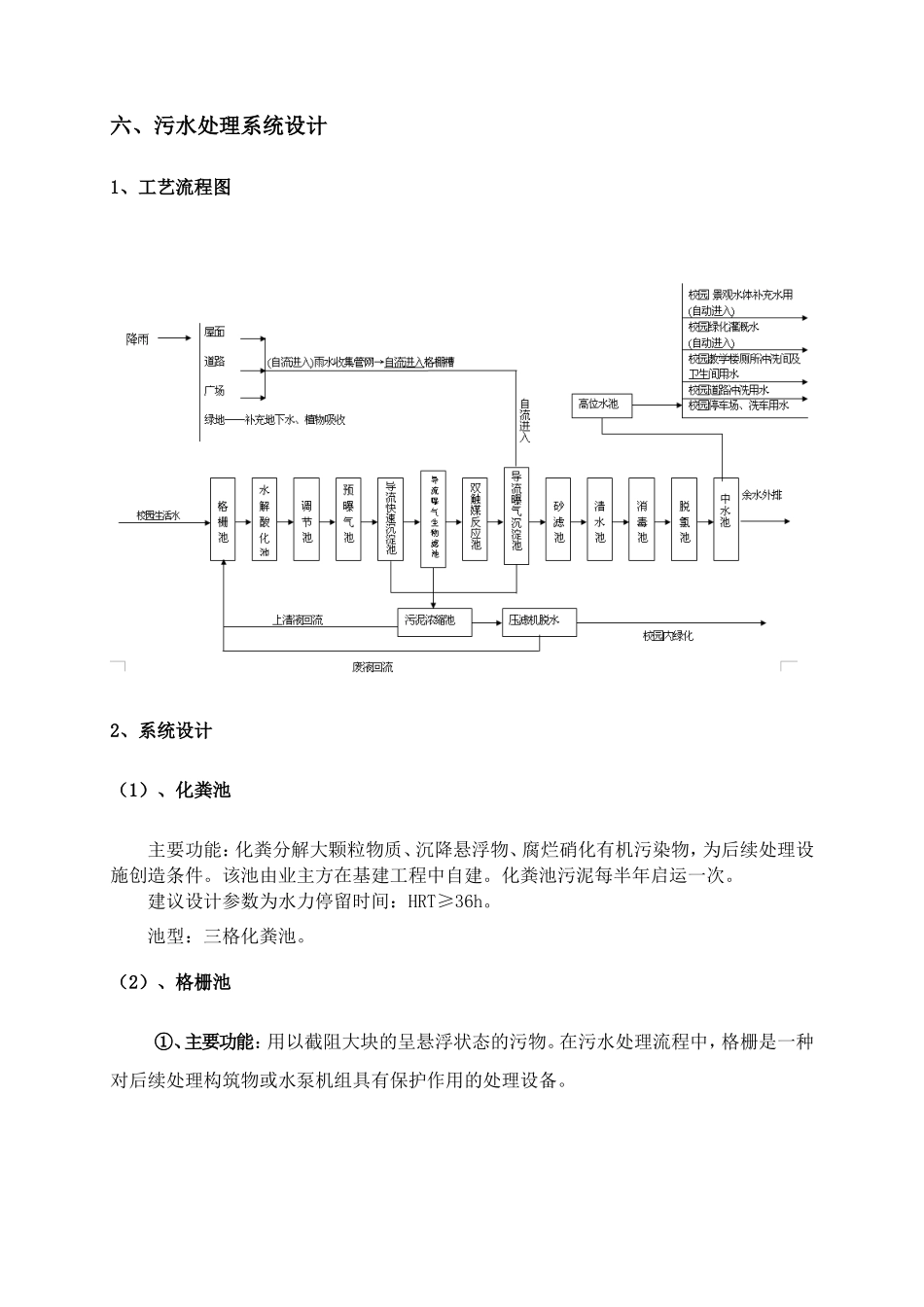
校园生活污水处理中水回用设计方案一、概述1、建设项目名称:贵州财经学院花溪校区校园生活污水处理及中水回用项目。2、建设项目地点:贵阳市花溪区党武乡斗蓬山西侧(规划花溪区西南部高校聚集区内)。3、建设性质:新建项目。4、建设单位:贵州财经学院。5、建设时间:2012年元月~2012年9月。6、项目基本情况:贵州财经学院花溪新校区建设工程是贵州省重点工程,受到贵州省、市、区人民政府的高度重视,为确保贵州财经学院污水处理工程得到有效治理,决定对第二期和第三期新建校区每天排放的4000吨生活污水进行处理,根据目前污水处理工艺技术及我公司二十三年来对各种污水治理经验,采用“导流曝气生物滤池(CCB)”对新校区污水进行处理,保证出水水质达到《城市污水再生利用城市杂用水水质》(GB/T18920-2002)及《城市污水再生利用景观环境用水水质》(GB/T18921-2002)中的标准要求,实现中水回用。在此,贵州长城环保科技有限公司本着保证污水处理的效果,合理利用场地,最大限度节约投资及运行费用的原则,优化合理设计该污水处理系统方案,以供贵院领导及环保专家。二、进水水质设计根据财经学院花溪区环保局污水处理工程的化验验收报告统计显示,确定污水进口处浓度如下:PHCODcr(mg/L)BOD5(mg/L)SS(mg/L)NH3-N(mg/L)总磷(mg/L)石油类铁(mg/L)锰6-9400200200654311三、出水要求污染物处理后达到的效果污染物处理后达到的效果BOD5≤5mg/LPH6—9CODcr≤10mg/LSS≤8mg/L动植物油≤0.8mg/LNH3-N≤5mg/L色度≤30mg/L石油类≤0.05mg/L阴离子表面活性剂≤0.3mg/L总磷≤0.4mg/L铁0.015mg/L锰0.015mg/L四、主要污染物去除率根据上述污水水质,采用导流曝气生物滤池(CCB)处理污水,其去除率如下:项目CODcrBOD5SSNH3-N铁TP石油类锰设计进水水质(mg/L)400200200651431设计出水水质(mg/L)105850.0150.40.050.015处理程度(%)97.597.59692.398.59098.398.5五、主要污染物处理量污染物名称污染物处理量CODcrBOD5SSNH3-N铁TP石油类锰4000吨污水中每天和每年污染物消除污染物量日处理量(kg/d)15607807682403.9414.411.83.94年处理量(T/年)569.4284.7280.3287.61.4385.2564.3071.438六、污水处理系统设计1、工艺流程图2、系统设计(1)、化粪池主要功能:化粪分解大颗粒物质、沉降悬浮物、腐烂硝化有机污染物,为后续处理设施创造条件。该池由业主方在基建工程中自建。化粪池污泥每半年启运一次。建议设计参数为水力停留时间:HRT≥36h。池型:三格化粪池。(2)、格栅池①、主要功能:用以截阻大块的呈悬浮状态的污物。在污水处理流程中,格栅是一种对后续处理构筑物或水泵机组具有保护作用的处理设备。②、设计数据A、设计流量:Q=4000m3/d=166.7m3/h=0.046m3/s,生活污水变化系数Kz=1.5,Qmax为0.07m3/s。B、栅前进水管道:栅前水深(h)、进水渠宽(B1)与渠内流速(v1)之间的关系为v1=Qmax/B1h,则栅前水深h=0.5m,进水渠宽B1=0.4m,渠内流速v1=0.35m/s,设栅前管道超高h2=0.3m。C、格栅:一般污水栅条的间距采用10~50mm。对于生活污水,规模较大的选取栅条间隙b=5mm。格栅倾角一般采用45°~75°。人工清理格栅,一般与水平面成45°~60°倾角安放,倾角小时,清理时较省力,但占地则较大。机械清渣的格栅,倾角一般为60°~70°,有时为90°。生活污水处理中,当原水悬浮物含量低、处理水量大(每日截留污物量小于0.2m3的格栅)、清除污物数量较大时,为了减轻工人的劳动强度,一般应考虑采用机械格栅。本设计中,拟采用机械格栅,格栅倾角为α=75°。为了防止栅条间隙堵塞,污水通过栅条间隙的流速一般采用0.6~1.0m/s,最大流量时可高于1.2~1.4m/s。但如用平均流量时速度为0.3m/s,另外校核最大流量时的流速。栅条断面形状、尺寸及阻力系数计算公式:(取用)锐形矩形ζ=βsb4/3β=2.42图2-1格栅断面形状示意图(4)进水管道渐宽部分展开角度α1=20°。(5)当格栅间距为16~25mm时,栅渣截留量为0.10~0.05m3/103m3污水,当格栅间距为30~50mm时,栅渣截留量为0.03~0.01m3/103m3污水。本设计中,格栅间距为10mm,所以设栅渣量为每1000m3...

1、当您付费下载文档后,您只拥有了使用权限,并不意味着购买了版权,文档只能用于自身使用,不得用于其他商业用途(如 [转卖]进行直接盈利或[编辑后售卖]进行间接盈利)。
2、本站所有内容均由合作方或网友上传,本站不对文档的完整性、权威性及其观点立场正确性做任何保证或承诺!文档内容仅供研究参考,付费前请自行鉴别。
3、如文档内容存在违规,或者侵犯商业秘密、侵犯著作权等,请点击“违规举报”。

碎片内容

校园生活污水处理中水回用设计方案

您可能关注的文档

确认删除?
VIP
微信客服
  • 扫码咨询
会员Q群
  • 会员专属群点击这里加入QQ群
客服邮箱
回到顶部