电脑桌面
添加小米粒文库到电脑桌面
安装后可以在桌面快捷访问

主体模板安装技术交底记录VIP专享

主体模板安装技术交底记录_第1页
1/10
主体模板安装技术交底记录_第2页
2/10
主体模板安装技术交底记录_第3页
3/10
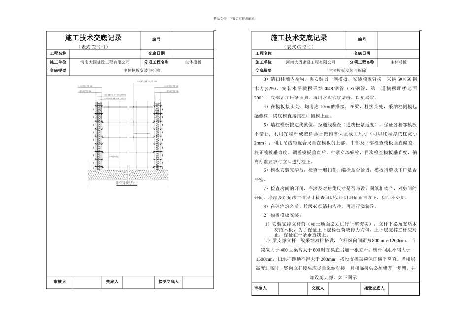
精品文档---下载后可任意编辑施工技术交底记录(表式 C2-2-1)编号工程名称交底日期施工单位河南大固建设工程有限公司分项工程名称主体模板交底提要主体模板安装与拆除交底内容:一、施工准备:1、施工机具:圆盘锯、刨木机、手提电锯、斧子、扳手、打眼电钻、吊线坠、靠尺板、方尺、墨斗、撬棍,千斤顶、小型空压机等。2、材料准备:本工程模板均采纳 15 厚木胶板;墙柱背楞及楼板垫枋采纳50×60 钢木枋;钢管采纳 ф48×3.5 普通钢管;对拉螺杆采纳 ф12 高强对拉螺杆;模板拼接缝采纳双面胶;柱墙边模紧固采纳钩头螺丝;后浇带、施工缝采纳密目钢丝网。周转材料备料应按标准层备齐 3 层。3、劳动力准备:木工应保证 30 人以上。木工应为熟练工人,并持有木工操作证。4、技术准备:熟悉图纸及变更,设计问题在施工前提出,项目技术部门及时解决。二、作业条件: 1、投测的楼层控制线经闭合复核无误后,根据控制线已弹好楼层柱墙边线、模板控制线及门窗洞口位置线,弹好楼层标高控制线。2、砼接茬水平施工缝处的浮浆已凿毛,砼松动石子已剔除,施工缝用水冲洗洁净,钢筋内的电渣压力焊渣已清理洁净。3、安装模板表面清理洁净,已涂刷好隔离剂。4、柱墙钢筋已绑扎完毕,卡好钢筋保护层塑料卡,水电管线及预埋件已安装完毕,已通过经监理检查验收。三、模板安装施工:(一)工艺流程1、柱、墙模板:审核人交底人接受交底人施工技术交底记录(表式 C2-2-1)编号工程名称交底日期施工单位河南大固建设工程有限公司分项工程名称主体模板交底提要主体模板安装与拆除在楼板上弹好模板基准线,控制线和洞口位置线→安装洞口模板,焊接柱墙角部定位钢筋→根据墙体,柱尺寸拼装组合模板(模板已涂刷过脱模剂)→安装固定,用 Φ16PVC 硬塑管和对拉螺杆→扫墙内杂物,拼装组合墙体另一面模板→调整校核→安装斜撑及蝴蝶卡,拧紧穿墙、柱螺栓→检查、校正2、梁、板模板:铺底模→一侧梁模板安装→梁筋绑扎→另一侧梁模板安装→安装板底模(二)操作工艺1、柱、墙模板:1)在保证楼板砼充分平整的基础上,弹好柱墙边线及控制线,在柱墙外侧5mm 处贴 20mm 宽双面胶条或用水泥砂浆堵缝,以保证下口接缝严密,防止砼浇筑时漏浆。2)将预先装好的一面模板按位置线就位,然后安装 Φ16PVC 硬塑料套管和穿墙螺杆,穿墙螺杆纵横间距不大于 600mm,竖向第一道距地不大于 200mm,螺杆采纳 ф12 高强对拉螺杆(挡土墙采纳专用止水螺杆,螺杆中焊...

1、当您付费下载文档后,您只拥有了使用权限,并不意味着购买了版权,文档只能用于自身使用,不得用于其他商业用途(如 [转卖]进行直接盈利或[编辑后售卖]进行间接盈利)。
2、本站所有内容均由合作方或网友上传,本站不对文档的完整性、权威性及其观点立场正确性做任何保证或承诺!文档内容仅供研究参考,付费前请自行鉴别。
3、如文档内容存在违规,或者侵犯商业秘密、侵犯著作权等,请点击“违规举报”。

碎片内容

主体模板安装技术交底记录

确认删除?
VIP
微信客服
  • 扫码咨询
会员Q群
  • 会员专属群点击这里加入QQ群
客服邮箱
回到顶部