电脑桌面
添加小米粒文库到电脑桌面
安装后可以在桌面快捷访问

五级围岩隧道二次衬砌计算书

五级围岩隧道二次衬砌计算书_第1页
1/18
五级围岩隧道二次衬砌计算书_第2页
2/18
五级围岩隧道二次衬砌计算书_第3页
3/18
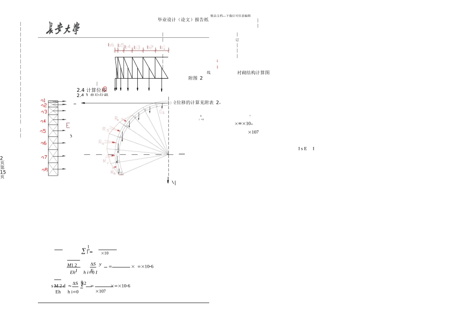
精品文档---下载后可任意编辑第二章Ⅴ 级围岩二级衬砌计算书┊基本资料┊┊┊建子沟二级公路隧道的衬砌结构断面如下图,围岩级别为Ⅴ级,围岩容重kN / m3 ,围岩的弹性抗力系数 K106 kN / m3 ,衬砌材料为 C25 混凝┊┊┊┊┊┊┊┊┊装┊┊┊┊┊订┊┊┊┊┊线104 kPa。土,弹性模量 Eh107 kpa ,容重 rh 23kN / m3 , 极限抗压强度Ra =┊┊┊┊┊2.2 荷载确定附图 1:衬砌结构断面图(单位:米)┊┊┊┊┊┊┊┊2.2.1 围岩竖向荷载压力围岩松散压力: q '2s1式中: q ' 2s1 251 (1 5))kPa围岩竖向均布压力 q 按松散压力的 40%计:qq 'kPa2.2.2 围岩水平压力:eqkPa2.3 衬砌几何要素共2页第13页截面ir0xy00001234567890表中 为各分块接缝中心与竖直轴的夹角,x 和 y 为接缝中心点的横、纵坐标。精品文档---下载后可任意编辑毕业设计(论文)报告纸内轮廓半径 r1m ,外轮廓半径 r2m,┊┊┊┊┊┊┊┊┊┊拱轴线半径 r0m。终点截面与隧道中心线夹角0拱顶截面厚度 d 0墙底截面厚度 d8半拱轴线长度为 S=10.86299m,将半拱轴线等分为 8 段,每段轴长为S┊┊┊装┊┊┊┊┊订┊┊┊┊┊线┊┊其它几何要素表.附表 1┊┊┊┊┊┊┊┊┊┊┊i共2页第14页1 I =10S yM1 2Eh h i0 IIE106S y28s M 2 d106107Eh h i0精品文档---下载后可任意编辑毕业设计(论文)报告纸┊┊┊┊┊┊┊┊┊┊┊┊┊装┊┊┊┊┊订┊┊┊ii┊┊线附图 2衬砌结构计算图┊┊┊┊┊┊┊2.4 计算位移2.4.1 单位位移用辛普生法近似计算,按计算列表进行。单位位移的计算见附表 2,单位位移值计算如下:┊┊┊11 =0sM1Eh Ids≈SEh8i07=106┊┊┊1221 0sdsM 81072I s E I共2页第15页截面αsincosx2 2 积分1 y y (1 y)y d 系数I I I I1/3000100 0.45 131.6872 0 0 131.68724 110.1647 0.45 131.6872 21.68889 3.57216 178.63718 420.6525 0.45 131.6872 85.92593 56.066667 359.60576 231.4341 0.45 131.6872 188.8527 270.83362 780.22621 442.4618 0.45...

1、当您付费下载文档后,您只拥有了使用权限,并不意味着购买了版权,文档只能用于自身使用,不得用于其他商业用途(如 [转卖]进行直接盈利或[编辑后售卖]进行间接盈利)。
2、本站所有内容均由合作方或网友上传,本站不对文档的完整性、权威性及其观点立场正确性做任何保证或承诺!文档内容仅供研究参考,付费前请自行鉴别。
3、如文档内容存在违规,或者侵犯商业秘密、侵犯著作权等,请点击“违规举报”。

碎片内容

五级围岩隧道二次衬砌计算书

范哲铺+ 关注
实名认证
内容提供者

想你所想,急你所急,你需要的都在店铺里可以找到。

相关文档

确认删除?
VIP
微信客服
  • 扫码咨询
会员Q群
  • 会员专属群点击这里加入QQ群
客服邮箱
回到顶部