电脑桌面
添加小米粒文库到电脑桌面
安装后可以在桌面快捷访问

xx层气勘探井参数测试 工程施工组织设计VIP免费

xx层气勘探井参数测试 工程施工组织设计_第1页
1/78
xx层气勘探井参数测试 工程施工组织设计_第2页
2/78
xx层气勘探井参数测试 工程施工组织设计_第3页
3/78
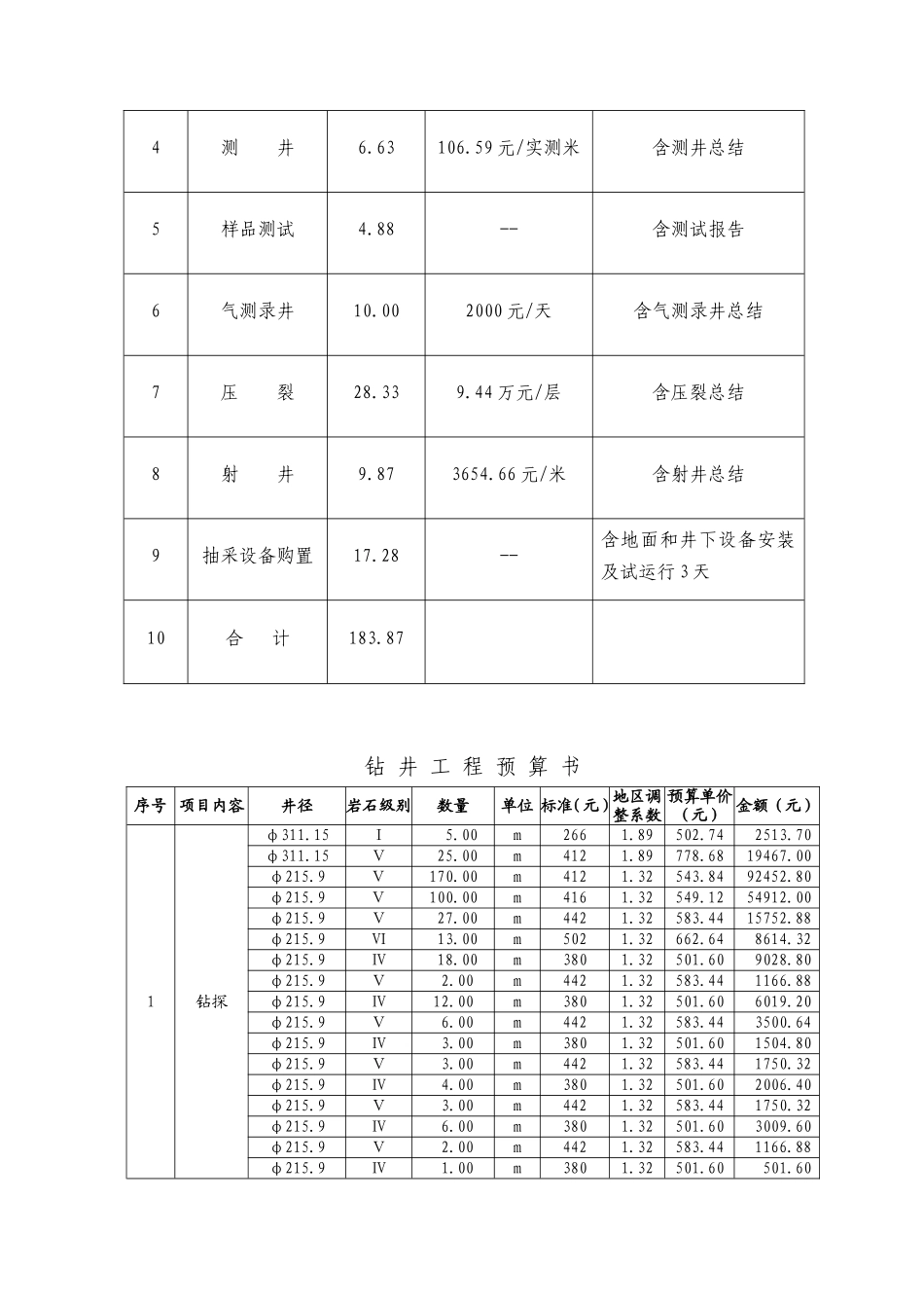
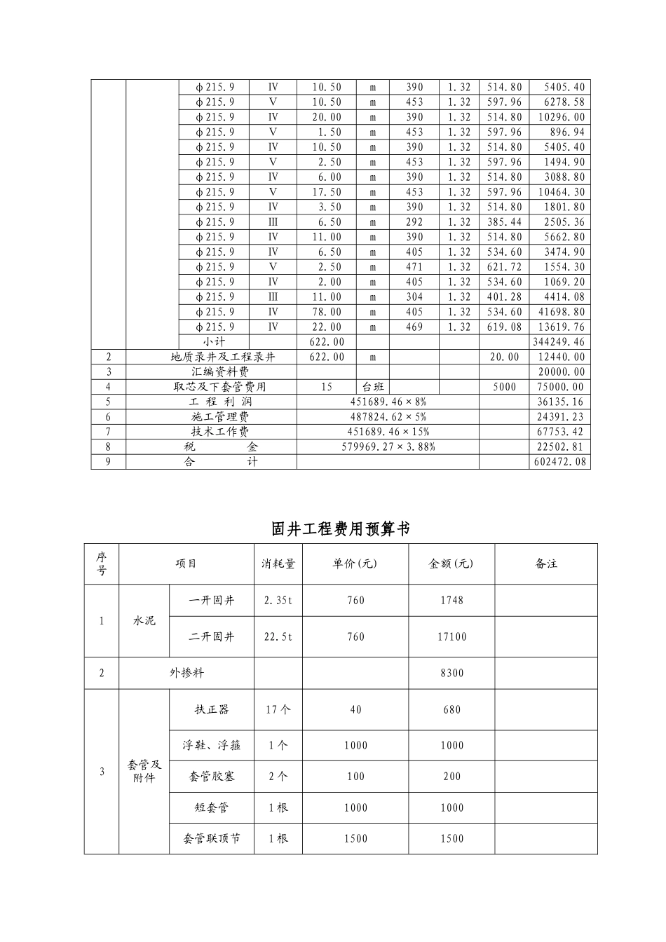
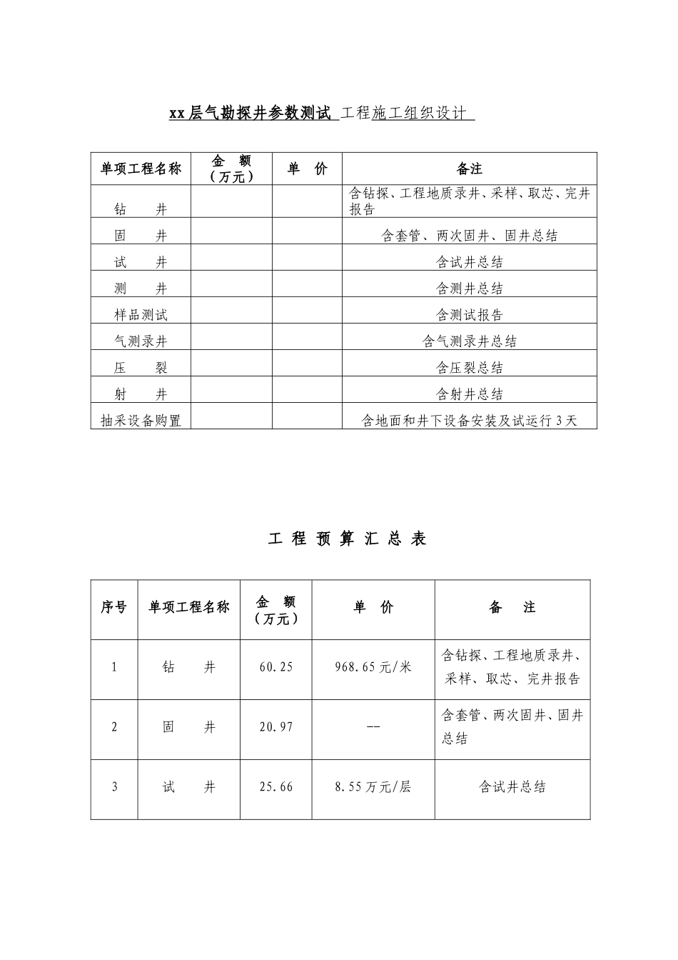
xx层气勘探井参数测试工程施工组织设计工程预算汇总表序号单项工程名称金额(万元)单价备注1钻井60.25968.65元/米含钻探、工程地质录井、采样、取芯、完井报告2固井20.97--含套管、两次固井、固井总结3试井25.668.55万元/层含试井总结单项工程名称金额(万元)单价备注钻井含钻探、工程地质录井、采样、取芯、完井报告固井含套管、两次固井、固井总结试井含试井总结测井含测井总结样品测试含测试报告气测录井含气测录井总结压裂含压裂总结射井含射井总结抽采设备购置含地面和井下设备安装及试运行3天4测井6.63106.59元/实测米含测井总结5样品测试4.88--含测试报告6气测录井10.002000元/天含气测录井总结7压裂28.339.44万元/层含压裂总结8射井9.873654.66元/米含射井总结9抽采设备购置17.28--含地面和井下设备安装及试运行3天10合计183.87钻井工程预算书序号项目内容井径岩石级别数量单位标准(元)地区调整系数预算单价(元)金额(元)1钻探φ311.15Ⅰ5.00m2661.89502.742513.70φ311.15Ⅴ25.00m4121.89778.6819467.00φ215.9Ⅴ170.00m4121.32543.8492452.80φ215.9Ⅴ100.00m4161.32549.1254912.00φ215.9Ⅴ27.00m4421.32583.4415752.88φ215.9Ⅵ13.00m5021.32662.648614.32φ215.9Ⅳ18.00m3801.32501.609028.80φ215.9Ⅴ2.00m4421.32583.441166.88φ215.9Ⅳ12.00m3801.32501.606019.20φ215.9Ⅴ6.00m4421.32583.443500.64φ215.9Ⅳ3.00m3801.32501.601504.80φ215.9Ⅴ3.00m4421.32583.441750.32φ215.9Ⅳ4.00m3801.32501.602006.40φ215.9Ⅴ3.00m4421.32583.441750.32φ215.9Ⅳ6.00m3801.32501.603009.60φ215.9Ⅴ2.00m4421.32583.441166.88φ215.9Ⅳ1.00m3801.32501.60501.60φ215.9Ⅳ10.50m3901.32514.805405.40φ215.9Ⅴ10.50m4531.32597.966278.58φ215.9Ⅳ20.00m3901.32514.8010296.00φ215.9Ⅴ1.50m4531.32597.96896.94φ215.9Ⅳ10.50m3901.32514.805405.40φ215.9Ⅴ2.50m4531.32597.961494.90φ215.9Ⅳ6.00m3901.32514.803088.80φ215.9Ⅴ17.50m4531.32597.9610464.30φ215.9Ⅳ3.50m3901.32514.801801.80φ215.9Ⅲ6.50m2921.32385.442505.36φ215.9Ⅳ11.00m3901.32514.805662.80φ215.9Ⅳ6.50m4051.32534.603474.90φ215.9Ⅴ2.50m4711.32621.721554.30φ215.9Ⅳ2.00m4051.32534.601069.20φ215.9Ⅲ11.00m3041.32401.284414.08φ215.9Ⅳ78.00m4051.32534.6041698.80φ215.9Ⅳ22.00m4691.32619.0813619.76小计622.00344249.462地质录井及工程录井622.00m20.0012440.003汇编资料费20000.004取芯及下套管费用15台班500075000.005工程利润451689.46×8%36135.166施工管理费487824.62×5%24391.237技术工作费451689.46×15%67753.428税金579969.27×3.88%22502.819合计602472.08固井工程费用预算书序号项目消耗量单价(元)金额(元)备注1水泥一开固井2.35t7601748二开固井22.5t760171002外掺料83003套管及附件扶正器17个40680浮鞋、浮箍1个10001000套管胶塞2个100200短套管1根10001000套管联顶节1根150015004人工费194005机械使用费120006管理费62928×5%3146.407工程利润66074.40×8%5285.958技术工作费62928×15%9439.209税金80799.55×3.88%3135.0210套管表层套管1.65t705011632.50生产套管16.19t7050114139.5011合计209706.57单层试井工程费用预算书序号项目消耗量单价(元)金额(元)备注1材料费柴油540L4.702538封隔器及其它材料110002人工费(含资料费)186003机械使用费(往返费用)320004管理费64138×5%3206.95工程利润67344.9×8%5387.596技术工作费64138×15%9620.707税金82353.19×3.88%3195.308合计85548.49测井工程费用预算书序号项目消耗量单价(元)金额(元)备注1材料费油料360L4.701692材料300L50002人工费(含资料费)210003机械使用费(含往返费用)220005管理费49692×5%2484.66工程利润52176.60×8%4174.137技术工作费49692×15%7453.808税金63804.53×3.88%2475.629合计66280.15样品测试化验费用预算书序号样品名称单位数量单价(元)金额(元)1煤芯煤样个61950.0011700.002瓦斯样个10720.007200.003等温吸附试验样个63000.0018000.004煤岩及镜质组反射率样个...

1、当您付费下载文档后,您只拥有了使用权限,并不意味着购买了版权,文档只能用于自身使用,不得用于其他商业用途(如 [转卖]进行直接盈利或[编辑后售卖]进行间接盈利)。
2、本站所有内容均由合作方或网友上传,本站不对文档的完整性、权威性及其观点立场正确性做任何保证或承诺!文档内容仅供研究参考,付费前请自行鉴别。
3、如文档内容存在违规,或者侵犯商业秘密、侵犯著作权等,请点击“违规举报”。

碎片内容

xx层气勘探井参数测试 工程施工组织设计

确认删除?
VIP
微信客服
  • 扫码咨询
会员Q群
  • 会员专属群点击这里加入QQ群
客服邮箱
回到顶部