电脑桌面
添加小米粒文库到电脑桌面
安装后可以在桌面快捷访问

欧姆龙PLC的地址怎么分配

欧姆龙PLC的地址怎么分配_第1页
1/7
欧姆龙PLC的地址怎么分配_第2页
2/7
欧姆龙PLC的地址怎么分配_第3页
3/7
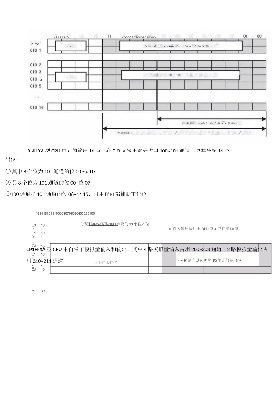
欧姆龙 PLC的地址怎么分配欧姆龙 PLC 系统中的单元,根据前后位置或单元的特殊性,分别占用 CIO 区不同的地址,了解地址分配、知道输入、输出数据的具体存放位置,就能够利用编程对数据进行正确的处理。第一讲欧姆龙 PLC 的地址分配在 I/O 存储器中,CPU 单元和 CP1W 扩展单元的输入地址占用 000~016 通道,输出地址占用 100~116 通道,而 1 个通道就是我们所说的 1 个字,它也等于 16 个位,本篇我们以 CP1H为例,来说明 PLC 地址分配的规律。输入地址:000-016CH输出地址:100-116CH1、CPU 单元地址分配X 和 XA 型 CPUX 和 XA 型 CPU 单元自带 40 点 I/O,其中输入 24 点,输出 16 点,在 CIO 区输入部分占用 01 通道,总共分配 24 个输入位:① 其中 12 个位为 0 通道的位 00~位 11② 另 12 个位为 1 通道的位 00~位 11③ 0 通道和 1 通道中不使用的位 12~位 15,将始终被清除,且不可用作内部辅助工作位1 1分配到GP 系歹j 扩展1巾单元•的输入,位I耐吏用C30100C10101CJO102C^O103CJO104CJO105Ci31可用作工作位可用件工件位-分罷劉卯系列扩展 1'0 单兀的瀚岀恒出位:① 其中 8 个位为 100 通道的位 00~位 07② 另 8 个位为 101 通道的位 00~位 07③100 通道和 101 通道的位 08~位 15,可用作内部辅助工作位15141312111009080706050403020100分配到 X 或灯型 CPU 单元的 16 个输入位—可作为输岀位用于 GPU 单元或扩展 L0 单元CP1H-XA 型 CPU 中自带了模拟量输入和输出,其中 4 路模拟量输入占用 200~203 通道,2 路模拟量输出占用 210~211 通道。分配到410090807060504030215141312CIO0分捉到 8 点輸入樂扩展 1.4 单元分民到*或 XA^CPU 单元的 24 个输入位X 和 XA 型 CPU 单元的输出 16 点,在 CIO 区输出部分占用 100~101 通道,总共分配 16 个不便CPU输入输岀分配地址模拟量输入(4 路)200CH201CHCP1H*XA 型202CH203CH模拟量输出(2 路)210CH211CHY 型 CPUCP1H-Y 型 CPU 中自带 20 点 I/O,其中输入 12 点,输出 8 点,由于脉冲输入输出专用端子占用,输入输出被分配到不连续的地址:① 所以 Y 型 CPU 单元的输入,占用 CIO 区 0 通道和 1 通道的共计 12 点② 0 通道和 1 通道中不使用的位 12~位 15,将始终被清除,且不可用作内部辅助工作位»EHY5!CPU 单兀的 ...

1、当您付费下载文档后,您只拥有了使用权限,并不意味着购买了版权,文档只能用于自身使用,不得用于其他商业用途(如 [转卖]进行直接盈利或[编辑后售卖]进行间接盈利)。
2、本站所有内容均由合作方或网友上传,本站不对文档的完整性、权威性及其观点立场正确性做任何保证或承诺!文档内容仅供研究参考,付费前请自行鉴别。
3、如文档内容存在违规,或者侵犯商业秘密、侵犯著作权等,请点击“违规举报”。

碎片内容

欧姆龙PLC的地址怎么分配

wxg+ 关注
实名认证
内容提供者

该用户很懒,什么也没介绍

确认删除?
VIP
微信客服
  • 扫码咨询
会员Q群
  • 会员专属群点击这里加入QQ群
客服邮箱
回到顶部