电脑桌面
添加小米粒文库到电脑桌面
安装后可以在桌面快捷访问

触摸屏的应用实例VIP免费

触摸屏的应用实例_第1页
1/17
触摸屏的应用实例_第2页
2/17
触摸屏的应用实例_第3页
3/17
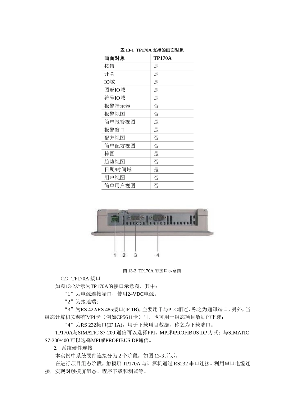
触摸屏的应用实例1.1实例要求本实例为利用TP170A和西门子PLC实现对某储油罐的控制,储油罐高为100,有1个进油阀门和1个排油阀门,油罐内部安装有液位传感器,用来采集实际油位。要求在触摸屏上实现下述控制功能:1.在触摸屏上设置手动和自动转换开关;2.在手动情况下,可分别控制进油阀和排油阀的开启和关闭,并可以读取储油罐实时液位值;3.在自动情况下,当任意设定油位高度(小于90)后,且实际油位小于设定油位时,进油阀自动打开,开始给油罐进油;当实际油位值等于或大于设定油位值时,进油阀自动关闭。1.2系统硬件1.触摸屏选型本实例是一个小型项目,需要的信息量和功能较少,没有要求报警和配方功能,所以选用西门子HMI设备中最基本且最经济的触摸屏TP170A。(1)TP170A概述如图13-1所示为TP170A正面图,屏幕尺寸为5.7英寸,采用蓝色STN-LCD,4级灰度。图13-1TP170A正面图表13-1列出了TP170A画面的对象,它支持位图、图标和背景图画,动态对象仅有棒图,可以实现基本的组态任务。表13-1TP170A支持的画面对象画面对象TP170A按钮是开关是IO域是图形IO域是符号IO域是报警指示器否报警视图否简单报警视图是报警窗口是配方视图否简单配方视图否棒图是趋势视图否日期/时间域是用户视图否简单用户视图否图13-2TP170A的接口示意图(2)TP170A接口如图13-2所示为TP170A的接口示意图,其中:“1”为电源连接端口,使用24VDC电源;“2”为接地端;“3”为RS422/RS485接口(IF1B),主要用于与PLC相连,称之为通讯端口,另外,当组态计算机安装有MPI卡(例如CP5611卡)时,也可用于组态项目数据的下载;“4”为RS232接口(IF1A),用于下载项目数据,称之为下载端口。TP170A与SIMATICS7-200通信可以选择PPI、MPI和PROFIBUSDP方式;与SIMATICS7-300/400可以选择MPI或PROFIBUSDP通信。2.系统硬件连接本实例中系统硬件连接分为2个阶段,如图13-3所示。在进行项目组态阶段,触摸屏TP170A与计算机通过RS232串口连接。利用串口电缆连接,实现对触摸屏组态、程序下载和测试等。在设备运行阶段,触摸屏TP170A与PLC通过RS485通信口连接。利用MPI电缆连接,实现与PLC的CPU通信。通过PLC完成数据采集和设备控制,并将系统设备的实时状态在触摸屏上显示出来。图13-3TP170A背板连接元素的布置图1.3建立变量表13-2是本实例的系统变量表,其中包括了系统的PLC变量和HMI变量。此表中只列出了系统的直接变量,另外还有一些系统工作过程中的间接变量并没有在此罗列。本实例中液位传感器提供的压力信号输出的是4~20mA电流量,利用PLC的模拟量输入模块对其进行采集,其I/O地址为PIW256。表13-2中的MD4变量是经过PLC程序运算后得出的实际液位值的存放地址。表13-2系统变量表序号PLC变量HMI变量意义1PIW256MD4实际液位值2Q0.0M1.0开阀门13M1.1M1.1关阀门14Q0.1M1.2开阀门25M1.3M1.3关阀门26MD8MD8设定液位值7M1.7M1.7手动/自动转换开关1.4在WinCCFlexible中组态项目1.使用项目向导创建新项目启动WinCCflexible应用程序,选择“使用项目向导创建一个新项目”,即可直接进入“项目向导”页面,如图13-4所示。在“项目向导”对话框中,可以根据自己的需要一步一步地创建一个新的WinCCflexible项目。“项目向导”页面中包含有新项目中各种常用组态的情况,这些情况是以选择的形式出现,所以用户只要点击鼠标就可完成新项目的基本组态(这些组态也可以在创建好后再修改)。现以本实例创建新项目的过程为例,分步骤阐述创建新项目的全过程。(1)在“项目向导”页面中单击“使用项目向导创建一个新项目”,进入如图13-5所示页面,这个页面与后续几个页面有相同的结构,都分成左右两个部分,左侧显示出在新建项目过程中的几个步骤以及当前页面所属的是哪一步。右侧是当前步骤的组态内容。如图13-5所示的页面是“选择项目类型”,也是创建新项目的第一步。它提供了两个功能选项:一是与实际应用符合的设备组态的场景,例如与控制器连接的HMI设备是小型还是大型等。大型项目是指控制器与多个HMI设备相连;二是创建的新项目是独立的还是集成在S7项目(由SIEMENS编程软件STEP7生成的项目)中。在这里,我们选择独立的小型设...

1、当您付费下载文档后,您只拥有了使用权限,并不意味着购买了版权,文档只能用于自身使用,不得用于其他商业用途(如 [转卖]进行直接盈利或[编辑后售卖]进行间接盈利)。
2、本站所有内容均由合作方或网友上传,本站不对文档的完整性、权威性及其观点立场正确性做任何保证或承诺!文档内容仅供研究参考,付费前请自行鉴别。
3、如文档内容存在违规,或者侵犯商业秘密、侵犯著作权等,请点击“违规举报”。

碎片内容

触摸屏的应用实例

您可能关注的文档

文章天下+ 关注
实名认证
内容提供者

各种文档应有尽有

确认删除?
VIP
微信客服
  • 扫码咨询
会员Q群
  • 会员专属群点击这里加入QQ群
客服邮箱
回到顶部