电脑桌面
添加小米粒文库到电脑桌面
安装后可以在桌面快捷访问

信捷PLC与伺服驱动器调试

信捷PLC与伺服驱动器调试_第1页
1/4
信捷PLC与伺服驱动器调试_第2页
2/4
信捷PLC与伺服驱动器调试_第3页
3/4
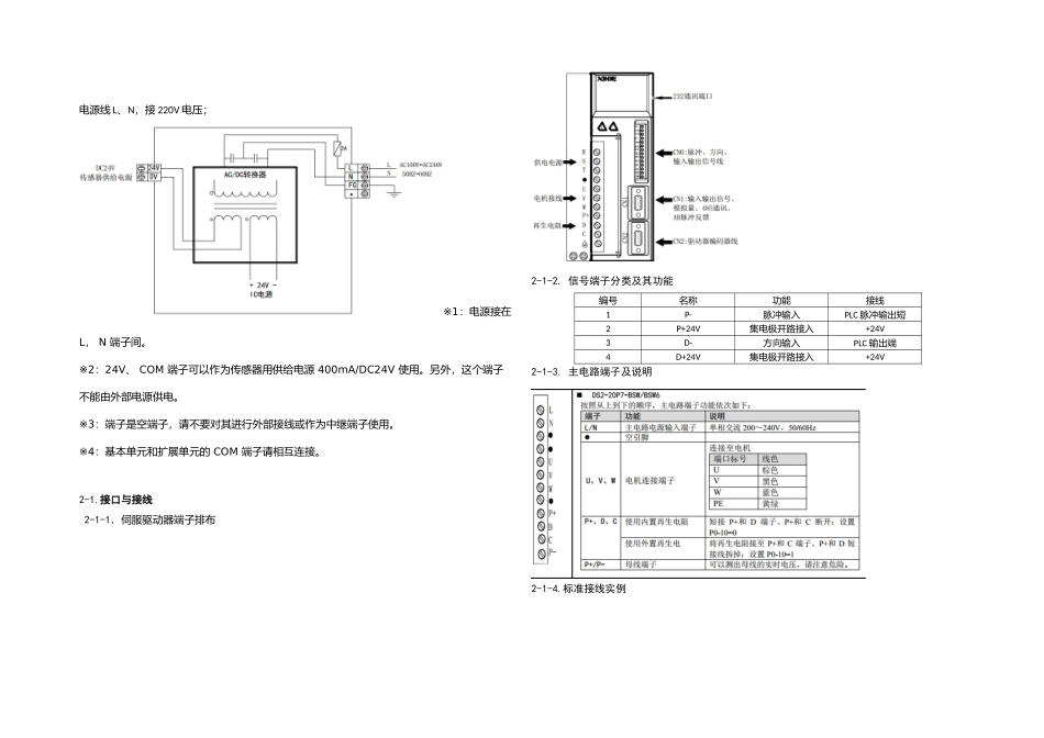
电源线 L、N,接 220V 电压;※1:电源接在 L, N 端子间。※2:24V、 COM 端子可以作为传感器用供给电源 400mA/DC24V 使用。另外,这个端子不能由外部电源供电。※3:端子是空端子,请不要对其进行外部接线或作为中继端子使用。※4:基本单元和扩展单元的 COM 端子请相互连接。2-1.接口与接线2-1-1.伺服驱动器端子排布2-1-2. 信号端子分类及其功能编号名称功能接线1P-脉冲输入PLC 脉冲输出短2P+24V集电极开路接入+24V3D-方向输入PLC 输出端4D+24V集电极开路接入+24V2-1-3. 主电路端子及说明2-1-4.标准接线实例精品文档---下载后可任意编辑2-2.伺服驱动器的参数设置2-2-1.操作面板的使用通过对面板操作器的基本状态进行切换,可进行运行状态的显示、参数的设定、辅助功能运行、报警状态等操作。按 STATUS/ESC 键后,各状态按下图显示的顺序依次切换。※状态: bb 表示伺服系统处于空闲状态; run 表示伺服系统处于运行状态。※ 参数设定 PX-XX:第一个 X 表示组号,后面两个 X 表示该组下的参数序号。※ 监视状态 U- XX: XX 表示监控参数序号;※ 辅助功能 FX-XX:第一个 X 表示组号,后面两个 X 表示该组下的参数序号;※ 报警状态 E-XXX: XXX 表示报警序号。2-2-2.控制模式的选择精品文档---下载后可任意编辑2-2-4.参数设定举例举例设置参数 P3-09 的内容由 2000 变更为 3000 时的操作步骤。1. 按下 STATUS/ESC 键,切换到参数设定状态,按 ENTER 键进入该状态。2. 此时,左数第 2 个数码管闪耀, 按 INC 键或 DEC 键修改组号,将其改为 3, 短按 ENTER 键确认。3. 此时,右数两个数码管闪耀,按 INC 键、 DEC 键或 ENTER 键选择序号 9, 长按 ENTER键确认。4. 此时,显示 P3-09 里的数据, 最低位“0” 闪耀,此时短按 ENTER 键可使闪耀位向左移动一位。 按 INC 键、 DEC 键或 ENTER 键,将数据改为 3000, 长按 ENTER 确认修改。至此,用户参数 P3-09 的内容由 2000 变更为 3000。需要进一步变更数值时,请重复上述 2 到 4 的操作顺序。5. 按 STATUS/ESC 键,返回到其他要修改的组号或状态。2-2-5.伺服电机驱动的调试步骤1)更换电机型号一款伺服驱动器可配套多种功率等级相近的电机,不同型号电机由电机铭牌上的电机代码区分。调试伺服系统前、请必须先确认电机代码 F0-00 是否和电机名牌标签匹配。2)点动操作进入点动...

1、当您付费下载文档后,您只拥有了使用权限,并不意味着购买了版权,文档只能用于自身使用,不得用于其他商业用途(如 [转卖]进行直接盈利或[编辑后售卖]进行间接盈利)。
2、本站所有内容均由合作方或网友上传,本站不对文档的完整性、权威性及其观点立场正确性做任何保证或承诺!文档内容仅供研究参考,付费前请自行鉴别。
3、如文档内容存在违规,或者侵犯商业秘密、侵犯著作权等,请点击“违规举报”。

碎片内容

信捷PLC与伺服驱动器调试

阳光书坊+ 关注
实名认证
内容提供者

阳光书坊,传播未来

确认删除?
VIP
微信客服
  • 扫码咨询
会员Q群
  • 会员专属群点击这里加入QQ群
客服邮箱
回到顶部