电脑桌面
添加小米粒文库到电脑桌面
安装后可以在桌面快捷访问

悬挑板施工方案

悬挑板施工方案_第1页
1/25
悬挑板施工方案_第2页
2/25
悬挑板施工方案_第3页
3/25
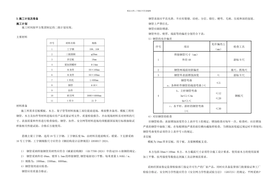
精品文档---下载后可任意编辑211 3.施工计划及准备 2施工计划 22 3 3.4 劳动力组织 33 33 4 5 5 脚手架工程 ERROR: REFERENCE SOURCE NOT FOUND5 5.2 脚手架的使用及拆除 55.3 脚手架安全保护措施 666 6.2 模板制作、安装技术措施 67 7 7 7 7. 验收组织 88.施工安全保证措施 88 8 8 9. 施工应急救援预案 99 9 9 9 9 10 25 序号名称编号一、宏鼎房地产集团提供的施工图纸14 栋 15 栋结构施工图纸14 栋 15 栋建筑施工图纸二、主要法律规范、规程1混凝土结构工程施工验收法律规范GB50204-2024(2024 版)2建筑结构荷载法律规范GB50009-20243建筑施工碗扣式钢管脚手架安全技术法律规范JGJ166-20244建筑施工扣件式钢管脚手架安全技术法律规范JGJ130-20245建筑施工模板安全技术法律规范JGJ162-20246广东省实施《高层建筑混凝土结构技术规程》DBJ/T15-46-20247建筑施工高处作业安全技术规程JGJ80-918钢管脚手架、模板支架安全选用技术规程DB11/T583-20249钢结构设计法律规范GB50017-20242.1.1 工程概况景裕豪园三期 14 栋 15 栋项目,位于佛山市南海区桂城街道 60 街区,桂江立交西南侧,总建筑面积 m2,地上 32 层,地下 2 层。本工程基础为筏板基础,主体结构为钢筋混凝土框剪结构。概况本工程主楼北侧天面层 15-6~15-7/15-G~15-H、15-16~15-17/15-G~15-H,14-6~14-7/14-G~14-H、14-16~14-17/14-G~14-H、14-26~14-27/14-G~14-H 处楼板均挑出结构边缘 m,板面标高为m,板厚 120mm.下部无结构面支撑.故选用搁置工字钢支模架作为悬挑板模板支撑体系。悬挑板楼板厚度 120mm,边缘梁 BWKL28200*1200mm,最大悬挑梁 BWL7 尺寸 650mm*400mm。悬挑部分出主体结构 m。精品文档---下载后可任意编辑3.施工计划及准备施工计划 施工时间按甲方集团制定的二级计划实现。主要材料序号材料名称规格1工字钢18#、16#2三级圆钢φ20mm3多层板18mm4梁加固螺杆φ14mm5木龙骨50×100mm6木龙骨50×100mm7U 形托L=600mm8钢管φ48×9扣件--10密目网3000×6000mm11U 形卡21 个材料准备施工所需多层板模板、木方、架子管等材料按施工部位提前进场,堆放整齐备用。模板工程用钢管、木方及扣件等材料进场应有产品质量证明文件、质量检验报告,并由现场材料员对材料的尺寸、表面质量和外形进行检查验收。钢管、扣件、安全网等材料进场均须根据国家现行标准抽取试样做相关性能试验,合格后方能使用。悬挑...

1、当您付费下载文档后,您只拥有了使用权限,并不意味着购买了版权,文档只能用于自身使用,不得用于其他商业用途(如 [转卖]进行直接盈利或[编辑后售卖]进行间接盈利)。
2、本站所有内容均由合作方或网友上传,本站不对文档的完整性、权威性及其观点立场正确性做任何保证或承诺!文档内容仅供研究参考,付费前请自行鉴别。
3、如文档内容存在违规,或者侵犯商业秘密、侵犯著作权等,请点击“违规举报”。

碎片内容

悬挑板施工方案

人从众+ 关注
实名认证
内容提供者

欢迎光临小店,本店以公文和教育为主,希望符合您的需求。

确认删除?
VIP
微信客服
  • 扫码咨询
会员Q群
  • 会员专属群点击这里加入QQ群
客服邮箱
回到顶部