电脑桌面
添加小米粒文库到电脑桌面
安装后可以在桌面快捷访问

提高地下车库防水质量QC成果

提高地下车库防水质量QC成果_第1页
1/4
提高地下车库防水质量QC成果_第2页
2/4
提高地下车库防水质量QC成果_第3页
3/4
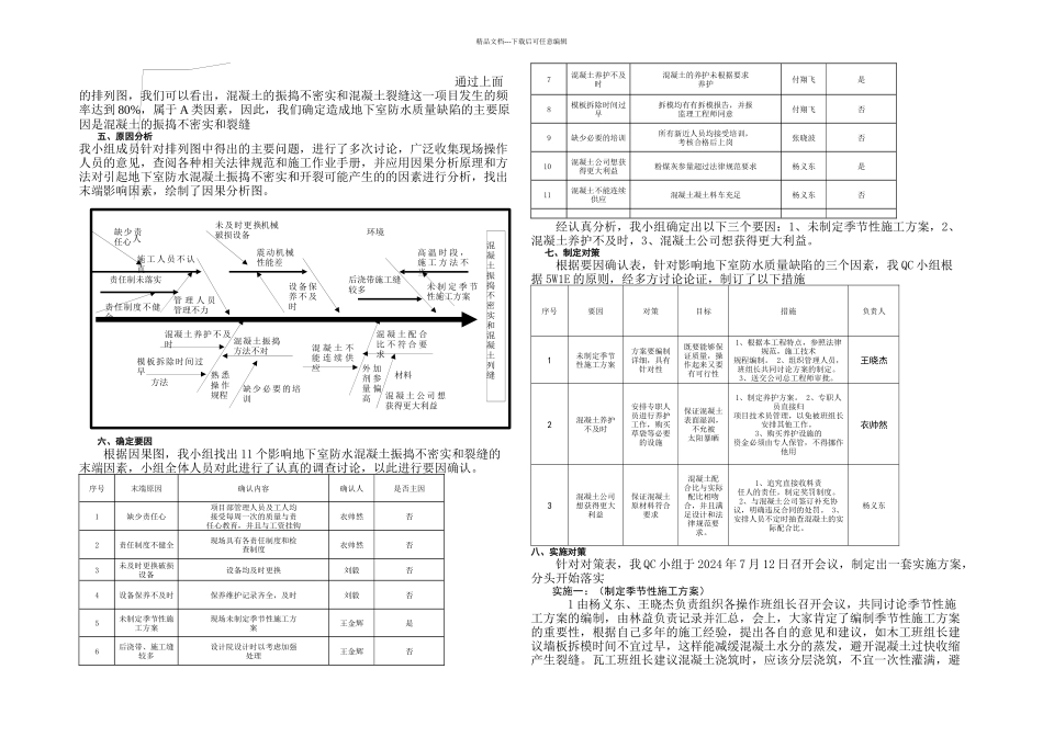
精品文档---下载后可任意编辑山东德信建设集团股份有限公司第十分公司 QC 小组二 0 一五年十一月目 录一、课题选择…………………………………………………………………………01二、QC 小组概况……………………………………………………………………01三、选题理由…………………………………………………………………………01 四、现状调查…………………………………………………………………………02 五、原因分析…………………………………………………………………………02六、确定要因…………………………………………………………………………03 七、制定对策…………………………………………………………………………04 八、实施对策…………………………………………………………………………06 九、效益对比…………………………………………………………………………07 十、巩固措施…………………………………………………………………………08 十一、总结及今后打算………………………………………………………………08一、课题选择烟台港西港区村庄搬迁安置小区工程地下 2 层,地上 30 层;地下建筑面积3948M2,地上建筑面积 25000M2。总防水面积 13000M2。本工程地下室防水工程按《地下工程防水技术法律规范》(GB50108-2001)和地方的有关规程和规定设计,防水等级为二级。地下部分混凝土全部采纳 P6 防水混凝土。地下室外墙粘贴 3 厚聚氨酯改性沥青防水卷材,卷材防水层经检查合格后,覆盖 50 厚挤塑泡沫板作为保护层。基础底板采纳在垫层上粘贴 3 厚聚氨酯改性沥青防水卷材这一课题成立 QC 小组对此课题进行专门分析讨论。二、QC 小组概况 小组成员表小组名称山东德信建设集团第十分公司 QC 质量小组培训情况小组成员每年接受 TQC 教育 48h 以上组建日期2015 年 11 月 20 日注册日期2015 年 11 月 20 日注册号DX-2024-11课题类型攻关型小组组长王晓杰小组人数7序号姓名性别文化程度职称小组分工1王晓杰男专科助工制定措施2杨义东男本科助工具体实施,数据分析3衣帅然男本科助工具体实施4刘毅男本科助工具体实施5王金辉男专科助工具体实施6张晓波男本科助工具体实施7付翔飞男专科助工具体实施制表人:王金辉 制表时间:2024 年 11 月 20 日三、选题理由1、我公司为了提升公司形象,提高品牌影响力,因此要求项目部必须优质、文明建设好在建项目。 2、地下室防水是一个复...

1、当您付费下载文档后,您只拥有了使用权限,并不意味着购买了版权,文档只能用于自身使用,不得用于其他商业用途(如 [转卖]进行直接盈利或[编辑后售卖]进行间接盈利)。
2、本站所有内容均由合作方或网友上传,本站不对文档的完整性、权威性及其观点立场正确性做任何保证或承诺!文档内容仅供研究参考,付费前请自行鉴别。
3、如文档内容存在违规,或者侵犯商业秘密、侵犯著作权等,请点击“违规举报”。

碎片内容

提高地下车库防水质量QC成果

您可能关注的文档

确认删除?
VIP
微信客服
  • 扫码咨询
会员Q群
  • 会员专属群点击这里加入QQ群
客服邮箱
回到顶部