电脑桌面
添加小米粒文库到电脑桌面
安装后可以在桌面快捷访问

旋挖灌注桩桩顶超灌控制QC资料

旋挖灌注桩桩顶超灌控制QC资料_第1页
1/7
旋挖灌注桩桩顶超灌控制QC资料_第2页
2/7
旋挖灌注桩桩顶超灌控制QC资料_第3页
3/7
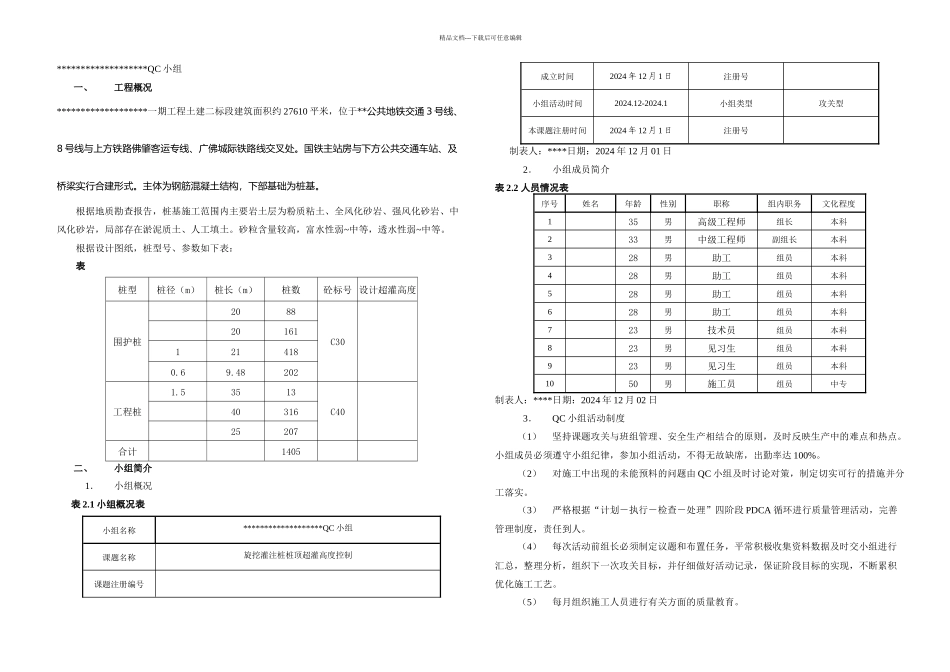
精品文档---下载后可任意编辑旋挖灌注桩桩顶超灌高度旋挖灌注桩桩顶超灌高度控制控制*******************有限公司二○一五年一月目录一、工程概况 1二、小组简介 2 1 .小组概况 2 2 .小组成员简介 2 3 . QC 小组活动制度 2 三、选题理由 3 四、现状调查 3 五、目标确定和可行性分析 3 六、原因分析及要因确认 3 1. 原因分析 3 2. 要因确认 4 七、制定对策 5 八、对策实施 5 九、效果检查 5 (一)工程效果 5 (二) 经济效益 6 (三) 社会效益 6 (四) 其它效益 6 十、制定巩固措施 6 十一、总结及今后打算 6 旋挖灌注桩桩顶超灌高度旋挖灌注桩桩顶超灌高度控制控制*******************有限公司QC成果精品文档---下载后可任意编辑*******************QC 小组一、工程概况*******************一期工程土建二标段建筑面积约 27610 平米,位于**公共地铁交通 3 号线、8 号线与上方铁路佛肇客运专线、广佛城际铁路线交叉处。国铁主站房与下方公共交通车站、及桥梁实行合建形式。主体为钢筋混凝土结构,下部基础为桩基。根据地质勘查报告,桩基施工范围内主要岩土层为粉质粘土、全风化砂岩、强风化砂岩、中风化砂岩,局部存在淤泥质土、人工填土。砂粒含量较高,富水性弱~中等,透水性弱~中等。根据设计图纸,桩型号、参数如下表:表桩型桩径(m)桩长(m)桩数砼标号 设计超灌高度围护桩2088C30201611214180.6 9.48 202工程桩1.5 3513C404031625207合计1405二、小组简介1.小组概况表 2.1 小组概况表小组名称*******************QC 小组课题名称旋挖灌注桩桩顶超灌高度控制课题注册编号成立时间2024 年 12 月 1 日注册号小组活动时间2024.12-2024.1小组类型攻关型本课题注册时间2024 年 12 月 1 日注册号制表人:****日期:2024 年 12 月 01 日2.小组成员简介表 2.2 人员情况表序号姓名年龄性别职称组内职务文化程度135男高级工程师组长本科233男中级工程师副组长本科328男助工组员本科428男助工组员本科528男助工组员本科628男助工组员本科723男技术员组员本科823男见习生组员本科923男见习生组员本科1050男施工员组员中专制表人:****日期:2024 年 12 月 02 日3.QC 小组活动制度(1)坚持课题攻关与班组管理、安全生产相结合的原则,及时反映生产中的难点和热点。小组成员必须遵守小组纪律,参加小组活动,不得无故缺席,出勤率达 100%。(2)对施工...

1、当您付费下载文档后,您只拥有了使用权限,并不意味着购买了版权,文档只能用于自身使用,不得用于其他商业用途(如 [转卖]进行直接盈利或[编辑后售卖]进行间接盈利)。
2、本站所有内容均由合作方或网友上传,本站不对文档的完整性、权威性及其观点立场正确性做任何保证或承诺!文档内容仅供研究参考,付费前请自行鉴别。
3、如文档内容存在违规,或者侵犯商业秘密、侵犯著作权等,请点击“违规举报”。

碎片内容

旋挖灌注桩桩顶超灌控制QC资料

您可能关注的文档

津创媒+ 关注
实名认证
内容提供者

欢迎交流文创,小店资料希望满足您的需要。

确认删除?
VIP
微信客服
  • 扫码咨询
会员Q群
  • 会员专属群点击这里加入QQ群
客服邮箱
回到顶部