电脑桌面
添加小米粒文库到电脑桌面
安装后可以在桌面快捷访问

曹妃甸国际生态城西区路网工程总体施工组织设计

曹妃甸国际生态城西区路网工程总体施工组织设计_第1页
1/27
曹妃甸国际生态城西区路网工程总体施工组织设计_第2页
2/27
曹妃甸国际生态城西区路网工程总体施工组织设计_第3页
3/27
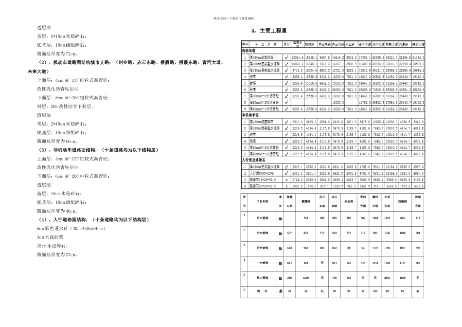
精品文档---下载后可任意编辑一、总体布置与规划1、编制依据和编制原则编制依据(1)、曹妃甸国际生态城西区路网工程招标文件及设计图纸等技术要求。(2)、曹妃甸国际生态城西区路网工程投标文件及施工合同要求。(3)、《公路路面基层施工技术法律规范》(JTJ 034-2000)(4)、《公路沥青路面施工技术法律规范》(JTG F40-2024)(5)、《公路工程集料试验规程》(JTG E42-2024)(6)、《公路工程沥青及沥青混合料试验规程》(JT052-2000)(7)、《公路工程水泥及水泥混凝土试验规程》(JTG E30-2024)(8)、《公路工程无机结合料稳定材料试验规程》(JTG E51-2024)(9)、《公路路基路面现场测试规程》(JTJE60-2024)(10)、《公路工程质量检验评定标准》(JTG F80/1-2024)(11)、《城镇道路工程施工与质量验收法律规范》(CJJ1-2024)(12)、《埋地聚乙烯 PE 管道工程技术规程》(CJJ101-2024)(13)、《给水排水管道工程施工及验收法律规范》(GB50268-2024)(14)、《城镇直埋供热管道工程技术规程》(CJJ/T81-98)(15)、《城镇供热管网工程施工及验收法律规范》(CJJ28-2024)(16)、《现场设备、工业管道焊接工程施工及验收法律规范》(JB50236-98)(17)、《道路交通标志和标线》(GB5768-1999)(18)、《路面标线涂料》(JT1T280-2024)(19)、《城镇道路》——交通标志和标线 图集 05MR601(12)、《城市道路照明工程施工及验收法律规范》(CJJ89-2001)(12)、《建筑电气安装工程图集》及河北标 05DQ根据我公司拟投入本工程的施工人员及机械设备以及在其它同类工程施工中取得的成熟经验。1.2、编制原则严格执行现行施工法律规范、安全操作规程及招标文件中的有关规定与要求。根据工程实际情况,优化施工组织设计,合理安排施工顺序。施工中采纳平行流水及均衡施工的方法,运用网络技术控制施工进度,并抓住关键工程的优先组织实施,确保工期目标的实现。合理配置各种生产要素,优化施工布置,减少工程消耗,降低生产成本。制定施工方案时,全面考虑环境保护措施,安全、文明施工措施的落实。2、工程概况本项目为曹妃甸国际生态城西区路网工程,东西计四条道,南北计六条路,共计十条道路,分别为:创业路,赤云西路,赤云东路,西港路,橙霞路,橙霞东路,青河大道,未来大道,溯河大道,映湖大道。路面总长为 9842.315 米,工程预算总投资元。2.1 曹妃甸创业路道路工程,北起新港大道,南至溯河大道...

1、当您付费下载文档后,您只拥有了使用权限,并不意味着购买了版权,文档只能用于自身使用,不得用于其他商业用途(如 [转卖]进行直接盈利或[编辑后售卖]进行间接盈利)。
2、本站所有内容均由合作方或网友上传,本站不对文档的完整性、权威性及其观点立场正确性做任何保证或承诺!文档内容仅供研究参考,付费前请自行鉴别。
3、如文档内容存在违规,或者侵犯商业秘密、侵犯著作权等,请点击“违规举报”。

碎片内容

曹妃甸国际生态城西区路网工程总体施工组织设计

一帆文传+ 关注
实名认证
内容提供者

欢迎光临店铺,各类公文供您挑选。

确认删除?
VIP
微信客服
  • 扫码咨询
会员Q群
  • 会员专属群点击这里加入QQ群
客服邮箱
回到顶部