电脑桌面
添加小米粒文库到电脑桌面
安装后可以在桌面快捷访问

木洞堤防工程测量方案

木洞堤防工程测量方案_第1页
1/6
木洞堤防工程测量方案_第2页
2/6
木洞堤防工程测量方案_第3页
3/6
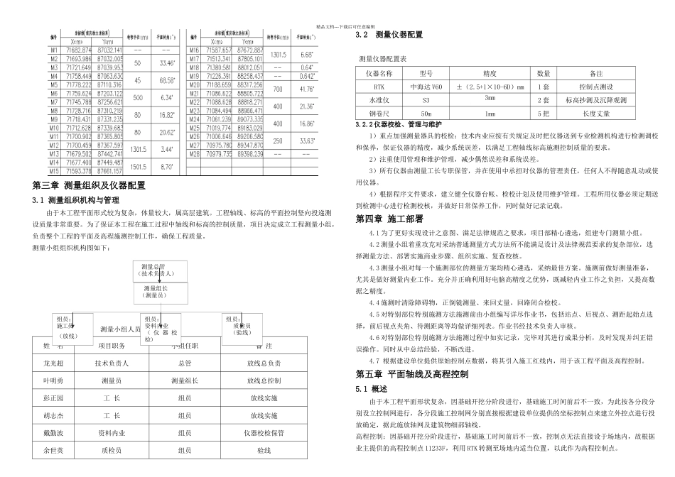
(堤防部分)一标段 A 合同段施工测量专项方案编 制 人 :叶明勇 编制单位 :重庆市天地人实业有限公司目 录第一章 编制依据......................................2第二章 工程概况......................................0第三章 测量组织及仪器配置............................4第四章 施工部署......................................5第五章 平面轴线及高程控制............................6第六章 测量监控及验线................................8第七章 沉降观测......................................8第八章 附图………………………………………………………11第一章 编制依据1、巴南区长江木洞镇防洪护岸综合整治工程一标段 A 合同段设计施工图,2、《水利水电工程施工测量法律规范 》 SL52-20243、《水利水电工程施工质量检验与评定规程》SL176-20244、《国家一、二等水准测量法律规范》(GB/T-12897-2024)5、建设单位移交控制点点号X 坐标(米)Y 坐标(米)高程H(米) 备注MD02建 设 单 位 提供GPS111231F11233F第二章 工程概况工程概况1,重庆市巴南区长江木洞镇防洪护岸综合整治工程从长江右岸上游温家沱开始,经五布河,至羊角背结束。堤防设计级别为 4 级,防洪标准为三峡水库蓄水初期 20 年一遇,以五布河为界分为上下游两个标段。2024 年 12 月,重庆市巴南区长江木洞镇防洪护岸综合整治工程一标段(五布河上游段)准备开工建设,本工程段设计堤脚线长 2.616km,堤线地形高低起伏较大,其中直斜复合式段长 391.61m、一级直立式挡墙段长 1427.65m、自然护坡段长 796.8m(其中高架桥段长 170.07m、开挖形成 626.73m)。护岸综合整治工程由护岸工程、市政道路、景观(堤防综合利用工程)、园林绿化四大部分组成,本次招标为上游段护岸部分。 本工程施工段为 A 合同段,A 合同段为新建五布河上游段(长江右岸)K0+000-K1+178 段防洪护岸、排水建筑物和下河梯道等,同时包括工程量清单和图纸中的全部工作内容。护岸及市政工程设计概况 本工程施工段为 A 合同段,A 合同段为新建五布河上游段(长江右岸)K0+000-K1+178 段防洪护岸、排水建筑物和下河梯道等,同时包括工程量清单和图纸中的全部工作内容。 A 合同段总长为 1178 米,其中有衡重式挡墙+护坡长 341.59 米、衡重式挡墙+护坡+衡重式挡墙长 50.02 米、衡重式挡墙段长 374.69 米、重力式挡墙长 65.97 米、自然...

1、当您付费下载文档后,您只拥有了使用权限,并不意味着购买了版权,文档只能用于自身使用,不得用于其他商业用途(如 [转卖]进行直接盈利或[编辑后售卖]进行间接盈利)。
2、本站所有内容均由合作方或网友上传,本站不对文档的完整性、权威性及其观点立场正确性做任何保证或承诺!文档内容仅供研究参考,付费前请自行鉴别。
3、如文档内容存在违规,或者侵犯商业秘密、侵犯著作权等,请点击“违规举报”。

碎片内容

木洞堤防工程测量方案

您可能关注的文档

确认删除?
VIP
微信客服
  • 扫码咨询
会员Q群
  • 会员专属群点击这里加入QQ群
客服邮箱
回到顶部