电脑桌面
添加小米粒文库到电脑桌面
安装后可以在桌面快捷访问

机械设计习题

机械设计习题_第1页
1/3
机械设计习题_第2页
2/3
机械设计习题_第3页
3/3
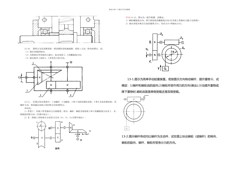
精品文档---下载后可任意编辑13-10. 图所示为直齿锥齿轮–斜齿圆柱齿轮减速器,齿轮 1 主动,转向如图示。试:(1)画出各轴的转向;(2)为使轴Ⅱ所受轴向力最小,标出齿轮 3、4 的螺旋线方向;(3)画出轴Ⅱ上齿轮 2、3 所受各力的方向;13-11、 在图示传动系统中,1 为蜗杆,2 为蜗轮,3 和 4 为斜齿圆柱齿轮,5 和 6 为直齿锥齿轮。若蜗杆主动,要求输出齿轮 6 的回转方向如图所示。试决定:1)若使Ⅰ、Ⅱ轴上所受轴向力互相抵消一部分,蜗杆、蜗轮及斜齿轮 3 和 4 的螺旋线方向及Ⅰ、Ⅱ、Ⅲ轴的回转方向(在图中标示);2)Ⅱ、Ⅲ轴上各轮啮合点处受力方向(Ft、Fr、Fa 在图中画出)。作业 13-12.图示为一提升装置。试确定: 1)蜗杆螺旋线方向;两个斜齿轮的螺旋线方向(以Ⅱ轴上受轴向力最小为原则); 2)画出各轮在啮合点处的圆周力 Ft,径向力 Fr 和轴向力 Fa。13-1.图示为简单手动起重装置。若按图示方向转动蜗杆,提升重物 G,试确定:1)蜗杆和蜗轮齿的旋向;2)蜗轮所受作用力的方向(画出);3)当提升重物或降下重物时,蜗轮齿面是单侧受载还是双侧受载。13-2.图示蜗杆传动均以蜗杆为主动件,试在图上标出蜗轮(或蜗杆)的转向,蜗轮的旋向,蜗杆、蜗轮所受各分力的方向。精品文档---下载后可任意编辑13-7.图示传动系统中,件 1、5 为蜗杆,件 2、6 为蜗轮,件 3、4 为斜齿圆柱齿轮,件 7、8 为直齿锥齿轮。已知蜗杆 1 为主动,要求输出齿轮 8 的回转方向如图。试确定:1)各轴的回转方向;2)考虑各中间轴上所受轴向力能互相抵消一部分,定出各轮旋向;3)画出各轮的轴向分力的方向。13-8.图示三级减速装置传动方案简图,要求传动比 i=50,这样布置是否合理?为什么?试画出合理的传动方案简图(不采纳蜗杆传动)。12-169 在上题中,若中间轮 2 改作主动轮,而齿轮 1 的转向和轮齿旋向仍如图所示.试: (1)标出齿轮 2 和 3 的转向及轮齿的旋向. (2)标出各齿轮所受切向力 Ft、径向力 Fr和轴向力 Fx的方向.题 12-168 图 题 12-170 图12-169 在上题中,若中间轮 2 改作主动轮,而齿轮 1 的转向和轮齿旋向仍如图所示.试: (1)标出齿轮 2 和 3 的转向及轮齿的旋向. (2)标出各齿轮所受切向力 Ft、径向力 Fr和轴向力 Fx的方向.12-170 在图示的正交标准直齿锥齿轮传动中,已知,模数 m=3mm,齿数 z1=24,z2=55,齿宽 b=30mm,锥齿轮 1 为主动轮,其传递的功率 P1=2KW,转速 n1=16...

1、当您付费下载文档后,您只拥有了使用权限,并不意味着购买了版权,文档只能用于自身使用,不得用于其他商业用途(如 [转卖]进行直接盈利或[编辑后售卖]进行间接盈利)。
2、本站所有内容均由合作方或网友上传,本站不对文档的完整性、权威性及其观点立场正确性做任何保证或承诺!文档内容仅供研究参考,付费前请自行鉴别。
3、如文档内容存在违规,或者侵犯商业秘密、侵犯著作权等,请点击“违规举报”。

碎片内容

机械设计习题

一帆文传+ 关注
实名认证
内容提供者

欢迎光临店铺,各类公文供您挑选。

确认删除?
VIP
微信客服
  • 扫码咨询
会员Q群
  • 会员专属群点击这里加入QQ群
客服邮箱
回到顶部