电脑桌面
添加小米粒文库到电脑桌面
安装后可以在桌面快捷访问

机械设计重点习题

机械设计重点习题_第1页
1/3
机械设计重点习题_第2页
2/3
机械设计重点习题_第3页
3/3
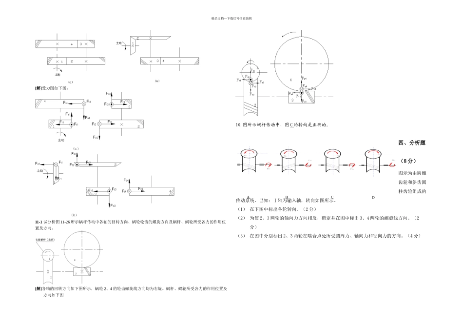
精品文档---下载后可任意编辑[解]受力图如下图:11-1 试分析图 11-26 所示蜗杆传动中各轴的回转方向、蜗轮轮齿的螺旋方向及蜗杆、蜗轮所受各力的作用位置及方向。[解]各轴的回转方向如下图所示,蜗轮 2、4 的轮齿螺旋线方向均为右旋。蜗杆、蜗轮所受各力的作用位置及方向如下图10.图所示蜗杆传动中,图 C 的转向是正确的。四、分析题(8 分)图示为由圆锥齿轮和斜齿圆柱齿轮组成的传动系统。已知:Ⅰ轴为输入轴,转向如图所示。(1) 在下图中标出各轮转向。(2 分)(2) 为使 2、3 两轮的轴向力方向相反,确定并在图中标出 3、4 两轮的螺旋线方向。(2分)(3) 在图中分别标出 2、3 两轮在啮合点处所受圆周力、轴向力和径向力的方向。(4 分)ABCD精品文档---下载后可任意编辑(1)各轴转向如图所示。(2) 3 轮左旋,4 轮右旋。(3) 2、3 两轮的各分力方向下图所示。 Fa3Fr3 Ft3 Ft2 Fr2Fa2七、齿轮轮齿受力分析(10 分)两级展开式齿轮减速器如图所示。已知主动轮 1 为左旋,转向 n1 如图所示,为使中间轴上两齿轮所受轴向力互相抵消一部分,试在图中标出各齿轮的螺旋线方向,并在各齿轮分离体的啮合点处标出齿轮的轴向力Fa、径向力 Fr 和圆周力 Ft 的方向。一.结构改错题 标出图示轴部件结构设计出现的错误(画上圆圈,标上号码),解释错误原因,并重新画出正确结构图的上半部分。解:正确的上半部结构图如下图所示。五、结构改错题:请用圆圈标出错误的位置六、结构题(10 分)下图为斜齿轮、轴、轴承组合结构图。齿轮用油润滑,轴承用脂润滑,指出该结构设计的错误。要求:1.在图中用序号标注设计错误处;2.按序号列出错误,并用文字提出改正建议;3.不必在图中改正。精品文档---下载后可任意编辑1 左、右两边轴承端盖均无调整垫片 2 左边轴承内圈固定错误,轴肩高过内圈高度 3 键过长 4齿轮轮毂的长度要长过与其配合的轴段的长度 1-2mm5 套筒高度高过右边轴承内圈的高度 6右边轴承端盖与轴要留有间歇 7 右边轴承端盖与轴间要有密封圈 8 和右端轴承相配合的轴端作成阶梯轴,便于装拆 9 两端的轴承要设有挡油环 10 联轴器没有周向定位。六、计算题(有 2 小题,每题 6 分,共 12 分)23.一对 46210 角接触球轴承反安装,如图 1 所示。已知轴承 1 和轴承 2 的径向载荷分别为 R1=2000N,R2=4000N,轴上作用的轴向载荷 Fa=800N(指向轴承 2),轴承的派生轴向力...

1、当您付费下载文档后,您只拥有了使用权限,并不意味着购买了版权,文档只能用于自身使用,不得用于其他商业用途(如 [转卖]进行直接盈利或[编辑后售卖]进行间接盈利)。
2、本站所有内容均由合作方或网友上传,本站不对文档的完整性、权威性及其观点立场正确性做任何保证或承诺!文档内容仅供研究参考,付费前请自行鉴别。
3、如文档内容存在违规,或者侵犯商业秘密、侵犯著作权等,请点击“违规举报”。

碎片内容

机械设计重点习题

文森传品+ 关注
实名认证
内容提供者

一家传播文化教育的小店,资料丰富,随意挑选。

确认删除?
VIP
微信客服
  • 扫码咨询
会员Q群
  • 会员专属群点击这里加入QQ群
客服邮箱
回到顶部