电脑桌面
添加小米粒文库到电脑桌面
安装后可以在桌面快捷访问

梁模板及支撑体系论证方案V论证修改

梁模板及支撑体系论证方案V论证修改_第1页
1/16
梁模板及支撑体系论证方案V论证修改_第2页
2/16
梁模板及支撑体系论证方案V论证修改_第3页
3/16
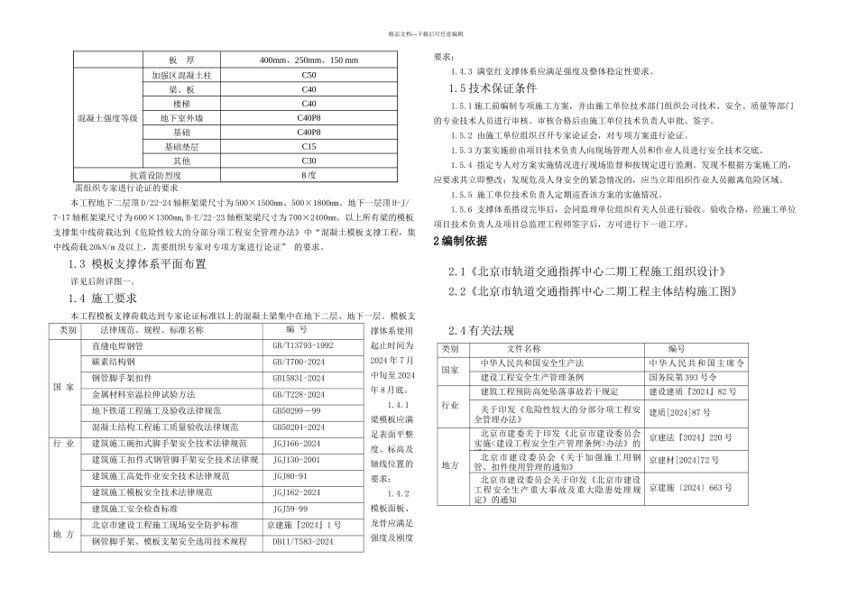
精品文档---下载后可任意编辑1 工程概况 3总体简介 1 危险性较大的模板分项工程概况 1 1.3 模板支撑体系平面布置 2 1.4 施工要求 2 1.5 技术保证条件 2 2 编制依据 2《北京市轨道交通指挥中心二期工程施工组织设计》 2 《北京市轨道交通指挥中心二期工程主体结构施工图》 2 有关法律规范规程 2 有关法规 2 3 施工计划 3施工进度计划 3 3.2 材料计划 3 设备计划 3 劳动组织及职责分工 3 4 施工工艺技术 34.1 模板及支撑体系类型的选择 3 4.2 技术参数 4 工艺流程 4 4.4 主要施工方法 4 主要计算内容 4 构造要求 4 4.7 检查与验收 4 混凝土浇筑施工方法 5 5 施工安全保证措施 6组织保障 6 技术措施 6 5.3 应急预案 7 监测监控 8 5.5 文明施工措施 9 6 劳动力计划 9专职安全生产管理人员 9 特种作业人员 10 7 计算书 117.1 主要计算参数 11 高梁模板及支撑验算 11 梁模板及支撑验算 12 附图一梁型一支撑平面布置图 14附图二梁型二支撑平面布置图 14附图三梁型三支撑平面布置图 15附图四 1-1 剖面图 15附图五 2-2 剖面图 16附图六 3-3 剖面图 161 工程概况项 目内 容工程名称北京市轨道交通指挥中心二期工程工程性质高层公共建筑工程地址北京市朝阳区小营北路 6 号建设单位北京轨道交通路网管理有限公司勘察单位北京市勘察设计讨论院有限公司设计单位北京城建设计讨论总院有限责任公司监理单位北京双圆工程咨询监理有限公司总承包单位北京城建集团有限责任公司工期要求开工日期2010 年 12 月 30 日整体移交日期2012 年 12 月 20 日质量要求质量等级建筑长城杯1.2 危险性较大的模板分项工程概况1.2.1 结构概况项目名 称内 容基础及结构形式基础类型梁式筏板基础结构类型劲性混凝土框架-剪力墙结构层高地下二层0m地下一层0m标 准 层0m主要构件尺寸基础底板厚600mm、800mm地下室外墙厚度400mm框架柱700mm×700mm、800mm×800mm、900mm×900mm框架梁550×900、500×1000、500×1200、600×1300、500×1500、500×1800、700×2400精品文档---下载后可任意编辑板 厚400mm、250mm、150 mm混凝土强度等级加强区混凝土柱C50梁、板C40楼梯C40地下室外墙C40P8基础C40P8基础垫层C15其他C30抗震设防烈度8 度 需组织专家进行论证的要求本工程地下二层顶 D/22-24 轴框架梁尺寸为 500×1500mm、500×1800mm。地下一层顶 H-J/7-17 ...

1、当您付费下载文档后,您只拥有了使用权限,并不意味着购买了版权,文档只能用于自身使用,不得用于其他商业用途(如 [转卖]进行直接盈利或[编辑后售卖]进行间接盈利)。
2、本站所有内容均由合作方或网友上传,本站不对文档的完整性、权威性及其观点立场正确性做任何保证或承诺!文档内容仅供研究参考,付费前请自行鉴别。
3、如文档内容存在违规,或者侵犯商业秘密、侵犯著作权等,请点击“违规举报”。

碎片内容

梁模板及支撑体系论证方案V论证修改

确认删除?
VIP
微信客服
  • 扫码咨询
会员Q群
  • 会员专属群点击这里加入QQ群
客服邮箱
回到顶部