电脑桌面
添加小米粒文库到电脑桌面
安装后可以在桌面快捷访问

模板及高支模施工方案

模板及高支模施工方案_第1页
1/8
模板及高支模施工方案_第2页
2/8
模板及高支模施工方案_第3页
3/8
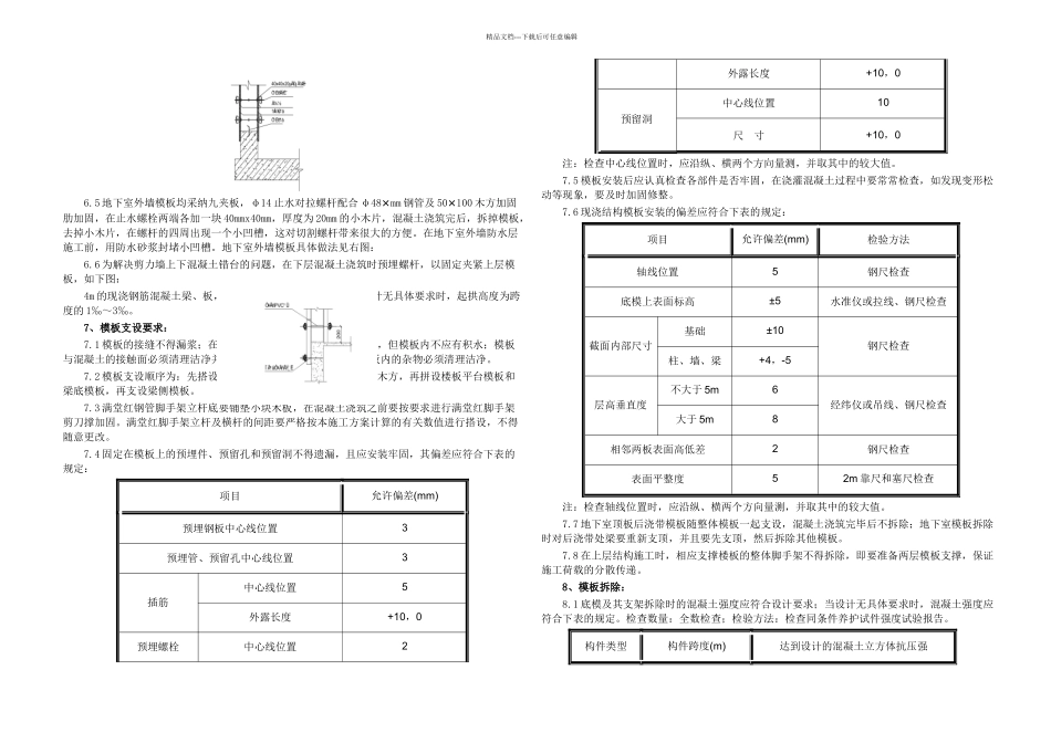
精品文档---下载后可任意编辑一、工程概况工程名称:江南景苑建设单位:湖南天泽房地产开发有限公司设计单位:湖南金鼎建筑设计讨论院地勘单位:核工业衡阳第二地质工程勘察院项目规模:本工程由 2 栋 26 层住宅以及 1 栋 6 层住宅组成,总建筑面积约 2。工程—5.7m,最大梁 400×1000,最大跨 8.4m。地×600 最大跨 7.8m。地上二层为转换层层高6m 最大梁 800×1200㎜,最根据法律规范地下室和转换层为高大支模体系。二、编制依据1)2)《混凝土结构工程施工及验收法律规范》GB50204-20243)《建筑施工扣件式钢管脚手架安全技术法律规范》(JGJ130-2001)4)《建筑施工安全检查标准》(JGJ59-99)5) 《建筑施工高处作业安全技术法律规范》三、材料选用支模架的材料采纳 φ48×钢管,(直角、旋转、接头)扣件,木楞 50×100mm×2000㎜,模板采纳 2440×1220×18mm 夹板,采纳 φ14 对拉螺杆。四、支设方案1、模板及支撑体系:针对本工程特点以及结合我公司在深圳地区的施工经验,在本工程中将采纳由木模板、木方、钢管、对拉螺栓、“3”型卡扣等组成的模板及支撑加固体系。在模板工程施工中主要抓住以下几方面:投入适量的新九夹板做模板,全部采纳 50×100mm 的木方,对墙柱梁板的模板支撑、螺栓间距等要经过计算确定。1.2 利用我们的成熟经验,改进支模工艺,保证梁柱接头的混凝土质量,消除混凝土质量通病。1.3 针对结构工程施工中的重要部位,对模板及支撑必须进行详细计算,对结构转换层的模板及支撑单独计算,以确保支设牢靠、不出意外。1.4 后浇带处的梁板模板及支撑不得随意拆除以免出现裂缝,必须在后浇带混凝土浇筑完成后达到一定强度后方可拆除。~4.8m,满足施工要求。2、结构各部位配模方案:序号工程部位模 板支撑及加固体系1地梁、承台砖模、垫层2混凝土墙、柱九夹板由 50×100 的木方、Φ48×钢管、型钢加固肋、Φ14 对拉螺栓以及“3”型卡等组成。3梁、板九夹板由 50×100 的木方、可调顶撑、满堂红脚手架组成。4后浇带快易收口网短钢筋与主筋点焊加固。5楼梯九夹板采纳封闭式模板。钢筋混凝土墙体如地下室外墙、水池水箱、化粪池等有防渗要求的,采纳 Φ14 圆钢制作的止水对拉螺栓,如图:3、模板及支撑使用材料:3.1 模板:优质九夹板,规格为:1820×910×18mm;3.2 木方:截面为 50×100mm,长度 2~4m;3.3 对拉螺栓:φ14 标准对拉螺栓;3.4 内架支撑:φ48×3.5mm 标准钢管,...

1、当您付费下载文档后,您只拥有了使用权限,并不意味着购买了版权,文档只能用于自身使用,不得用于其他商业用途(如 [转卖]进行直接盈利或[编辑后售卖]进行间接盈利)。
2、本站所有内容均由合作方或网友上传,本站不对文档的完整性、权威性及其观点立场正确性做任何保证或承诺!文档内容仅供研究参考,付费前请自行鉴别。
3、如文档内容存在违规,或者侵犯商业秘密、侵犯著作权等,请点击“违规举报”。

碎片内容

模板及高支模施工方案

您可能关注的文档

确认删除?
VIP
微信客服
  • 扫码咨询
会员Q群
  • 会员专属群点击这里加入QQ群
客服邮箱
回到顶部