电脑桌面
添加小米粒文库到电脑桌面
安装后可以在桌面快捷访问

模板施工技术交底记录项目部

模板施工技术交底记录项目部_第1页
1/6
模板施工技术交底记录项目部_第2页
2/6
模板施工技术交底记录项目部_第3页
3/6
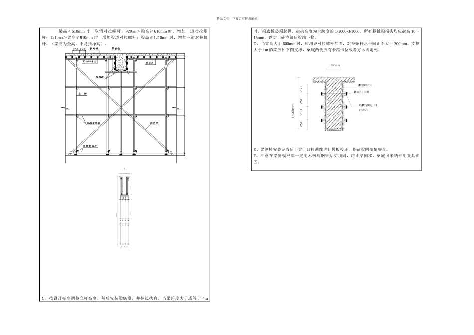
精品文档---下载后可任意编辑技术交底记录编 号TJ-00工程名称滨江华苑施工二区交底日期2013 年 3 月 20 日施工单位中核华兴分项工程名称地下室交底提要项目部交底部位1-18/ J~X 轴(不包括 6#楼)交底内容:一、施工准备:1、施工材料(1)、竹胶板模板:尺寸 915×1830mm。(2)、方木:50×100mm,100×100mm 方木,要求规格统一,尺寸规矩。(3)、对拉螺栓:采纳中 12 mm 以上的I级钢筋,双边套丝扣,并且两边带好两个螺母,沾油备用。止水螺杆:采纳中 12 mm 以上的I级钢筋,中间螺杆设有止水片和两处止动,端螺杆设有紧固螺纹并配置紧固螺母。中间螺杆的两头设有连接外螺纹,端螺杆的一头设有连接内螺纹与中间螺杆的连接外螺纹相配二、主控项目1、层高,板面应用水准仪对整个板面进行全部覆盖,+8,-5。地下室顶板、梁应按施工总说明中进行起拱。2、梁的有效截面高度,避开梁高度做错,致使钢筋无法下方,应提前检查。3、木工班组清理完的垃圾应进行清理,由于是应防止木屑掉入柱或剪力墙里面。(没办法的话底下开个口,用水清洗。4、钢管间距、钢管搭接接头应错开,必须采纳对接扣件,不能搭接。5、钢管的剪刀撑、扫地管必须到位。6、柱、剪力墙的封模前应交监理验收。7、柱、剪力墙的封模加固的间距,锁扣的扭力应达到要求(即不能松),底下至少四部应采纳双螺帽。8、柱、剪力墙的垂直度应进行控制。9、水电预埋线管应注意,最好让水电标明,避开模板钻洞时穿破预埋管,最好事先穿好管。尤其注意汽车坡道的位置。10、所有控制线均为 1m 控制线,主楼区域内,由于剪力墙多,控制线最好控制在20~50cm 左右。11、预留洞口应提醒木工班组注意,并且进行检查。三、模板安装施工1、工艺流程(1)、柱、墙模板:(外墙、水池侧壁采纳止水螺杆,人防螺杆直接埋设)在楼板(底板)上弹好模板基准线,控制线和洞口位置线→安装洞口模板,焊接柱墙角部定位钢筋 →根据墙体,柱尺寸拼装组合模板(模板已涂刷过脱模剂) →安装固定,用Φ14PVC 硬塑管和对拉螺杆→扫墙内杂物,拼装组合墙体另一面模板→调整校核→安装斜撑及蝴蝶卡,拧紧穿墙、柱螺栓→检查、校正(2)、梁、板模板:铺底模→一侧梁模板安装→梁筋绑扎→另一侧梁模板安装→安装板底模2、操作工艺(1)柱、墙模板(不包括消防水池、地下室外墙、人防区域):1)在保证楼板砼充分平整的基础上,弹好柱墙边线及控制线,在柱墙外侧 5mm 处贴 20mm宽双面胶条或用水...

1、当您付费下载文档后,您只拥有了使用权限,并不意味着购买了版权,文档只能用于自身使用,不得用于其他商业用途(如 [转卖]进行直接盈利或[编辑后售卖]进行间接盈利)。
2、本站所有内容均由合作方或网友上传,本站不对文档的完整性、权威性及其观点立场正确性做任何保证或承诺!文档内容仅供研究参考,付费前请自行鉴别。
3、如文档内容存在违规,或者侵犯商业秘密、侵犯著作权等,请点击“违规举报”。

碎片内容

模板施工技术交底记录项目部

您可能关注的文档

确认删除?
VIP
微信客服
  • 扫码咨询
会员Q群
  • 会员专属群点击这里加入QQ群
客服邮箱
回到顶部