电脑桌面
添加小米粒文库到电脑桌面
安装后可以在桌面快捷访问

施工现场临时用电施工方案VIP免费

施工现场临时用电施工方案_第1页
1/20
施工现场临时用电施工方案_第2页
2/20
施工现场临时用电施工方案_第3页
3/20
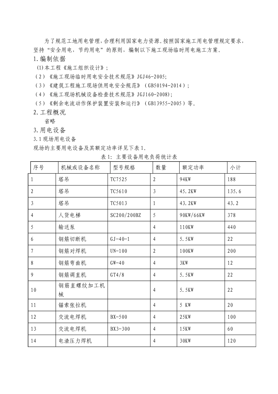
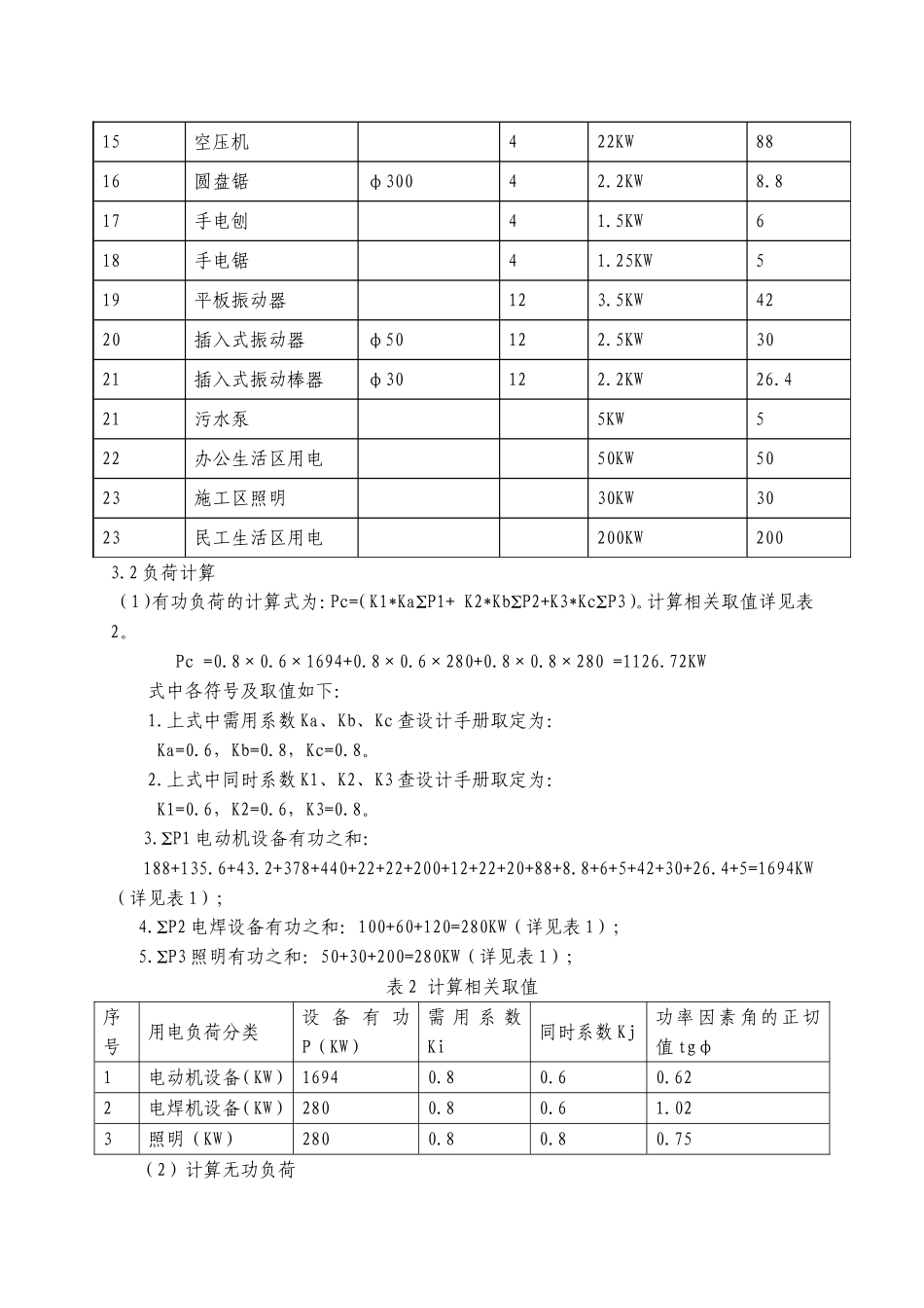
目录1.编制依据................................................................12.工程概况................................................................13.用电设备................................................................13.1现场用电设备...........................................................13.2负荷计算...............................................................24.线路电缆选用............................................................34.1变压器至一级配电箱线路电流计算及主电缆线选用...........................34.2一级配电箱供电线路及箱内元器件设置....................................64.3二级配电箱供电线路及箱内元器件设置....................................74.4三级配电箱内元器件设置.................................................94.5配电室设计.............................................................95.接地与防雷设计.........................................................115.1接地..................................................................115.2防雷..................................................................116.防护措施...............................................................126.1电气设备防护..........................................................126.2线路防护..............................................................127.安全用电措施和电气防火措施.............................................127.1安全用电技术措施......................................................127.2安全用电组织措施......................................................167.3电气防火技术措施......................................................177.4电气防火组织措施......................................................178.施工临时用电应急救援预案...............................................178.1编制目的..............................................................178.2范围..................................................................178.3组织机构及职责........................................................188.4应急准备..............................................................198.5应急救援..............................................................198.6事故后期处理..........................................................219.附图...................................................................21为了规范工地用电管理,合理利用国家电力资源。按照国家施工用电管理规定要求,坚持“安全用电,节约用电”的原则,编制以下施工现场临时用电施工方案。1.编制依据(1)本工程《施工组织设计》;(2)《施工现场临时用电安全技术规范》JGJ46-2005;(3)《建筑工程施工现场供用电安全规范》(GB50194-2014);(4)《施工现场机械设备检查技术规范》JGJ160-2008);(5)《剩余电流动作保护装置安装和运行》(GB13955-2005)等。2.工程概况省略3.用电设备3.1现场用电设备现场的主要用电设备及其额定功率详见下表1。表1:主要设备用电负荷统计表序号机械或设备名称型号规格数量额定功率小计1塔吊TC7525294KW1882塔吊TC5610345.2KW135.63塔吊TC5013143.2KW43.24人货电梯SC200/200BZ590KW/66KW3785输送泵4110KW4406钢筋切断机GJ-40-145.5KW227钢筋对焊机UN-1002100KW2008钢筋弯曲机GW-4043KW129钢筋调直机GT4/845.5KW2210钢筋直螺纹加工机械45.5KW2211锚索张拉机45KW2012交流电焊机BX-500425KW10013交流电焊机BX3-300415KW6014电渣压力焊机430KW12015空压机422KW8816圆盘锯φ30042.2KW8.817手电刨41.5KW618手电锯41.25KW519平板振动器123.5KW4220插入式振动器φ50122.5KW3021插入式振动棒器φ30122.2KW26.421污水泵5KW522办公生活区用电50KW5023施工区照明30KW3023民...

1、当您付费下载文档后,您只拥有了使用权限,并不意味着购买了版权,文档只能用于自身使用,不得用于其他商业用途(如 [转卖]进行直接盈利或[编辑后售卖]进行间接盈利)。
2、本站所有内容均由合作方或网友上传,本站不对文档的完整性、权威性及其观点立场正确性做任何保证或承诺!文档内容仅供研究参考,付费前请自行鉴别。
3、如文档内容存在违规,或者侵犯商业秘密、侵犯著作权等,请点击“违规举报”。

碎片内容

施工现场临时用电施工方案

文章天下+ 关注
实名认证
内容提供者

各种文档应有尽有

确认删除?
VIP
微信客服
  • 扫码咨询
会员Q群
  • 会员专属群点击这里加入QQ群
客服邮箱
回到顶部