电脑桌面
添加小米粒文库到电脑桌面
安装后可以在桌面快捷访问

学校机电设施设备维修维护方案

学校机电设施设备维修维护方案_第1页
1/17
学校机电设施设备维修维护方案_第2页
2/17
学校机电设施设备维修维护方案_第3页
3/17
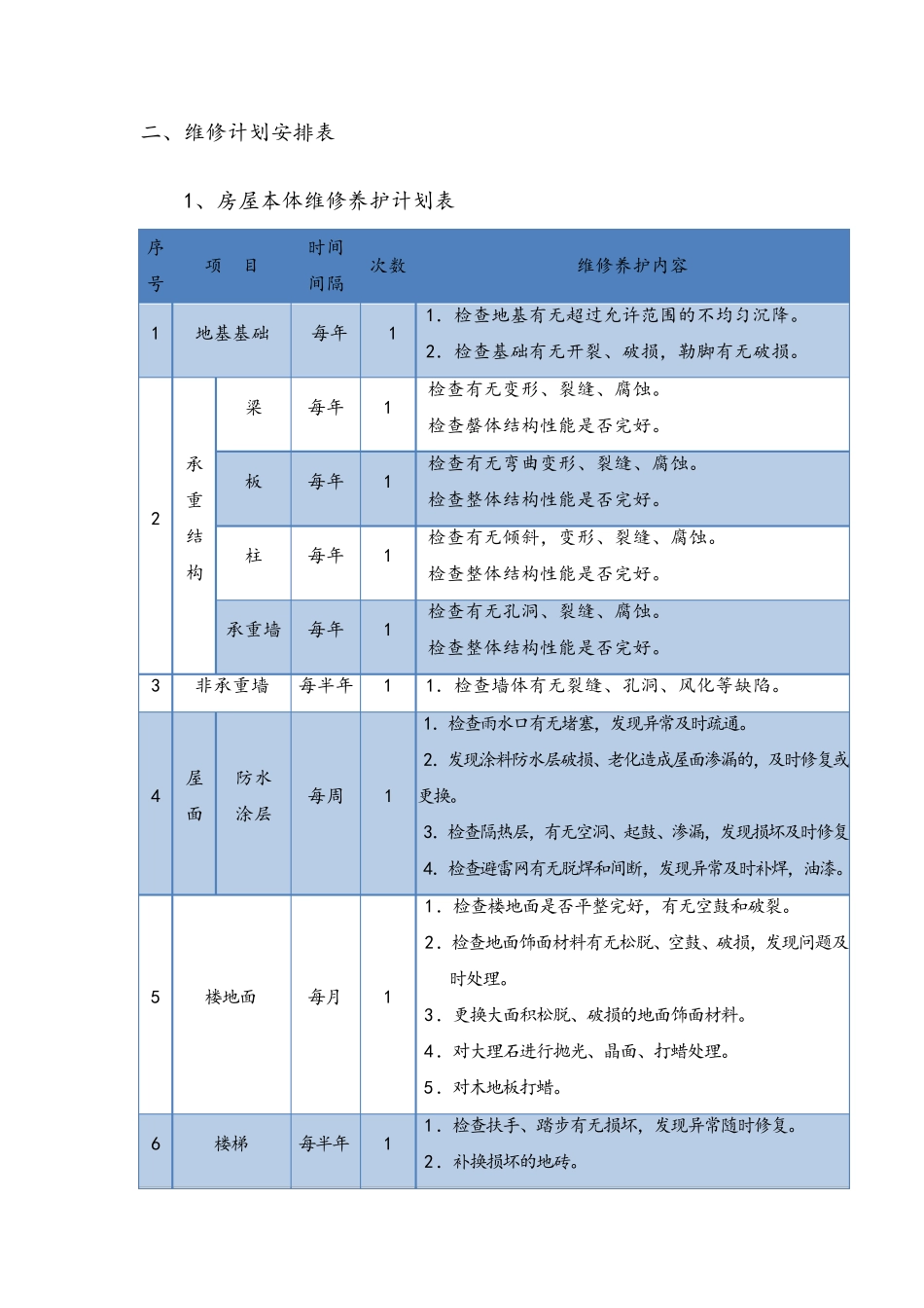
学校机电设施设备维修维护方案 一、维修部岗位设置及工作思路 维修部岗位设置 岗 位 名 称 设置 地 点 人 数 主 要 工 作 职 责 维修主 管 服务中心 1 人 负 责 对 本 项 目 物 业 管 理 区域 内 的 工 程 维修工 作 进 行统 一管 理 , 保 障 项 目 正 常的 教 学和 工 作 秩 序 。 同 时负 责 部 门 员 工 的 考 核 监 督工 作 。 电工 本 项 目 1 人 接 受 维修主 管 的 监 督 与 安排 , 做 好 项 目 大 小 维修工作 , 保 证 教 学和 工 作 秩 序用 电正 常 运 行 。 合计 2 人 学校工程维修工作思路 学校工程维修主要以日常维修为主,涉及学校教学楼、行政办公室、艺体楼、室外公共区域的设施设备。日常维修、设备养护责任到人,强化巡检、运行管理和预防性维修保养等。学校工程维修主要内容如下: 1、校园内路灯、灯具配件维修与更换,并定期对灯杆进行防锈处理。 2、校内排污管道堵塞,排污不畅通的疏通处理;化粪池、检查井满溢或积存较多污物影响使用的应急疏通或清掏,配件残缺应补齐。 3、校内现有井盖、强弱电井盖的维修与更换。 4、校内现有校方设施设备的维修与养护,包括消防枪头、消防水带、消防阀门、消防栓的防锈处理、设备保管、消防玻璃箱的更换。 5、校园内建筑的窗帘、开关插座、电风扇、日光灯、灯座、电线的维修与更换,卫生间冲洗阀、洁具、天花吊顶、花盆的维修更换,窗户玻璃更换与小配件维修,门厅玻璃门的维修。 6、教学楼内教室课桌椅、多媒体设备定期巡查,小修及时处理,大修上报学校后倾部门。 7、学校电动大门的维护保养和维修,点击损毁无法维修向校方报告,联系专业部门进行维修。 8、校内建筑的门锁、办公家具锁维修更换。 9、学校机电设备的维修养护。 因学校维修具有较强的时间性,既要满足师生的需要,又不能影响师生的工作和学习,所以教室内维修以学生下课时间段为主,讲究高 效 和快 速 。上课期间主要以老 师办公室、行政 办公室、公共 区 域 设施维修为主。维修人 员 要做 到 仪 容 仪 表 整 洁、形 象 良 好 ,对 待 师生要讲究 礼 仪 ,以得 到 师生的谅 解 。大型 设施、设备维修要在 假 日集 中 进行。 二、维修计划安排表 1、房屋本体维修养护计划表 序号 项 目 时间 间隔 次数 维修养护内容 1 地基基础 每年...

1、当您付费下载文档后,您只拥有了使用权限,并不意味着购买了版权,文档只能用于自身使用,不得用于其他商业用途(如 [转卖]进行直接盈利或[编辑后售卖]进行间接盈利)。
2、本站所有内容均由合作方或网友上传,本站不对文档的完整性、权威性及其观点立场正确性做任何保证或承诺!文档内容仅供研究参考,付费前请自行鉴别。
3、如文档内容存在违规,或者侵犯商业秘密、侵犯著作权等,请点击“违规举报”。

碎片内容

学校机电设施设备维修维护方案

您可能关注的文档

确认删除?
VIP
微信客服
  • 扫码咨询
会员Q群
  • 会员专属群点击这里加入QQ群
客服邮箱
回到顶部