电脑桌面
添加小米粒文库到电脑桌面
安装后可以在桌面快捷访问

安543接地电阻测验记录

安543接地电阻测验记录_第1页
1/6
安543接地电阻测验记录_第2页
2/6
安543接地电阻测验记录_第3页
3/6
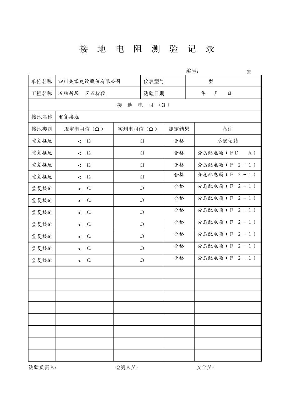
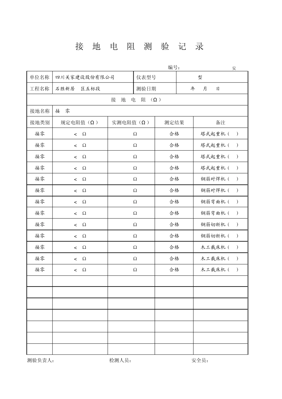
接 地 电 阻 测 验 记 录 编号: 安5-4-3 单位名称 四川关家建设股份有限公司 仪表型号 ZC52B-4型 工程名称 石胜新居A区五标段 测验日期 2010年11月28日 接 地 电 阻 (Ω ) 接地名称 接 零 接地类别 规定电阻值(Ω ) 实测电阻值(Ω ) 测定结果 备注 接零 < 4Ω 0.4Ω 合格 塔式起重机(01) 接零 < 4Ω 0.8Ω 合格 塔式起重机(02) 接零 < 4Ω 1.2Ω 合格 塔式起重机(03) 接零 < 4Ω 0.6Ω 合格 塔式起重机(04) 接零 < 4Ω 1.5Ω 合格 钢筋对焊机(01) 接零 < 4Ω 0.4Ω 合格 钢筋对焊机(02) 接零 < 4Ω 0.2Ω 合格 钢筋弯曲机(01) 接零 < 4Ω 0.8Ω 合格 钢筋弯曲机(02) 接零 < 4Ω 0.7Ω 合格 钢筋切断机(01) 接零 < 4Ω 1.0Ω 合格 钢筋切断机(02) 接零 < 4Ω 0.8Ω 合格 木工裁床机(01) 接零 < 4Ω 0.8Ω 合格 木工裁床机(02) 接零 < 4Ω 1.0Ω 合格 木工裁床机(03) 测验负责人: 检测人员: 安全员: 接 地 电 阻 测 验 记 录 编号: 安5-4-3 单位名称 四川关家建设股份有限公司 仪表型号 ZC52B-4型 工程名称 石胜新居A区五标段 测验日期 2010年11月28日 接 地 电 阻 (Ω ) 接地名称 重复接地 接地类别 规定电阻值(Ω ) 实测电阻值(Ω ) 测定结果 备注 重复接地 < 4Ω 0.6Ω 合格 总配电箱 重复接地 < 4Ω 0.9Ω 合格 分总配电箱(FD2-1A) 重复接地 < 4Ω 0.7Ω 合格 分总配电箱(FD2-1) 重复接地 < 4Ω 0.5Ω 合格 分总配电箱(FD2-1) 重复接地 < 4Ω 2.0Ω 合格 分总配电箱(FD2-1) 重复接地 < 4Ω 0.6Ω 合格 分总配电箱(FD2-1) 重复接地 < 4Ω 1.1Ω 合格 分总配电箱(FD2-1) 重复接地 < 4Ω 1.0Ω 合格 分总配电箱(FD2-1) 重复接地 < 4Ω 0.5Ω 合格 分总配电箱(FD2-1) 重复接地 < 4Ω 0.4Ω 合格 分总配电箱(FD2-1) 重复接地 < 4Ω 0.9Ω 合格 分总配电箱(FD2-1) 测验负责人: 检测人员: 安全员: 接 地 电 阻 测 验 记 录 编号: 安5-4-3 单位名称 四川关家建设股份有限公司 仪表型号 ZC52B-4型 工程名称 石胜新居A区五标段 测验日期 2010年12月28日 接 地 电 阻 (Ω ) 接地名称...

1、当您付费下载文档后,您只拥有了使用权限,并不意味着购买了版权,文档只能用于自身使用,不得用于其他商业用途(如 [转卖]进行直接盈利或[编辑后售卖]进行间接盈利)。
2、本站所有内容均由合作方或网友上传,本站不对文档的完整性、权威性及其观点立场正确性做任何保证或承诺!文档内容仅供研究参考,付费前请自行鉴别。
3、如文档内容存在违规,或者侵犯商业秘密、侵犯著作权等,请点击“违规举报”。

碎片内容

安543接地电阻测验记录

小辰5+ 关注
实名认证
内容提供者

出售各种资料和文档

相关文档

确认删除?
VIP
微信客服
  • 扫码咨询
会员Q群
  • 会员专属群点击这里加入QQ群
客服邮箱
回到顶部