电脑桌面
添加小米粒文库到电脑桌面
安装后可以在桌面快捷访问

XXX标梁板预制施工方案VIP免费

XXX标梁板预制施工方案_第1页
1/27
XXX标梁板预制施工方案_第2页
2/27
XXX标梁板预制施工方案_第3页
3/27
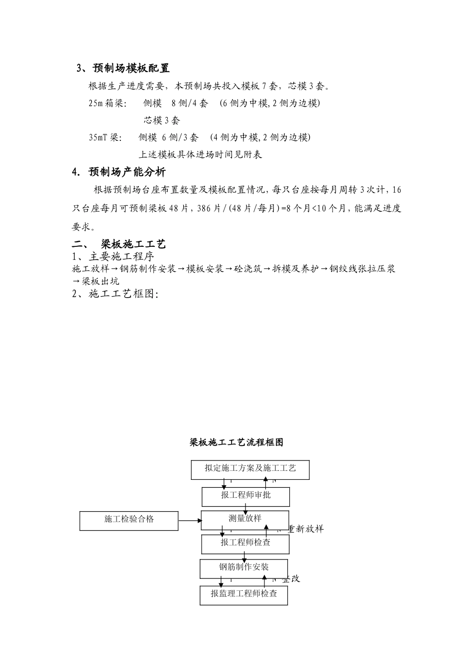
XXX标梁板预制施工方案一、工程概况及预制场总体布置:XXX标共有桥梁5座,共有梁板386片,其中25m箱梁272片,35mT梁114片,根据本项目合同工期,结合指挥部阶段性工期要求,我标段预制场布置在路基主线ZK133+035-ZK133+455上,预制场布置详见附图。预制场总长420m,宽45m,分生产区与办公生活区两大部份。生产区又分制梁区(16个台座),堆梁区(可堆56片箱梁),钢筋加工区(500M2),钢筋绑扎区(600M2),砼拌和区(1台JS75拌和机)五个部份,办公生活区占地约1200M2,可满足预制场办公及100人生活的需要。预制场生产用水取于附近河道,生活用水取自地下水。预制场施工用电由附近国家电网接入,预制场自备160KW发电机组1台。预制场场地建设时间为2个半月,从2010年12月份开始,到2011年3月下旬开始梁板预制,到2012年1月底梁板预制全部结束,梁板预制计划总工期为10个月。第X合同段桥梁梁板布置一览表桥名孔数*路径(m)桥梁全长(m)结构类型梁板数量油车后大桥左9孔*35321.92T梁112片右10孔*35356.92黄家林大桥左11孔*25286.12箱梁84片右10孔*25254.92南窑溪大桥左5孔*25129.92箱梁44片右6孔*25154.92溪口大桥6孔*25154.92箱梁48片下芋村大桥12孔*25304.92箱梁96片1、预制场主要设备投入根据施工需要,本预制场计划投入跨径为24m,起吊额定重量为80T的主龙门吊两台,主要负责梁板的出坑及吊装工作。计划投入JS750型砼拌和机1套,张拉、压浆设备各1套,钢筋加工设备及其他机具若干,设备具体进场数量及进场时间见附表,上述进场机具设备能满足生产进度的需要。2、预制场台座设置根据本项目的合同工期及梁板预制的施工工期,结合本项目梁板张拉的双控要求每只台座每月计划周转3次,本预制场共布置台座16只,箱梁预制完成后改成T梁,台座采用砼基础,上覆8mm厚钢扳,台座靠近梁端附近基础进行加固处理,以防梁板张拉后梁板起拱台座两端受力引起台座下沉。3、预制场模板配置根据生产进度需要,本预制场共投入模板7套,芯模3套。25m箱梁:侧模8侧/4套(6侧为中模,2侧为边模)芯模3套35mT梁:侧模6侧/3套(4侧为中模,2侧为边模)上述模板具体进场时间见附表4.预制场产能分析根据预制场台座布置数量及模板配置情况,每只台座按每月周转3次计,16只台座每月可预制梁板48片,386片/(48片/每月)=8个月<10个月,能满足进度要求。二、梁板施工工艺1、主要施工程序施工放样→钢筋制作安装→模板安装→砼浇筑→拆模及养护→钢绞线张拉压浆→梁板出坑2、施工工艺框图:梁板施工工艺流程框图YNYN重新放样YN整改拟定施工方案及施工工艺报工程师审批测量放样报工程师检查钢筋制作安装报监理工程师检查施工检验合格YN整改YN整改三、、梁板预制工艺控制(一)、25m箱梁施工方法(1)、25m箱梁采用一次性浇筑进行预制,以提高梁板预制质量,便于现场施工组织和各道施工工序的控制及降低工程造价。(2)、台座制作箱梁台座基础采用20cm砼基础,上铺可拆装式底模,按二次抛物线设反拱,拱度为1cm。台座宽度、长度根据梁板的长度、宽度确定。(3)、芯模制作芯模采用钢模,骨架采用型钢焊制。在制作过程中对制作精度要严格控制,满足规范要求。芯模底部每两米开一槽口,尺寸为1m×0.2m,以便随时打开。(4)、模板制作和安装a、模板制作模板均采用钢模,骨架采用型钢焊制。本工程对预制构件的外形尺寸平整度及光洁度均有严格要求。因此在模板制作过程中,对制作精度要严格控制。①截面的尺寸与长度(分段长度和组拼后长度)要准确。②模板要平直,转角要光滑,焊缝要打磨顺。③模板的连接螺栓孔的配合要准确。芯模模安装模板安装报监理工程师检查钢筋验收合格报监理工程师检查砼拌合料符合要求砼原材料验收合格砼施工砼养护单项工程交验张拉压浆验收合格报废验收合格④端模要平正,预应力筋留孔道的预留孔位置要准确。⑤模板底脚要平直,各支点高度要准确。b、模板拆装模板的安装和拆卸,利用小门吊作业,模板的安装要求如下:①浇筑混凝土之前,模板应涂刷脱模剂,涂刷方向应一致,脱模剂应采用同一品种,不得使用易粘在混凝土上或使混凝土变色的油料。②模板安装完毕后,应保持位置正确。浇筑时,发现模板有超过允许偏差变形值的可能...

1、当您付费下载文档后,您只拥有了使用权限,并不意味着购买了版权,文档只能用于自身使用,不得用于其他商业用途(如 [转卖]进行直接盈利或[编辑后售卖]进行间接盈利)。
2、本站所有内容均由合作方或网友上传,本站不对文档的完整性、权威性及其观点立场正确性做任何保证或承诺!文档内容仅供研究参考,付费前请自行鉴别。
3、如文档内容存在违规,或者侵犯商业秘密、侵犯著作权等,请点击“违规举报”。

碎片内容

XXX标梁板预制施工方案

确认删除?
VIP
微信客服
  • 扫码咨询
会员Q群
  • 会员专属群点击这里加入QQ群
客服邮箱
回到顶部