电脑桌面
添加小米粒文库到电脑桌面
安装后可以在桌面快捷访问

安全生产费用账务核算细则

安全生产费用账务核算细则_第1页
1/7
安全生产费用账务核算细则_第2页
2/7
安全生产费用账务核算细则_第3页
3/7
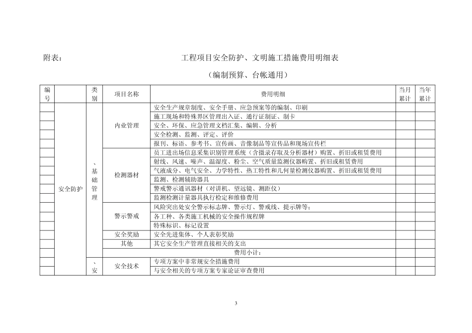
1 中国化学工程第十一建设有限公司 安全生产费用账务核算细则(试行) 为了建立高危行业企业安全生产投入长效机制,加强企业安全生产费用财务管理,维护企业、职工以及社会公共利益,根据集团股份公司《企业安全生产费用提取和使用管理办法》,制定本实施细则。 一、安全生产费用的计提 1.安全生产费用一般应按项目提取(包括竣工已结算尚未报完收入的项目),提取单位按安全生产费用支出范围设置明细账,核算本单位发生的安全生产费用,原则上不突破计提额度。 2.计提时为避免出现成本、收入循环确认的现象,2013 年暂按:一月份以上年十二月份的收入计提,二月份以一月份的计提,以此类推的方法计提。明年年初重新修改建造合同确认单后再重新规定。 3.计提比例:土建收入按2%,电仪、安装按1.5%计提。 4. 安全生产费用计提会计分录 借:制造费用 贷:专项储备 二、安全生产费用的支用 1.企业按照安全生产费用实际使用的金额,属费用性支出的,直接冲减专项储备,借记“专项储备”,贷记“银行存款”等。 2. 企业使用提取的安全生产费形成固定资产的,应当通过“在建工程”科目归集所发生的支出,待安全项目完工达到预定可使用状态时确认为固定资产;同时,按照形成固定资产的成本冲减专项储备,并确认相同金额的累计折旧。该固定资产在以后期间不再计提折旧。 形成临时设施的,应当通过“在建工程”科目归集所发生的支出,待完工达到预定可使用状态时转入“临时设施”,并按照工程期限逐月进行临时设施摊销,将其摊销额冲减专项储备。借: 专项储备 贷:临时设施摊销。 2 3.合同规定,分包单位的安全生产费用在发包方按实报销的,视同企业发生的安全生产费用处理,借记“专项储备”,贷记“银行存款”等。合同未规定实报实销的,视同分包成本中包含安全生产费用支出。借记:工程施工-分包成本( 98%或 98.5%), 借记:专项储备( 2%或 1.5%),贷记“应付账款”。 4.企业总部集中进行的安全生产设备采购、培训等支出,按上述规定从专项储备中列支。 5.安全生产费用以企业为单位统一进行财务管理,提取单位应将安全生产费用结余或超支季末转回公司总部,借记或贷记“专项储备” ,贷记或借记“内部往来”。 6.为了确保安全生产投入满足国家规定,所以提醒各单位无特殊情况不得留有太多余额。安全生产费用的计提和使用,是国家为了督促各企业将安全投入专款专用,落实安全资源保障措施,从而杜绝安全隐患,防止安全事...

1、当您付费下载文档后,您只拥有了使用权限,并不意味着购买了版权,文档只能用于自身使用,不得用于其他商业用途(如 [转卖]进行直接盈利或[编辑后售卖]进行间接盈利)。
2、本站所有内容均由合作方或网友上传,本站不对文档的完整性、权威性及其观点立场正确性做任何保证或承诺!文档内容仅供研究参考,付费前请自行鉴别。
3、如文档内容存在违规,或者侵犯商业秘密、侵犯著作权等,请点击“违规举报”。

碎片内容

安全生产费用账务核算细则

您可能关注的文档

确认删除?
VIP
微信客服
  • 扫码咨询
会员Q群
  • 会员专属群点击这里加入QQ群
客服邮箱
回到顶部