电脑桌面
添加小米粒文库到电脑桌面
安装后可以在桌面快捷访问

安全系统工程试题汇总

安全系统工程试题汇总_第1页
1/15
安全系统工程试题汇总_第2页
2/15
安全系统工程试题汇总_第3页
3/15
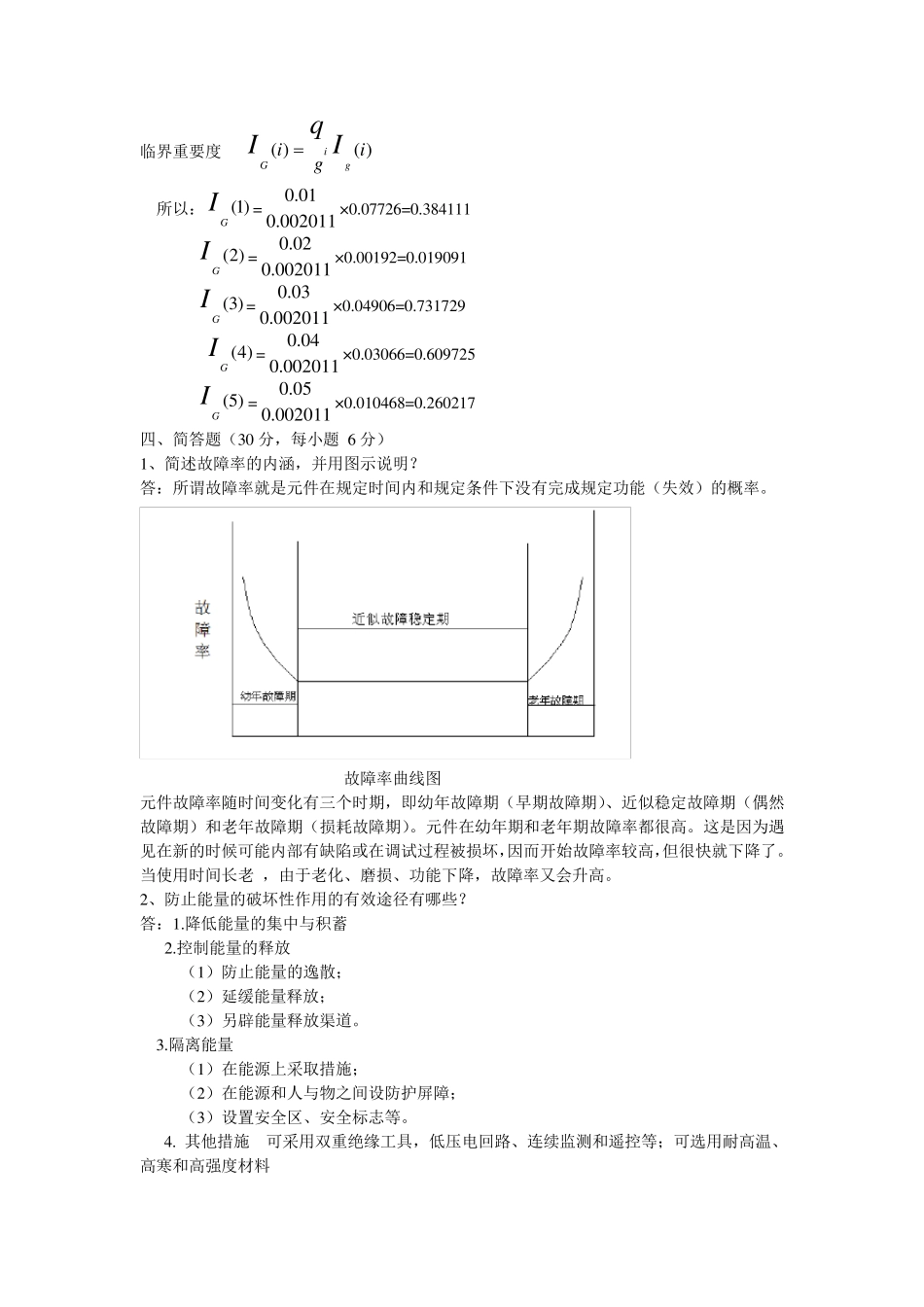
安 全 系 统 工 程 试 题 一 、 填 空 题 ( 30 分 , 每 空 1.5 分 ) 1、 系 统 的 属 性 主 要 包 括 : 整 体 性 、 相 关 性 、 有 序 性 、 目 的 性 等 四 个 方 面 。 2、 安 全 系 统 工 程 的 研 究 对 象 是 人 -机 -环 境 系 统 ; 主 要 研 究 内 容 包 括 系 统 安 全 分 析 ; 系 统 安 全 评 价 ; 安 全 决 策 与 事 故 控 制 等 三 方 面 。 3、 在 安 全 系 统 工 程 学 分 析 方 法 中 , 通 常 CCA 表 示 原 因 -后 果 分 析 法 ; FMEA 表 示 故 障 类 型 和 影 响 分 析 ; ETA 表 示 — 事 件 树 分 析 ; FTA 表 示 事 故 树 分 析 ; HAZOP 表 示 危 险 性 和 可 操 作 性 研 究 。 4、 可 靠 度 是 指 系 统 、 设 备 或 元 件 等 在 规 定 时 间 和 规 定 的 条 件 下 , 完 成 规 定 功 能 的 能 力 。 5、 系 统 是 由 相 互 作 用 和 相 互 依 赖 的 若 干 组 成 部 分 结 合 成 的 具 有 特 定 功 能 的 有 机 整 体 。 6、 DOW 化 学 火 灾 爆 炸 指 数 评 价 法 中 物 质 系 数 是 根 据 由 美国消防协会规 定 的 可 燃性 Nf 和 化 学 活性 Nr求取的 。 7、 PHA 方 法 包 括 : 准备 、 审查、 结 果 汇总三 个 阶段。 二、 判断题 ( 20 分 , 正确的 划√, 错误的 划 X, 每 题 答对 得 2 分 , 答错 扣 2 分 ) 1、 弹性 原 理不属 于系 统 工 程 原 理。( √ ) 2、 串联系 统 的 失效概率等 于各子系 统 失效概率的 积。( × ) 3、 定 性 方 法 和 定 量方 法 的 合 理结 合 是 分 析 系 统 安 全 性 的 有 效途径。 ( √ ) 4、 安 全 系 统 工 程 是 在 事 故 逼迫下 产生的 。( × ) 5、 FTA 方 法 既可 用 作 定 性 分 析 , 又能 进行定 量分 析 。 ( √ ) 6、 安 全 系 统 工 程 中 最基本、 最初步的 一 种形式是 SCL( 安 全 检查表 )。( √ ) 7、 能 量原 理是 安 全 评 价 的 基本原 理。( × ) 8...

1、当您付费下载文档后,您只拥有了使用权限,并不意味着购买了版权,文档只能用于自身使用,不得用于其他商业用途(如 [转卖]进行直接盈利或[编辑后售卖]进行间接盈利)。
2、本站所有内容均由合作方或网友上传,本站不对文档的完整性、权威性及其观点立场正确性做任何保证或承诺!文档内容仅供研究参考,付费前请自行鉴别。
3、如文档内容存在违规,或者侵犯商业秘密、侵犯著作权等,请点击“违规举报”。

碎片内容

安全系统工程试题汇总

确认删除?
VIP
微信客服
  • 扫码咨询
会员Q群
  • 会员专属群点击这里加入QQ群
客服邮箱
回到顶部