电脑桌面
添加小米粒文库到电脑桌面
安装后可以在桌面快捷访问

安全通道防护棚计算书

安全通道防护棚计算书_第1页
1/7
安全通道防护棚计算书_第2页
2/7
安全通道防护棚计算书_第3页
3/7
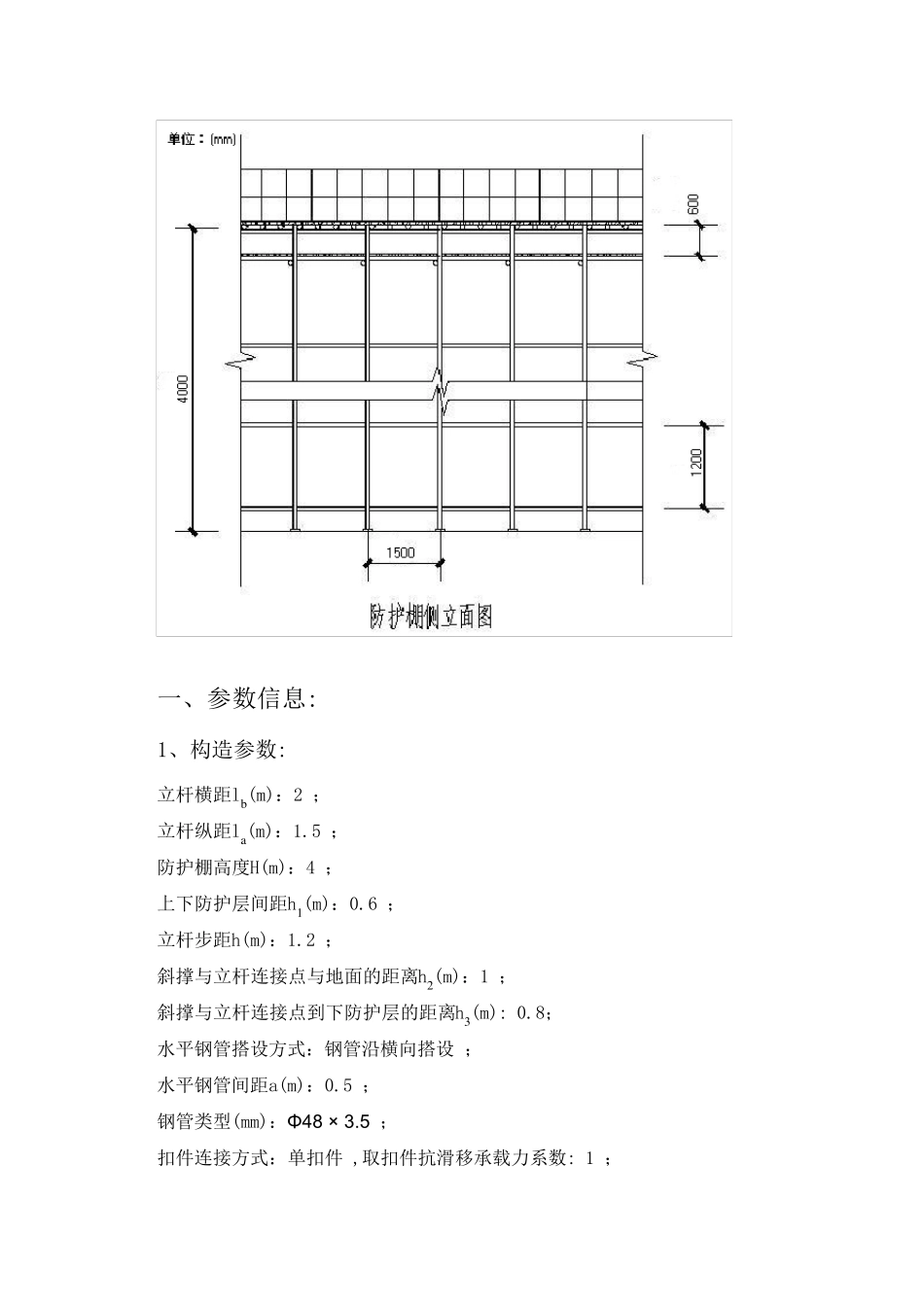
安全通道防护棚计算书 编制依据:《建筑施工高处作业安全技术规范》JGJ80-91、《建筑施工扣件式钢管脚手架安全技术规范》JGJ130-2001。 由于防护棚有双层防护,故只按照承载能力极限状态设计,不考虑正常使用极限状态。计算书中规定防护棚开间方向为横向,进深方向为纵向,简图如下: 一、参数信息: 1、构造参数: 立杆横距lb(m):2 ; 立杆纵距la(m):1.5 ; 防护棚高度H(m):4 ; 上下防护层间距h1(m):0.6 ; 立杆步距h(m):1.2 ; 斜撑与立杆连接点与地面的距离h2(m):1 ; 斜撑与立杆连接点到下防护层的距离h3(m): 0.8; 水平钢管搭设方式:钢管沿横向搭设 ; 水平钢管间距a(m):0.5 ; 钢管类型(mm):Φ48 × 3.5 ; 扣件连接方式:单扣件 ,取扣件抗滑移承载力系数: 1 ; 2.荷载参数: 高空坠落物最大荷载标准值N(kN):1 ; 脚手板自重(kN/m2):0.35 ; 栏杆及挡脚板自重(kN/m):0.15 ; 3.地基参数: 地基土类型:素填土; 地基承载力标准值(kPa): 120; 立杆基础底面面积(m2): 0.25; 地基承载力调整系数: 1。 二、横向水平支撑钢管计算: 横向钢管按照简支梁计算,承受脚手板自重、坠落物冲击集中荷载。由于防护棚有双层防护,故只按照承载能力极限状态设计,不考虑正常使用极限状态。截面几何参数如下: 截面抵抗矩 W = 5.08 cm3; 截面惯性矩 I = 12.19 cm 4; 横向钢管计算简图 1、荷载的计算: (1)脚手板自重(kN/m): q1 = 0.35×0.5 = 0.175 kN/m; (2) 高空坠落物最大荷载标准值(kN): N= 1 kN; 2.强度验算: 横向支撑钢管按简支梁计算; 最大弯矩计算公式如下: 均布恒载:q = 1.2 ×0.175 = 0.21 kN/m; 冲击荷载:F = 1.4×1 = 1.4 kN; 最大弯距 M = 0.125×0.21×22 + 0.25×1.4×2= 0.805 kN.m ; 最大应力 σ = M / W = 0.805×106 / (5.08×103) = 158.465 N/mm2; 支撑钢管的抗压强度设计值 [f]=205 N/mm2; 支撑钢管的计算应力 158.465 N/mm2 小于 钢管的抗弯强度设计值 205 N/mm2,满足要求! 三、纵向支撑钢管计算: 纵向水平钢管按照承载能力极限状态设计,按照集中荷载作用下的三跨连续梁计算; 冲击荷载按最不利情况作用于跨中,上部钢管传递的恒载按等间距步置。 冲击荷载: F= 1.4 kN; 上部钢管传递恒载:P=1.2×0.35×0.5×2/2 = 0.21 kN; 支撑钢管计算简图 支撑钢管计算弯矩图...

1、当您付费下载文档后,您只拥有了使用权限,并不意味着购买了版权,文档只能用于自身使用,不得用于其他商业用途(如 [转卖]进行直接盈利或[编辑后售卖]进行间接盈利)。
2、本站所有内容均由合作方或网友上传,本站不对文档的完整性、权威性及其观点立场正确性做任何保证或承诺!文档内容仅供研究参考,付费前请自行鉴别。
3、如文档内容存在违规,或者侵犯商业秘密、侵犯著作权等,请点击“违规举报”。

碎片内容

安全通道防护棚计算书

确认删除?
VIP
微信客服
  • 扫码咨询
会员Q群
  • 会员专属群点击这里加入QQ群
客服邮箱
回到顶部