电脑桌面
添加小米粒文库到电脑桌面
安装后可以在桌面快捷访问

煤气作业安全技术实际操作考试标准VIP免费

煤气作业安全技术实际操作考试标准_第1页
1/15
煤气作业安全技术实际操作考试标准_第2页
2/15
煤气作业安全技术实际操作考试标准_第3页
3/15
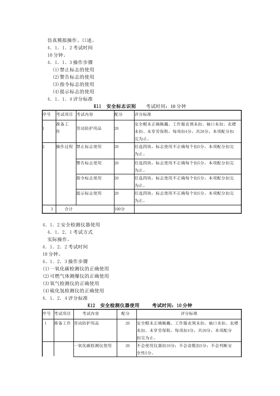
煤气作业安全技术实际操作考试标准1.制定依据《煤气作业安全技术培训大纲及考核标准》。2.考试方式实际操作、仿真模拟操作、口述3.考试要求3.1考试科目及内容3.1.1科目l:安全用具使用(简称K1)3.1.1.1安全标志识别(简称K11)3.1.1.2安全检测仪器使用(简称K12)3.1.1.3空气呼吸器使用(简称K13)‘3.1.1.4煤气设备符号识别(简称K14)3.1.2科目2:安全操作技术(简称K2)3。1.2.1立式排水器操作(简称K21)3.1.2.2NK型水封阀操作(简称K22)3.1.2.3抽堵盲板操作(简称K23)3.1.2.4煤气管道水封清洗操作(简称K24)3.1.2.5煤气工艺流程及安全生产(简称K25)3.1.3科目3:作业现场安全隐患排除(简称K3)3.1.3。1管道停送煤气(简称K31)3.1.3.2加热炉煤气停复役(简称K32)3.1.3.3容器内动火检修(简称t(33)3.1.3.4煤气管道动火准备(简称K34)3.1.3.5违章查找(简称K35)3.1.4科目4:作业现场应急处置(简称K4)3.1.4.1煤气中毒人员抢救(简称K41)3.1.4.2煤气设备着火处理(简称K42)3.1.4.3煤气设备爆炸处理(简称K43)3.1.4.4煤气柜泄漏处理(简称K44)3.1.4.5单人徒手心肺复苏操作(简称K45)3.2组卷方式试卷从上述4个科目考题中,各抽取一道题目组成。具体题目由考试系统或考生抽取产生。3.3考试成绩实操考试总分值100分,80分(含)以上为考试合格;若考题中设置有否决项,否决项未通过,则实操考试不合格。科目l、科目2、科目3、科目4考题分值权重分别为20%、40%、20%、20%。3.4考试时间j60分钟。4.考试内容4.1安全用具使用4.1.1安全标志识别4.1.1.1考试方式仿真模拟操作、口述。4.1.1.2考试时间10分钟。4.1.1.3操作步骤(1)禁止标志的使用(2)警告标志的使用(3)指令标志的使用(4)提示标志的使用4.1.1.4评分标准K11安全标志识别考试时间:10分钟序号考试项目考试内容配分评分标准1准备工作劳动防护用品20安全帽未正确佩戴、工作服衣领未扣、袖口未扣、衣襟未扣、未穿劳保鞋,每项扣4分,共20分,本项配分扣完为止。2操作过程禁止标志使用20任选四块,标志使用不正确每个扣5分,本项配分扣完为止。警告标志使用20任选四块,标志使用不正确每个扣5分,本项配分扣完为止。指令标志使用20任选四块,标志使用不正确每个扣5分,本项配分扣完为止。提示标志使用20任选四块,标志使用不正确每个扣5分,本项配分扣完为止。3合计100分4.1.2安全检测仪器使用4.1.2.1考试方式实际操作。4.1.2.2考试时间10分钟。4。1.2.3操作步骤(1)一氧化碳检测仪的正确使用(2)可燃气体测爆仪的正确使用(3)氧气检测仪的正确使用(4)硫化氢检测仪的正确使用4.1.2.4评分标准K12安全检测仪器使用考试时间:10分钟序号考试项目考试内容配分评分标准1准备工作劳动防护用品20安全帽未正确佩戴、工作服衣领未扣、袖口末扣、衣襟未扣、未穿劳保鞋,每项扣4分,共20分,本项配分扣完为止。一氧化碳检测仪使用20不会使用仪器扣10分;不会读数扣5分;不会判断安全性5分。操作过程可燃气体测爆仪使用20不会使用仪器扣10分:不会读数扣5分;不会判断安全性5分。2氧气检测仪使用20不会使用仪器扣10分;不会读数扣5分;不会判断安全性5分。硫化氢检测仪使用20不会使用仪器扣10分;不会读数扣5分;不会判断安全性5分。3合计100分4.1.3空气呼吸器使用4.1.3.1考试方式实际操作。4.1.3.2考试时间10分钟。4.1.3.3操作步骤(1)空气呼吸器检查。1)检查空气呼吸器各组部件是否齐全,接头、管路、阀体连接是否完好。2)检查气瓶是否固定牢固。3)检查空气呼吸器供气系统气密性和气源压力数值。4)打开瓶阀开关,将面罩正确地戴在头部深吸一口气,供气阀的阀门应能自动开启并供气。(2)空气呼吸器正确佩戴1)将断开快速接头的空气呼吸器,瓶阀向下背在人体背部;不带快速接头的空气呼吸器,将面罩和供气阀分离后,将其瓶阀向下背在人体背部;根据身高调节好调节带的长度,根据腰围调节好腰带的长度后,扣好腰带。将压力表调整到便于佩戴者观察的位置。2)将快速接头插好,供气阀和面罩连接好。3)将瓶阀开关打开一圈以上,此时应有一声响亮的报警声,说明瓶阀打开后己...

1、当您付费下载文档后,您只拥有了使用权限,并不意味着购买了版权,文档只能用于自身使用,不得用于其他商业用途(如 [转卖]进行直接盈利或[编辑后售卖]进行间接盈利)。
2、本站所有内容均由合作方或网友上传,本站不对文档的完整性、权威性及其观点立场正确性做任何保证或承诺!文档内容仅供研究参考,付费前请自行鉴别。
3、如文档内容存在违规,或者侵犯商业秘密、侵犯著作权等,请点击“违规举报”。

碎片内容

煤气作业安全技术实际操作考试标准

您可能关注的文档

确认删除?
VIP
微信客服
  • 扫码咨询
会员Q群
  • 会员专属群点击这里加入QQ群
客服邮箱
回到顶部