电脑桌面
添加小米粒文库到电脑桌面
安装后可以在桌面快捷访问

气瓶颜色标志规范梳理汇总VIP免费

气瓶颜色标志规范梳理汇总_第1页
1/6
气瓶颜色标志规范梳理汇总_第2页
2/6
气瓶颜色标志规范梳理汇总_第3页
3/6
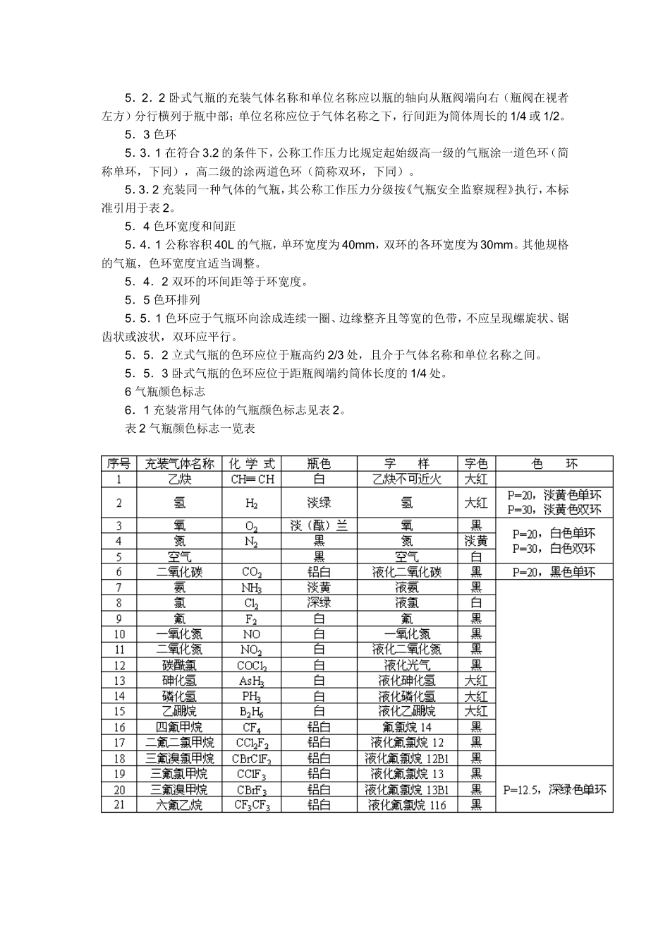
气瓶颜色标志本标准是GB7144-1986《气瓶颜色标记》的修订本。主要有四处变动:舍弃“特种气体类”的气瓶色标;增列17种气体的气瓶色标;二氧化氮气瓶和硫化氢气瓶互换瓶色;更改液化石油气瓶的色标。此外,从1989年版《气瓶安全监察规程》引入气瓶检验色标。本标准从实施之日起代替GB7144-1986本标准由全国气瓶标准化技术委员会提出并归口。本标准起草单位:上海高压容器有限公司。本标准主要起草人:陈保仪、陈伟明。本标准于1986年12月首次发布,1999年12月首次修订。1范围本标准规定了作为充装气体识别标志的气瓶外表面涂色和字样。本标准适用于公称工作压力不大于30MPa、公称容积不大于1000L、移动式可重复使用的气瓶。本标准不适用于灭火用的气瓶、车辆燃料气体和机器设备上附属的气瓶。进口气瓶应按本标准的要求涂敷(或改涂、复涂)颜色标志。2引用标准下列标准所包含的条文,通过在本标准中引用而构成为本标准的条文。本标准出版时,所示版本均为有效。所有标准都会被修订,使用本标准的各方应探讨使用下列标准最新版本的可能性。GB/T3181—1995漆膜颜色标准GSBG51001—1995漆膜颜色标准样卡3定义本标准采用下列定义。3.1气瓶颜色标志colouredcylindermarkforgas气瓶外表面涂敷的字样内容、色环数目和涂膜颜色按充装气体的特性作规定的组合,是识别充装气体的标志。3.2色环colourring公称工作压力不同的气瓶充装同一种气体而具有不同充装压力或不同充装系数的识别标志。3.3色卡colourchip表示一定颜色的标准样品卡(GB/T3181—1995中3.10)。4气瓶的涂膜颜色名称和鉴别4.1气瓶的漆膜颜色应符合GB/T3181的规定(铝白、黑、白除外)。4.2气瓶的漆膜颜色编号、名称和色卡见表1。表1气瓶的漆膜颜色编号、名称和色卡4.3选用漆膜以外方法涂敷的气瓶,其涂膜颜色均应符合表1的规定。4.4颜色和色卡应按GB/T3181的要求鉴别。5气瓶的字样和色环气瓶的字样、色环彼此间应避免叠合,不占防震圈的位置。5.1字样5.1.1字样是指气瓶的充装气体名称(也可含气瓶所属单位名称和其他内容,如溶解乙炔气瓶的“不可近火”等)。5.1.2充装气体名称一般用汉字表示。凡属液化气体,气体名称应冠以“液”或“液化”字样,凡属医用或呼吸用气体,在气体名称前应分别加注“医用”或“呼吸用”字样。对于小容积气瓶,充装气体名称不可用化学式表示。5.1.3汉字字样采用仿宋体。公称容积40L的气瓶,字体高度为80~100mm;其他规格的气瓶,字体大小宜适当调整。5.2字样排列5.2.1立式气瓶的充装气体名称应按瓶的环向横列于瓶高3/4处;单位名称应按瓶的轴向竖列于气体名称居中的下方或转向180°的瓶面。5.2.2卧式气瓶的充装气体名称和单位名称应以瓶的轴向从瓶阀端向右(瓶阀在视者左方)分行横列于瓶中部;单位名称应位于气体名称之下,行间距为筒体周长的1/4或1/2。5.3色环5.3.1在符合3.2的条件下,公称工作压力比规定起始级高一级的气瓶涂一道色环(简称单环,下同),高二级的涂两道色环(简称双环,下同)。5.3.2充装同一种气体的气瓶,其公称工作压力分级按《气瓶安全监察规程》执行,本标准引用于表2。5.4色环宽度和间距5.4.1公称容积40L的气瓶,单环宽度为40mm,双环的各环宽度为30mm。其他规格的气瓶,色环宽度宜适当调整。5.4.2双环的环间距等于环宽度。5.5色环排列5.5.1色环应于气瓶环向涂成连续一圈、边缘整齐且等宽的色带,不应呈现螺旋状、锯齿状或波状,双环应平行。5.5.2立式气瓶的色环应位于瓶高约2/3处,且介于气体名称和单位名称之间。5.5.3卧式气瓶的色环应位于距瓶阀端约筒体长度的1/4处。6气瓶颜色标志6.1充装常用气体的气瓶颜色标志见表2。表2气瓶颜色标志一览表续表2续表26.2充装表2以外的气体,其气瓶的涂膜配色见表3,再赋予相应的字样和色环即成某气体的气瓶颜色标志。表3气瓶涂膜配色类型6.3瓶帽、护罩、瓶耳、底座等的涂膜颜色应与瓶色一致。7气瓶检验色标7.1在气瓶检验钢印标志上应按检验年份涂检验色标。检验色标的式样见表4,10年一循环。表4气瓶检验色标的涂膜颜色和形状小容积气瓶和检验标志环的检验钢印标志上可以不涂检验色标。...

1、当您付费下载文档后,您只拥有了使用权限,并不意味着购买了版权,文档只能用于自身使用,不得用于其他商业用途(如 [转卖]进行直接盈利或[编辑后售卖]进行间接盈利)。
2、本站所有内容均由合作方或网友上传,本站不对文档的完整性、权威性及其观点立场正确性做任何保证或承诺!文档内容仅供研究参考,付费前请自行鉴别。
3、如文档内容存在违规,或者侵犯商业秘密、侵犯著作权等,请点击“违规举报”。

碎片内容

气瓶颜色标志规范梳理汇总

您可能关注的文档

确认删除?
VIP
微信客服
  • 扫码咨询
会员Q群
  • 会员专属群点击这里加入QQ群
客服邮箱
回到顶部